当前位置:小木虫首页 >> 机械

分享资料 Introduction to the Design and Behavior of Bolted Joints Fourth Edition

名镜mk
IntroductionSampleTexttotheDesignandBehaviorofBoltedJoints,FourthEditionNon-GasketedJoints
机械
  • 200
  • 4

关于机械摩擦学的小题

xrdk0019
在某公司开发的摩托车万向节传动装置上,传动轴屡屡发生断裂。针对这种损坏情况制定处理策略(处理顺序与合理的测试程序)!求大佬解答,万分谢谢
机械
  • 300
  • 6

基于稀疏理论的故障诊断

梨头枝上雨
有利用稀疏理论做故障诊断的吗?希望能加个好友,互相学习!
机械
  • 750
  • 15

求ISO 281-2007轴承标准

seu_zr
求ISO281-2007轴承标准,提前感谢
机械
  • 2550
  • 51

求问关于底盘的毕业设计

小周不休
毕设题目是关于电动汽车底盘传动结构的,求问从哪下手啊轮毂驱动没有机械传动了,还属于传动结构吗?哭了,救救孩子吧
机械
  • 200
  • 4

管柱掉落冲击井筒底部,产生动态屈曲

无奈的小学弟
看了n个文章了,感觉一点思路都没有,要疯了好几个月了,就杆冲击刚体,产生三维的动态屈曲,横向有井筒约束,到底啥方法能做啊,难受,希望有思路的交流下下
机械
  • 200
  • 4

求教如何在solidworks里面让弹簧有弹性

321木林森
求教如何在solidworks里面让装配图里的弹簧有弹性,就是拖动的时候可以拉伸压缩
机械
  • 650
  • 13

直角坐标机器人能否和关节机器人那样做轨迹规划吗?

champion3568
直角坐标机器人能否和关节机器人那样做轨迹规划吗?所用的方法是否也一样呢?第二个问题,机械臂手爪是否也可做轨迹规划?因为手爪是连杆机构设计的,谢谢!
机械
  • 150
  • 3

金属表面凹痕的测量

Rayner^O^
金属球与金属板碰撞产生的几微米深的凹痕如何测量,有那些仪器可以测量,或者超景深显微镜的测量方法求告知
机械
  • 300
  • 6

急!求能做AUV水下机器人水池拖拽实验,测流体阻力的

huji_微笑
有没有能做AUV水下机器人水池拖拽实验,测流体阻力的啊?有的话私聊!!!
机械
  • 200
  • 4

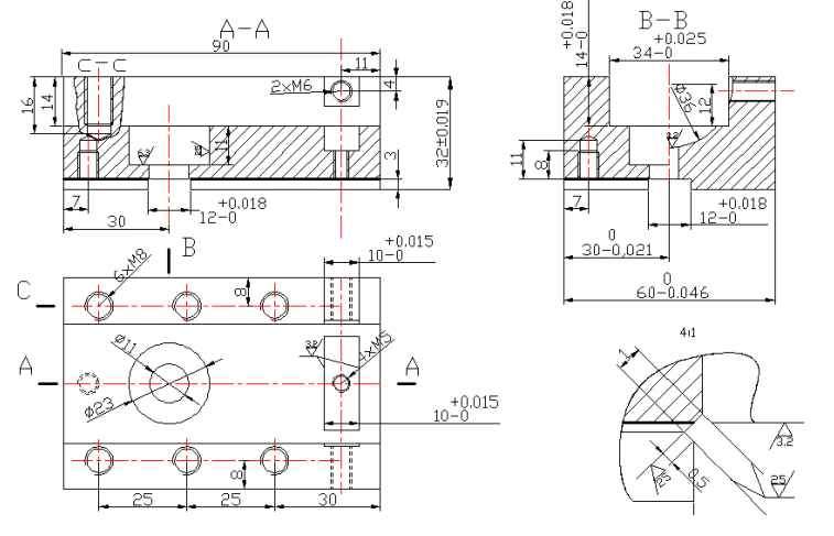
这个标注怎么解释啊

puck85
美国图纸标注,直径0.38后面是深度符号,再后面的0.010/0.020什么意思不是公差把怎么解释啊捕获.png
机械
  • 150
  • 3

好书推荐:《计算机辅助制造实践——Python实现三维打印路径规划》

zjtzhylin
导读《计算机辅助制造实践——Python实现三维打印路径规划》是市面上非常难得的一本关于“Python+3DPrinting+CAM”路径规划算法类的通俗读物,兼具系统性...
机械
  • 500
  • 10

微结构模具加工

模压打工人
在一块直径20,高6的铍铜圆柱毛坯端面上激光加工微结构,但如何加工才能保证该毛坯的精度呢,特别是端面的平行度,平面度。想过磨削抛光,但是这么小的工件很难夹持吧,有没有哪里能加工呢
机械
  • 600
  • 12

土豆收获过程的仿真动画

SunnyTFboy
求助大佬们,这种土豆收获过程的仿真动画都要涉及到哪些软件的运用,整个机具处于运动状态。
机械
  • 3400
  • 68

如何测量两块平板间的平行度

Faust浮士德
大家好。我有两块4cm*4cm的平板,厚度约1mm。他们之间的距离按需要在50μm~1mm之间变动。并且需要两平板互相平行。我用三个微分尺做了个调节方向的平台。现在缺少检验两平板之间平行程度的仪器和方法。我目前经费充足,且对精度要求较高。请问大家有什么建议吗?...
机械
  • 150
  • 3

中科院深圳先进技术研究院—微创中心—(软体/医疗机器人方向)招聘客座学生3名

samsara1990
研究所地点:广东省深圳市南山区西丽大学城学苑大道1068号项目方向:1.经自然腔道主动运动型软体机器人;2.基于变刚度结构的软体医疗球囊;3.软体气管支架器件及系统;要求:1.机器人、机械、自动化、生物医学工程等相关专业;2.仅限985/211院校在读研究生或...
机械
  • 350
  • 7

solidworks这个三维模型怎么建啊

bettyzhy1
这个二维图最后局部放大图看不懂
机械
  • 150
  • 3

请问哪些学校在做电弧增材制造

夏之沫1997
请问大家有哪些学校在做电弧增材制造,并且招博士的
机械
  • 150
  • 3

振动加速度信号去毛刺

wanghaoping
各位小木虫的大佬们,我想请教个问题,这个是我采集到的振动加速度信号。这个信号采集出来是这个样子,好多毛刺,感觉很差。各位大佬有什么信号处理的方法可以去掉这些毛刺吗?本人不...
机械
  • 2500
  • 50

中科院深圳先进技术研究院—微创中心—(软体/医疗机器人方向)招聘客座学生3名

samsara1990
研究所地点:广东省深圳市南山区西丽大学城学苑大道1068号项目方向:1.经自然腔道主动运动型软体机器人;2.基于变刚度结构的软体医疗球囊;3.软体气管支架器件及系统;要求:1.机器人、机械、自动化、生物医学工程等相关专业;2.仅限985/211院校在读研究生或...
机械
  • 450
  • 9

救助液压卡盘SolidWorks零件及装配图

yanjingang
救助三爪液压卡盘SolidWorks零件及装配图,或者能够展示液压卡盘结构的视频也可以。
机械
  • 150
  • 3

请教一个机械设计的问题

gtssongchi
请问大家,我想在一个竖直放置的圆盘边缘固定一个激光器,使激光垂直向下发射。然后圆盘由电机驱动旋转。怎么样的结构能使得在转动过程中激光始终是垂直向下呢?
机械
  • 250
  • 5

solidwork2020安装包

xmc137202183
本人需要solidwork2020安装包,有资源可以下方留言,有金币悬赏
机械
  • 150
  • 3

求采煤机轴承数据集

海洋饼干96
做采煤机轴承故障诊断,苦于没有采煤机轴承数据集,希望找到有数据集的同学
机械
  • 900
  • 18

求助:金属零件裂纹在线检测应用

奋斗前行
目前我们部门有个课题,需要将我们产品(主要承受纵向力)上的一些关键受力零件实现在线裂纹的检测(定性即可),但是根据了解有一定难度,不知道小木虫上有哪位大神有相关较为成熟的技术或者有相关资源,可以帮助我们解决这个问题,可以一起合作完成课题,谢谢大家!
机械
  • 1050
  • 21

河南省有哪些给轨道交通供给零配件的企业?

学员9OPggz
如题,河南省有哪些给轨道交通供给零配件的企业?如河南省中原内配股份有限公司等,谢谢!
机械
  • 300
  • 6

求助SolidWorks软件

窃魂影
求助,哪位大佬可提供一个SolidWorks软件安装包,万分感谢
机械
  • 150
  • 3

铁路货车轮轴类的SCI论文指导

箫剑箫剑
我是铁路货车轮轴检修职工,想写一篇轮轴检修类的SCI论文,但是对SCI一无所有,不知从何下手,有没有高手给指点一下哈,或者有铁道车辆方面的前辈专家帮忙指点下。万分感谢(???)
机械
  • 150
  • 3

两根转速不同的轴连接到同一台发电机

Wq吴琴
请问两个转速不同的轴如何连接同一台发电机?
机械
  • 300
  • 6

关于 FDAC和NAK80比热容和热传导

张蓝木的帐号
求助,FDAC和NAK80比热容和热传导系数各是多少?
机械
  • 600
  • 12
应助之星
下载小木虫APP
与700万科研达人随时交流
  • 二维码
  • IOS
  • 安卓