小木虫
登陆
|
注册
首页
导读
期刊
发现
社区
招聘老师
当前位置:
小木虫首页
>> 催化
有xhd,hjm做过氧化钪催化酯化反应么
天蝎水金
有xhd,hjm做过氧化钪催化酯化反应么,请教啊,氧化钪需要处理一下么
催化
900
18
甘油制备丙二醇
liting83
甘油原位加氢制备丙二醇过程中作为原料添加及后期反应都会有水,这样产品在色谱分析中需要怎样处理?
催化
300
6
泡沫镍整体式催化剂的制备
ycy904435
最近想做氢气催化燃烧实验,需要把氧化铝负载到泡沫镍上面,再把铂负载到氧化铝上面,其中具体的详细操作步骤是什么?具体需要哪些仪器?比如烧杯之类的。查文献了解到负载的方法是浸渍法或者氧化铝溶胶凝胶法,用到的试剂有六合水氯铂酸、丙酮、异丙醇铝等。大家来帮帮忙啊
催化
450
9
用葡萄糖为原料,水热法能制备出纳米碳块么
理学化学调剂
我用葡萄糖为原料,水热法制备出的都是碳球。是因为温度太高了么,180℃,12小时。求大佬告知
催化
900
18
测定催化材料表面酸性
shelleast
用什么办法可以测定材料表面的Lewis酸碱性?
催化
750
15
MOF衍生碳材料
金针的菇
请问“MOF衍生材料”是不是就是指“MOF衍生碳材料”,MOF衍生的氧化物是纯的氧化物,还是说肯定会包含碳基质?
催化
500
10
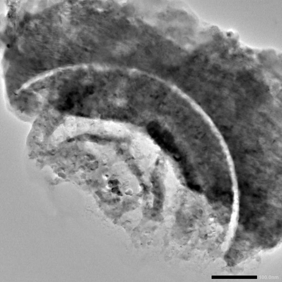
Pd/C的TEM表征问题
学员WgGPIM
如图,拍高倍的时候电子束直接就把活性炭给熔了,还有光圈出现。。。。用的是4~8目的椰壳活性炭,钯的负载量是0.5%,不过用的是普通碳膜,下次打算换微珊。。。。但是感觉这和...
催化
600
12
ECSA提高了10倍,但是活性只提高了4.5倍
钓月1988
各位催化大神,有两个问题请教:1.如题,和对比样品相比,ECSA提高了10倍,但是活性只提高了4.5倍,本证活性降低了,请问这种情况写文章应该怎么处理2.采用PbUPD测Cu的ECSA,结果不呈线性(从10mVs-1扫到300mVs-1,随着扫速增加积分先快速...
催化
250
5
关于负载氯化亚铜催化剂还原的问题
时间旅人
用负载氯化亚铜催化剂吸附CO,由于氯化亚铜被氧化,所以在固定床用氢气还原,还原空速在200h-1,氢气含量在8%,还原时间为3h,温度200℃,发现催化剂内部没有被还原,只有表面还原。我想知道这跟氢气的关系是什么,有什么修改意见。
催化
500
10
沸石分子筛负载TiO2的制备
M2021
我在做改性二氧化钛光电协同降解染料的研究。在载体选择方面,之前试过活性炭。活性炭的掉粉现象很严重,而且隔绝空气煅烧的时候会导致溶胶凝胶法原料的前驱体烧不干净,导致二氧化钛不纯,光催化效果很差。现在想试试沸石分子筛。但我想到溶胶凝胶法的原料里有乙酸(我没有用硝酸...
催化
150
3
六方晶系晶胞参数计算
myw123456
各位老师好,我最近想用unitcell计算晶胞参数,我发现算完之后只有参数a,c的值,以及晶胞的体积,请问如何根据已有的条件计算晶胞常数b,下面是我计算的参数值。6[L%...
催化
150
3
What about the energy bands of composite catalyst?
xfgzju
投了一篇文章,审稿人问Whatabouttheenergybandsofcompositecatalyst?,请问各位牛人用什么仪器测试复合物的能带
催化
150
3
友友们,咨询下有关flame spray prolysis
fourze
火焰喷雾热解在催化反应中的应用
催化
400
8
大家好,我想问一下谁有靠谱些的配标准气的渠道?
葭葭gsj
需要一些C6~C9芳烃,以及C1~C6烯烃和烷烃的标准气~非常感谢大家~
催化
300
6
酶-金属级联反应的问题:关于TMB测定葡萄糖浓度的问题?一直不变色??
cqq233
本人在做酶-金属级联反应的实验:具体是通过葡萄糖氧化酶催化葡萄糖分解产生过氧化氢,然后用四氧化三铁催化过氧化氢分解,过氧化氢分解产生的羟基自由基可以使TMB氧化变成蓝色。分别做这两步都没问题,但一做级联反应,TMB就不显色!有没有遇到相同问题的大佬呀?求解答?...
催化
300
6
请问有没有人做过MOFs节点相关的计算
泰戈尔钱
可以评论或者私信先接触下,如果可以算的话,付费或者合作都可以~身边有认识做计算的,也可以帮我推荐下,感谢了~~[Lasteditedby泰戈尔钱on2021-7-6at21:44]
催化
3050
61
光催化 异质结
786996314
各位大佬,如何确定光催化反应中异质结的类型?
催化
350
7
泡沫金属(镍)如何竖直插入水热釜
gsx123888
看文献上好多说泡沫金属竖直插入水热釜使水热更加均匀如何做到的是借助了什么样的工具吗?求帮助解答谢谢!
催化
1200
24
管式炉,氢气还原
dss198
要做还原实验,氢气和甲烷通入管式炉,石英管,温度800-900度,氢气流量150ml/min,危险吗?怎么避免危险
催化
300
6
借板块招聘多孔材料合成及加工人员
fanash
[交流]招多孔材料合成、加工及胶粘剂方向的材料工程师--南京具体工作地点:南京薪金:15k/月,具体待定学历和研究方向:材料合成与加工招聘岗位:材料/工艺工程师公司名称:瑞声科技公司网址:'www.aactechnologies.com'联系方式:'fanas...
催化
450
9
异质结制备及降解效果
鳕鱼*喵
为什么文献里氮化碳和钨酸铋做异质结效果很显著,但是我做出来的异质结跟钨酸铋和氮化碳单独一种材料的效果差不多呢
催化
150
3
泡沫镍做电催化电极材料
小兰陵
最近看到泡沫镍挺好,性能也不错,但是怎么应用在电催化合成氨上那,一般电催化合成氨电极材料需要配成溶液然后滴到碳纸上,但是泡沫镍那么硬,是有方法能够使泡沫镍溶解在溶液里吗,还是说不用碳纸了
催化
400
8
zif碳化后形貌为什么保留不住
王梦琪1217
我想问一下,就是为什么我做的co,zn-ZIF,一碳化形貌就全变了呢
催化
700
14
做金属团簇催化有前途吗
ciel416
这个领域被开发的怎么样呢
催化
200
4
求个NO氧化的标准催化曲线
自助餐战斗机
rt,求一个NO氧化为NO2的理论标准曲线,谢谢。
催化
400
8
关于等体积浸渍法的请教
lxe632
我不是学材料和化学方面的,所以对等体积浸渍不太了解,请教各位大神一下!!!我在用去离子水测得载体吸水率之后,比如10g载体的吸水率是11g,那我等体积法中需要加入的溶液量是金属材料+去离子水等于11g,还是说溶液中的去离子水就占11g呢?
催化
150
3
求有关TiO2-GO相关文献
汤圆巴卜
看热还原的相关文献,发现有人是在N2氛围下500℃下煅烧,得到TiO2-RGO,(不知道该过程是如何将GO还原为RGO的),还有人是在氨气和氩气的气氛中煅烧,得到N掺杂后的TiO2-RGO,有做过这方面研究的吗?跪求分享下将TiO2-GO热还原为TiO2-RG...
催化
800
16
碳材料碳化后xrd显示一个馒头峰 而没有石墨相的碳生成为啥呢
吴斌峰
如题我做的是FeNi负载于掺氮碳基底选择聚多巴胺为碳氮源管式炉中退火看很多文献的合金负载于掺氮碳材料的xrd都是在27度左右有个石墨相的碳峰为啥自己搞不出来
催化
150
3
固定床评价催化剂性能的时候预活化与否有区别吗
四月的云杉
用固定床评价气固相催化的时候,有些文献采用先升温预热的方式预活化,有的没有。我自己做的也没发现多少区别,请问这么做的理由是什么?
催化
450
9
惰性载体表面如何进行官能化
fantas
大家好,有个关于惰性载体修饰的问题,想请教一下大家,主要是我以前也没接触这块,最近才开始思索与调研,但是知之不详,所以想请教一下大家。对于SiO2或者C等,表面有比较丰富的羟基等官能团,但有些载体比如钙钛矿尖晶石等,经过超高温煅烧,表面的官能团极少,因此,如何...
催化
200
4
12795
‹‹
1
2
3
4
5
6
››
... 427
板块导航
网络生活
育儿交流
健康生活
有奖问答
资源共享
课件资源
试题资源
化学化工
有机
高分子
无机物化
分析
催化
工艺技术
化工设备
化工
精细化工
电化学
环境
专业学科
机械
物理
数学
农林
食品
地学
能源
信息科学
理工农林
科研生活
博后之家
专业外语
外语学习
导师招生
找工作
招聘信息
考研
考博
公务员
生物医药
新药研发
药学
药品生产
分子生物
微生物
动植物
生物科学
医学
材料
材料
材料工程
微米纳米
晶体
金属
非金属
生物材料
功能材料
复合材料
计算模拟
第一原理
量子化学
计算模拟
分子模拟
仿真模拟
程序语言
学术交流
论文投稿
基金申请
学术会议
出国留学
留学生活
公派出国
访问学者
海外博后
留学DIY
签证指南
出国考试
海外院所
注册执考
化工工程师
执业药师
执业医师
环境工程师
会计师
注册考试
24小时热帖
换一批
写了一篇“相变储能技术在冷库中应用”的论文,论文内容以实验为主,投什么期刊合适?
6
带资进组求博导收留
10
最近几年招的学生写论文不引自己组发的文章
11
需要合成515-64-0,50g,能接单的留言
3
中科院杭州医学所招收博士生一名(生物分析化学、药物递送)
3
应助之星
sinubi
+关注
bobvan
+关注
北京莱茵润色
+关注
下载小木虫APP
与700万科研达人随时交流
二维码
IOS
安卓
欢迎监督和反馈
:小木虫仅提供交流平台,不对该内容负责。
欢迎协助我们监督管理,共同维护互联网健康,违规贴举报删除请联系邮箱:xiaomuchong@tal.com
(点此查看侵权举报方式)
我们保证在7个工作日内给予处理和答复,谢谢您的监督。
©2001-2025 muchong.com,小木虫
京ICP备16008351号
京公网安备 11010802022153号
Copyright © 2001-2025 muchong.com, All Rights Reserved. 小木虫 版权所有