小木虫
登陆
|
注册
首页
导读
期刊
发现
社区
招聘老师
当前位置:
小木虫首页
>> 考研
一般院校全日制or985非全
随心流浪
刚考完研,一志愿985院校,只可惜差了几分,现在一直在看调剂,可是到底是调剂一个211或者普通院校全日制呢,还是调一个985非全,真的好心烦纠结
考研
700
14
【上海大学高分子】想问下课本
SCHOOlCH
想问一下【上海大学】【高分子物理与化学】方向中的专业课课本【物理化学】是黄色封皮的这本吗?感谢大家。
考研
550
11
重大土木工程学硕351分,求调剂
huanneu
重大土木工程学硕351分,求调剂,2014年毕业于本科东北大学
考研
250
5
情报学求调剂~
aliicong
原报考郑州大学情报学专业初试384分求调剂啊
考研
250
5
求告知华农的生物化学与分子生物学用的是哪一本教材
王爱橘子
求告知华农的生物化学与分子生物学用的是哪一本教材
考研
250
5
求调剂,310,第一志愿:上海交通大学,电子信息与电气工程学院,计算机科学与技术,学硕
stfwmx
本人是2013年毕业于,本科专业是信息与计算科学+软件工程(数学+软件,双专业双学位)。2016年,辞职备考。今年考研分数为310(考试内容为:政治,英语一,数学一,计算机综合_408)。有4年IT相关(主要有数据采集加工,数据分析,数据挖掘等数据相关内容和C...
考研
250
5
学硕可以调剂专硕吗?
灵灵狗
报考的是学硕,可以校外调剂到专硕吗?
考研
1250
25
广西师范大学制药工程专硕复试求助
jessie陈
广西师范大学制药工程的复试科目有有机化学实验,难吗?是怎么样的一个形式啊?有广西师范大学化工药院的学长学姐吗?能来解答一下吗?还有复试科目,考试难吗?选哪一科复试比较好呀?科目有无机化学,物理化学,分析化学,求各位小伙伴给点意见
考研
350
7
南京工业大学能源工程与科学学院或者动力与机械学院
观看了如何
求认识南京工业大学的学长或者学姐,有急事想请教。
考研
1000
20
联系导师求朋友们帮忙建议!
onlywish
我在考研初试排名出来后,给一位厉害的导师发了一份邮件,当时老师表示欢迎并说开学见面聊一下,开学时我给老师又发了一份拜访邮件,但老师一直未回,不知何故
考研
1150
23
求调剂 本科为211合肥工业大学 总分309
862807073
求调剂本科为211合肥工业大学总分309想调剂到211985的计算机相关专业
考研
150
3
成绩不上不下能进复试却是排名倒数,怎么办!
HCCIVIL
报考中国海洋大学,招生20人,按照1.3的比例复试,自己刚好26该怎么办!去还是不去,海大复试又很晚,录取不上,几乎没有机会调剂,求助该怎么办?我不知道是调剂还是拼一次
考研
1750
35
一志愿东北大学行政管理 374分
照小漫
一志愿报考东北大学行政管理专业,初试成绩374分,英语70,政治73,专业课一134,专业课二97,求调剂相关信息!!!
考研
250
5
211的小导士带,还是排名200的学校院长带,选哪个?
滨江西路
楼主突发奇想。选哪个?为什么?请大神们赐教
考研
650
13
东北大学理学院力学系招收调剂生
hgy02100856
东北大学理学院力学系招收调剂生调剂需求和提供待遇如下:1.调剂生源必须为985或211国家重点学科高校应届毕业生;报考类型为学术型硕士。2.初试300分以上,单科分数线40,40,60,60。3.主要接收力学相关专业的学生。有意者可以将简历发送至邮箱:'111...
考研
850
17
我表弟考研复试求助
koscielny
我表弟考了286分,报考的郑州大学,不知道有希望没,或者怎么寻求调剂,谢谢大家
考研
150
3
怎么办,老师给我发邮件,结果我回了一个很蠢的邮件,哭晕
平西00
怎么办,今天给一位老师发邮件,老师回我说他在另外一个医院工作了,问我愿不愿意去那个医院,结果我直接问老师“您是不是某某专业的专硕”,怎么办,虽然后来又补救,但是感觉还不如不说话,怎么办,江湖救急呀!
考研
350
7
本科期间成绩优异,多次获得奖学金,有读博想法,本科为双非,希望可以进一个211
依依怡999
315求调剂
考研
500
10
希望可以调剂到岩土或者地质工程
紫色冰雨
在大学三年里,多次参与学校组织的各类科技竞赛并取得了优异成绩。在大一暑假里曾跟着班主任张小东教授参与华北油田项目,学到了许多专业前沿知识。在16-17学年里自己担任能源学院科创中心主任,协助并参与学校及学院组织各类科技竞赛,多次获得校及学院“先进个人”及“优秀...
考研
200
4
求助:有没有南京师范大学生物学专业的研究生学姐学长
想大大爱学习
想要一本《细胞生物学》,翟中和著,2011版和一本《细胞生物学精要》曹祥荣著,2011版小白一名,真心求书!!可以的话,微信支付宝转账都行!
考研
300
6
调剂学校复试比一志愿早怎么办
QiSong_h
本人双非一本,报考某985排名比较靠后但是应该能去复试,之前申请了山东大学某偏门专业吧,很意外老师给了复试的机会!但是看往年复试时间要比一志愿早,请问会影响一志愿的复试和录取吗?相对来说更想去一志愿但是山大的复试机会也很难得,求助!
考研
650
13
求调剂,求合适的学校
莱卓君
环境科学与工程总299,英一61,政治70,数二63,专业课(微生物+环境化学)105
考研
150
3
359西交电气工程专硕求调剂
电气359
359西交电气工程专硕求调剂
考研
150
3
风景园林354调剂!
曹娜
风园354分可以调到哪里?有小伙伴推荐一下吗?专硕是不是不可以调学硕???
考研
950
19
政治66英语64无机91有机93总分314求调剂
白白能考上
政治66英语64无机91有机93总分314求调剂
考研
350
7
长安大学测控技术与仪器考研
liwotorie
想知道本专业可以考的专业,一般考的专业和学校,该怎么复习比较好,基础比较差该怎么复习
考研
400
8
求助自动控制原理题目解答
kayerong
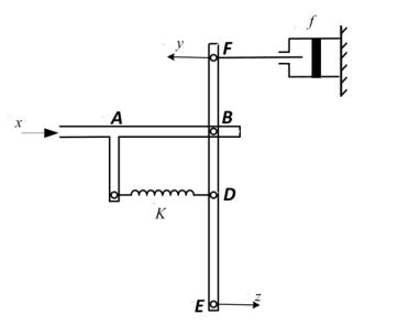
如下图所示,连杆AB在箭头所示方向作出前进位移X,连杆末端装有可绕轴B旋转的杠杆。阻尼器活塞接在杠杆上端F上。杠杆的D点用弹簧与连杆AB联接,以X为输入,Z为输出,求此环...
考研
650
13
请各位帮我分析去哪个学校更好!
小小autum
本人今年考研。考的是化工类的专业。但是一志愿报的学校分数线太高,果断选择放弃继续复习复试,转而现在一直在看学校准备调剂。本人是江浙这边的人。所以不打算出包邮区。现在有看到上海应用技术大学的化工在招,了解之后觉得还行。就是地理位置太过太过偏!!还有一所是浙江理工...
考研
750
15
终于有导师给回邮件了
wbt911
调剂好烦。。发了好多好多邮件终于收到一个回复!虽然没什么用,但是心里还是暖暖的,起码发邮件是可以被看到的。。
考研
1350
27
美术专硕,b区求调剂名额
学员Bz7GRF
英语有点小小遗憾,还好有专业课
考研
200
4
46217
1 ...
‹‹
730
731
732
733
734
735
››
... 1541
板块导航
网络生活
育儿交流
健康生活
有奖问答
资源共享
课件资源
试题资源
化学化工
有机
高分子
无机物化
分析
催化
工艺技术
化工设备
化工
精细化工
电化学
环境
专业学科
机械
物理
数学
农林
食品
地学
能源
信息科学
理工农林
科研生活
博后之家
专业外语
外语学习
导师招生
找工作
招聘信息
考研
考博
公务员
生物医药
新药研发
药学
药品生产
分子生物
微生物
动植物
生物科学
医学
材料
材料
材料工程
微米纳米
晶体
金属
非金属
生物材料
功能材料
复合材料
计算模拟
第一原理
量子化学
计算模拟
分子模拟
仿真模拟
程序语言
学术交流
论文投稿
基金申请
学术会议
出国留学
留学生活
公派出国
访问学者
海外博后
留学DIY
签证指南
出国考试
海外院所
注册执考
化工工程师
执业药师
执业医师
环境工程师
会计师
注册考试
24小时热帖
换一批
今年春晚有几个节目很不错,点赞!
12
情人节自我反思:在爱情中有过遗憾吗?
13
体制内长辈说体制内绝大部分一辈子在底层,如同你们一样大部分普通教师忙且收入低
12
过年走亲戚时感受到了所开私家车的鄙视链
9
基金正文30页指的是报告正文还是整个申请书
5
应助之星
下载小木虫APP
与700万科研达人随时交流
二维码
IOS
安卓
欢迎监督和反馈
:小木虫仅提供交流平台,不对该内容负责。
欢迎协助我们监督管理,共同维护互联网健康,违规贴举报删除请联系邮箱:xiaomuchong@tal.com
(点此查看侵权举报方式)
我们保证在7个工作日内给予处理和答复,谢谢您的监督。
©2001-2026 muchong.com,小木虫
京ICP备16008351号
京公网安备 11010802022153号
Copyright © 2001-2026 muchong.com, All Rights Reserved. 小木虫 版权所有