请教大神图片中能否看出晶格畸变或者位错信息
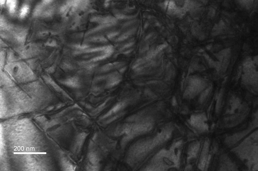
电镜小白,请教大神如图高分辨TEM照片,能否看出晶格畸变或者位错等信息,或者其它有用的信息。样品为长出的单晶样品,该图1是001面的高分辨,XRD结果显示峰很宽,分析可能存在晶格畸变,图2中黑色条纹能否说明是位错或者其它缺陷?请懂的大神告知,不胜感激!

1.jpg

2.jpg
返回小木虫查看更多
今日热帖
电镜小白,请教大神如图高分辨TEM照片,能否看出晶格畸变或者位错等信息,或者其它有用的信息。样品为长出的单晶样品,该图1是001面的高分辨,XRD结果显示峰很宽,分析可能存在晶格畸变,图2中黑色条纹能否说明是位错或者其它缺陷?请懂的大神告知,不胜感激!

1.jpg

2.jpg
返回小木虫查看更多
如果是fcc观察位错要在110晶带轴
从图1看起来是有disorder存在
非常感谢,可否再具体一点
,