24СʱÈÈÃŰæ¿éÅÅÐаñ    

±±¾©Ê¯ÓÍ»¯¹¤Ñ§Ôº2026ÄêÑо¿ÉúÕÐÉú½ÓÊÕµ÷¼Á¹«¸æ
²é¿´: 10908  |  »Ø¸´: 2

wuhao1491

гæ (³õÈëÎÄ̳)

[ÇóÖú] simulinkÖÐ״̬¿Õ¼äÄ£¿éÈçºÎÊäÈë±ä²ÎÊý

ÓÃsimulink´îÁËÒ»¸öÄ£ÐÍ£¬ÆäÖеÄ״̬¿Õ¼äÖÐA£¬BÁ½¸ö²ÎÊýÊǺÍÊäÈëÓйصıäÁ¿£¬µ±ÊäÈë·¢Éú±ä»¯£¬A£¬BÒ²»á·¢Éú±ä»¯£¬ÈçºÎʵÏÖÕâ¸ö¹¦ÄÜÄØ£¿

simulinkÖÐ״̬¿Õ¼äÄ£¿éÈçºÎÊäÈë±ä²ÎÊý
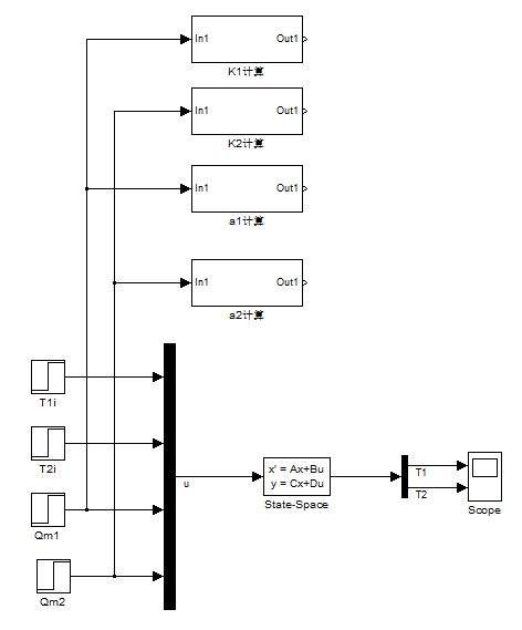
ÓÐËĸöÊäÈ루T1i,T2i,Qm1,Qm2£©£¬Í¬Ê±¸ù¾ÝËĸöÊäÈë¼ÆËã³öËĸö²ÎÊý£¨K1£¬K2£¬a1£¬a2£©


simulinkÖÐ״̬¿Õ¼äÄ£¿éÈçºÎÊäÈë±ä²ÎÊý-1
״̬¿Õ¼ä²ÎÊýÉèÖÃÖУ¬AºÍB¶¼ÓëK1£¬K2£¬a1£¬a2ÓйØ
»Ø¸´´ËÂ¥

» ²ÂÄãϲ»¶

» ±¾Ö÷ÌâÏà¹Ø¼ÛÖµÌùÍÆ¼ö£¬¶ÔÄúͬÑùÓаïÖú:

ÒÑÔÄ   »Ø¸´´ËÂ¥   ¹Ø×¢TA ¸øTA·¢ÏûÏ¢ ËÍTAºì»¨ TAµÄ»ØÌû

ÐűËÄÏɽ

ľ³æ (ÖøÃûдÊÖ)

State SpaceÄ£ÐÍʱLTI£¬Ó¦¸Ã²»ÄÜʱ±ä°É
2Â¥2015-07-14 23:34:43
ÒÑÔÄ   »Ø¸´´ËÂ¥   ¹Ø×¢TA ¸øTA·¢ÏûÏ¢ ËÍTAºì»¨ TAµÄ»ØÌû

wuhao1491

гæ (³õÈëÎÄ̳)

ÒýÓûØÌû:
2Â¥: Originally posted by ÐűËÄÏɽ at 2015-07-14 23:34:43
State SpaceÄ£ÐÍʱLTI£¬Ó¦¸Ã²»ÄÜʱ±ä°É

Êǵģ¬ÎÒ·¢ÏÖÊÇÕâÑùµÄ£¬ÏëҪʵÏÖÕâ¸ö¹¦ÄÜ¿ÉÄÜÖ»ÄÜÓÃs-functionÁË
3Â¥2015-08-07 13:16:35
ÒÑÔÄ   »Ø¸´´ËÂ¥   ¹Ø×¢TA ¸øTA·¢ÏûÏ¢ ËÍTAºì»¨ TAµÄ»ØÌû
Ïà¹Ø°æ¿éÌø×ª ÎÒÒª¶©ÔÄÂ¥Ö÷ wuhao1491 µÄÖ÷Ìâ¸üÐÂ
×î¾ßÈËÆøÈÈÌûÍÆ¼ö [²é¿´È«²¿] ×÷Õß »Ø/¿´ ×îºó·¢±í
[¿¼ÑÐ] 0710ÉúÎïѧ336·ÖÇóµ÷¼Á +5 kiyy 2026-04-01 5/250 2026-04-03 21:35 by kk112233
[¿¼ÑÐ] 301Çóµ÷¼Á +14 A_JiXing 2026-04-01 14/700 2026-04-03 18:31 by lsÁõ˧
[¿¼ÑÐ] ¿¼Ñе÷¼Á +8 ²»°®ºÈÒûÁÏ 2026-04-03 8/400 2026-04-03 16:40 by Mistake-J
[¿¼ÑÐ] 081200-11408-276ѧ˶Çóµ÷¼Á +5 ´Þwj 2026-04-03 5/250 2026-04-03 15:06 by arrow8852
[¿¼ÑÐ] 296²ÄÁÏר˶Çóµ÷¼Á +20 202451007219 2026-04-02 21/1050 2026-04-03 11:15 by wangjy2002
[»ù½ðÉêÇë] ÇëÎʹ²Í¬Í¨Ñ¶ºÍ¹²Í¬Ò»×÷µÄÈϿɶÈÎÊÌâ 10+4 psa1234 2026-04-01 10/500 2026-04-03 11:08 by Kittylucky
[¿¼ÑÐ] 311Çóµ÷¼ÁÒ»Ö¾Ô¸ºÏ·Ê¹¤Òµ´óѧ +15 Çï¶þÊ®¶þ 2026-03-30 15/750 2026-04-03 10:19 by linyelide
[¿¼ÑÐ] 366Çóµ÷¼ÁÒ»Ö¾Ô¸¶«±±´óѧ +8 ÔËÆøÀ´µÃÈôÓÐËÆÎ 2026-04-02 8/400 2026-04-02 21:39 by dongzh2009
[¿¼ÑÐ] 285Çóµ÷¼Á +14 AZMK 2026-04-02 14/700 2026-04-02 15:54 by ÉϾÅÌìÀ¿Ô£¨ºÃÔ
[¿¼ÑÐ] Ò»Ö¾Ô¸Ö£´ó²ÄÁϹ¤³Ì290Çóµ÷¼Á +20 Youth_ 2026-03-30 20/1000 2026-04-02 14:48 by 5896
[¿¼ÑÐ] Ò»Ö¾Ô¸±±¾©¿Æ¼¼£¬085601×Ü·Ö305Çóµ÷¼Á +9 °ëÉú¹Ï£¡ 2026-04-01 11/550 2026-04-02 08:28 by Wang200018
[¿¼ÑÐ] ²ÄÁϵ÷¼Á +14 Ò»ÑùYWY 2026-04-01 14/700 2026-04-01 21:07 by lijunpoly
[¿¼ÑÐ] 284Çóµ÷¼Á +12 СÐÜ¡«¡« 2026-03-31 12/600 2026-04-01 20:23 by »¨??
[¿¼ÑÐ] »¯Ñ§0703 µ÷¼Á 306·Ö Ò»Ö¾Ô¸211 +12 26ÒªÉϰ¶ 2026-03-28 12/600 2026-04-01 11:10 by chemdavid
[¿¼ÑÐ] Ò»Ö¾Ô¸Î÷½»´ó080500²ÄÁÏѧ˶349 +6 jqx1258 2026-03-31 7/350 2026-03-31 21:08 by yuq
[¿¼ÑÐ] ²ÄÁÏ¿ÆÑ§Ó빤³ÌÇóµ÷¼Á +13 ÉîVËÞÉá°É 2026-03-29 13/650 2026-03-31 19:50 by Dyhoer
[¿¼ÑÐ] 318Çóµ÷¼Á +10 ³Â³¿79 2026-03-30 10/500 2026-03-31 17:37 by 544594351
[¿¼ÑÐ] Çóµ÷¼Á ÉúÎïѧ 377·Ö +6 zzll03 2026-03-31 6/300 2026-03-31 17:33 by ÌÆãå¶ù
[¿¼ÑÐ] 356Çóµ÷¼Á +4 gysy?s?a 2026-03-28 4/200 2026-03-29 10:32 by ÌÆãå¶ù
[¿¼ÑÐ] 085405 ¿¼µÄ11408Çó¸÷λÀÏʦ´ø×ß +3 Qiuѧing 2026-03-28 3/150 2026-03-28 09:19 by ÀֺǺǵÄ×·ÃÎÈË
ÐÅÏ¢Ìáʾ
ÇëÌî´¦ÀíÒâ¼û