24СʱÈÈÃŰæ¿éÅÅÐаñ    

Znn3bq.jpeg
²é¿´: 2346  |  »Ø¸´: 10

MrZachary

Òø³æ (ÕýʽдÊÖ)

[½»Á÷] ¿Õ¼ä״̬ģÐÍÔÚMATLABÀïµÄ±íʾ£¿ ÒÑÓÐ4È˲ÎÓë

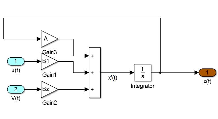
ÈçͼËùʾµÄ¿Õ¼ä״̬ģÐÍÔÚMATLABÀïÃæÔõô±íÊ¾ÄØ£¿Ð»Ð»¸øÎ»´óÉñÁË¡£¡£¡£

¿Õ¼ä״̬ģÐÍÔÚMATLABÀïµÄ±íʾ£¿
state-space model.png


¿Õ¼ä״̬ģÐÍÔÚMATLABÀïµÄ±íʾ£¿-1
state-space model.png
»Ø¸´´ËÂ¥

» ²ÂÄãϲ»¶

» ±¾Ö÷ÌâÏà¹Ø¼ÛÖµÌùÍÆ¼ö£¬¶ÔÄúͬÑùÓаïÖú:

½ß¾¡È«Á¦Æ´¹ý³Ì£¬ÎÊÐÄÎÞÀ¢¿´½á¹û
ÒÑÔÄ   »Ø¸´´ËÂ¥   ¹Ø×¢TA ¸øTA·¢ÏûÏ¢ ËÍTAºì»¨ TAµÄ»ØÌû
»ØÌûÖ§³Ö ( ÏÔʾ֧³Ö¶È×î¸ßµÄǰ 50 Ãû )

³æcc

ľ³æ (СÓÐÃûÆø)

¡ï
Сľ³æ: ½ð±Ò+0.5, ¸ø¸öºì°ü£¬Ð»Ð»»ØÌû
¿Õ¼ä״̬ģÐÍÔÚMATLABÀïµÄ±íʾ£¿-2

¼òµ¥Ò»µã¿ÉÒÔÕâÑù½¨£¬¾ØÕómÎļþ¸³Öµ¡£
Èç¹û°ÑA BµÄ¾ØÕóÀïµÄÔªËØÒ²ÁнøÀ´¾ÍÊǰѾØÕó³Ë¿ª£¬ÔÙ¼ÓÆðÀ´£¬Ë¼Â·Ò»Ñù¡£

» ±¾ÌûÒÑ»ñµÃµÄºì»¨£¨×îÐÂ10¶ä£©

7Â¥2014-05-11 13:54:46
ÒÑÔÄ   »Ø¸´´ËÂ¥   ¹Ø×¢TA ¸øTA·¢ÏûÏ¢ ËÍTAºì»¨ TAµÄ»ØÌû
ÆÕͨ»ØÌû

ÐűËÄÏɽ

ľ³æ (ÖøÃûдÊÖ)

¡ï
Сľ³æ: ½ð±Ò+0.5, ¸ø¸öºì°ü£¬Ð»Ð»»ØÌû
Ö±½Ó°ÑABCD¶¨Òå³öÀ´£¨¾ÍÊǸ³Öµ£¬A=...£¬B=...µÈ£©
È»ºósys=ss£¨A,B,C,D£©¾Í¿ÉÒÔÁË¡£
2Â¥2014-05-05 00:57:24
ÒÑÔÄ   »Ø¸´´ËÂ¥   ¹Ø×¢TA ¸øTA·¢ÏûÏ¢ ËÍTAºì»¨ TAµÄ»ØÌû

MrZachary

Òø³æ (ÕýʽдÊÖ)

ÒýÓûØÌû:
2Â¥: Originally posted by ÐűËÄÏɽ at 2014-05-05 00:57:24
Ö±½Ó°ÑABCD¶¨Òå³öÀ´£¨¾ÍÊǸ³Öµ£¬A=...£¬B=...µÈ£©
È»ºósys=ss£¨A,B,C,D£©¾Í¿ÉÒÔÁË¡£

ÏÈллÄã°¡~
²»¹ýÄãÉÏÃæËµµÄÕâÖÖµÄÎÒ»á
¿ÉÊÇÏÖÔÚ³ýÁËA,B,C,DÓÖ¶à³öÀ´Á˸öB2£¬ÕâºÃÏñ¡£¡£¡£
½ß¾¡È«Á¦Æ´¹ý³Ì£¬ÎÊÐÄÎÞÀ¢¿´½á¹û
3Â¥2014-05-05 16:07:06
ÒÑÔÄ   »Ø¸´´ËÂ¥   ¹Ø×¢TA ¸øTA·¢ÏûÏ¢ ËÍTAºì»¨ TAµÄ»ØÌû

ÖÁÇà´º

гæ (СÓÐÃûÆø)

¡ï
Сľ³æ: ½ð±Ò+0.5, ¸ø¸öºì°ü£¬Ð»Ð»»ØÌû
simulinkÓÐרÃŵÄÄ£¿é
4Â¥2014-05-06 13:02:02
ÒÑÔÄ   »Ø¸´´ËÂ¥   ¹Ø×¢TA ¸øTA·¢ÏûÏ¢ ËÍTAºì»¨ TAµÄ»ØÌû

MrZachary

Òø³æ (ÕýʽдÊÖ)

ÒýÓûØÌû:
4Â¥: Originally posted by ÖÁÇà´º at 2014-05-06 13:02:02
simulinkÓÐרÃŵÄÄ£¿é

Õâ¸öÄܲ»ÄÜÔÙÏêϸµãÄØ£¿
ллÀ²
ÕæµÄºÜ¸Ðл¡«
ÁíÓнð±ÒÏàËÍŶ¡«

[ ·¢×ÔÊÖ»ú°æ http://muchong.com/3g ]
½ß¾¡È«Á¦Æ´¹ý³Ì£¬ÎÊÐÄÎÞÀ¢¿´½á¹û
5Â¥2014-05-06 13:15:21
ÒÑÔÄ   »Ø¸´´ËÂ¥   ¹Ø×¢TA ¸øTA·¢ÏûÏ¢ ËÍTAºì»¨ TAµÄ»ØÌû

ÐűËÄÏɽ

ľ³æ (ÖøÃûдÊÖ)

getDelayModel
6Â¥2014-05-06 22:52:28
ÒÑÔÄ   »Ø¸´´ËÂ¥   ¹Ø×¢TA ¸øTA·¢ÏûÏ¢ ËÍTAºì»¨ TAµÄ»ØÌû

MrZachary

Òø³æ (ÕýʽдÊÖ)

Ëͺ컨һ¶ä
ÒýÓûØÌû:
7Â¥: Originally posted by ³æcc at 2014-05-11 13:54:46
¼òµ¥Ò»µã¿ÉÒÔÕâÑù½¨£¬¾ØÕómÎļþ¸³Öµ¡£
Èç¹û°ÑA BµÄ¾ØÕóÀïµÄÔªËØÒ²ÁнøÀ´¾ÍÊǰѾØÕó³Ë¿ª£¬ÔÙ¼ÓÆðÀ´£¬Ë¼Â·Ò»Ñù¡£

Nice thank you very much

[ ·¢×ÔÊÖ»ú°æ http://muchong.com/3g ]
½ß¾¡È«Á¦Æ´¹ý³Ì£¬ÎÊÐÄÎÞÀ¢¿´½á¹û
8Â¥2014-05-11 21:42:34
ÒÑÔÄ   »Ø¸´´ËÂ¥   ¹Ø×¢TA ¸øTA·¢ÏûÏ¢ ËÍTAºì»¨ TAµÄ»ØÌû

³æcc

ľ³æ (СÓÐÃûÆø)

¡ï
Сľ³æ: ½ð±Ò+0.5, ¸ø¸öºì°ü£¬Ð»Ð»»ØÌû
ÒýÓûØÌû:
8Â¥: Originally posted by MrZachary at 2014-05-11 21:42:34
Nice thank you very much
...

ÒÔǰÎÒÒ²Åöµ½¹ýÕâ¸öÎÊÌ⣬À§»óµÄºÜ¾Ã²ÅŪ¶®£¬Æäʵ»¹ÊÇ״̬¿Õ¼ä·½³ÌµÄÔ­ÀíûÁ˽⡣
9Â¥2014-05-12 10:32:20
ÒÑÔÄ   »Ø¸´´ËÂ¥   ¹Ø×¢TA ¸øTA·¢ÏûÏ¢ ËÍTAºì»¨ TAµÄ»ØÌû

tianxiaolan

гæ (СÓÐÃûÆø)

¡ï
Сľ³æ: ½ð±Ò+0.5, ¸ø¸öºì°ü£¬Ð»Ð»»ØÌû
ÒýÓûØÌû:
7Â¥: Originally posted by ³æcc at 2014-05-11 13:54:46
¼òµ¥Ò»µã¿ÉÒÔÕâÑù½¨£¬¾ØÕómÎļþ¸³Öµ¡£
Èç¹û°ÑA BµÄ¾ØÕóÀïµÄÔªËØÒ²ÁнøÀ´¾ÍÊǰѾØÕó³Ë¿ª£¬ÔÙ¼ÓÆðÀ´£¬Ë¼Â·Ò»Ñù¡£

ÇëÎÊÀëÉ¢µÄÔõÃ´ÅªÄØ£¬´Óx(n+1)µ½x(n)ÊÇÓÃDiscrete Time IntegratorÄ£¿éÂ𣿣¿
À«ÑоýÙâ
10Â¥2016-07-28 10:27:51
ÒÑÔÄ   »Ø¸´´ËÂ¥   ¹Ø×¢TA ¸øTA·¢ÏûÏ¢ ËÍTAºì»¨ TAµÄ»ØÌû
Ïà¹Ø°æ¿éÌø×ª ÎÒÒª¶©ÔÄÂ¥Ö÷ MrZachary µÄÖ÷Ìâ¸üÐÂ
×î¾ßÈËÆøÈÈÌûÍÆ¼ö [²é¿´È«²¿] ×÷Õß »Ø/¿´ ×îºó·¢±í
[¿¼ÑÐ] 290µ÷¼ÁÉúÎï0860 +27 ÍÛ¹þ¹þ£¬¡£ 2026-04-11 30/1500 2026-04-12 21:40 by ѧzh
[¿¼ÑÐ] 310Çóµ÷¼Á +13 666ÕæºÃ 2026-04-11 14/700 2026-04-12 16:48 by 1005715100
[¿¼ÑÐ] Ò»Ö¾Ô¸Ö£ÖÝ´óѧ 22408 305·ÖÇóµ÷¼Á +5 °²Ð¡Âúzzz 2026-04-08 5/250 2026-04-12 00:41 by À¶ÔÆË¼Óê
[¿¼ÑÐ] 22408µ÷¼Á315·Ö +3 zhuangyan123 2026-04-09 3/150 2026-04-12 00:25 by À¶ÔÆË¼Óê
[¿¼ÑÐ] µ÷¼Á +10 Ö»ÐðÀë±ð´Ç 2026-04-09 12/600 2026-04-11 20:57 by ÄæË®³Ë·ç
[¿¼ÑÐ] 303Çóµ÷¼Á +14 SereinQ 2026-04-10 15/750 2026-04-11 20:43 by À¶ÔÆË¼Óê
[¿¼ÑÐ] 288Çóµ÷¼Á +15 ´úfish 2026-04-09 16/800 2026-04-11 10:26 by wwj2530616
[¿¼ÑÐ] 346£¬¹¤¿ÆÇóµ÷¼Á +3 moser233 2026-04-09 3/150 2026-04-11 10:04 by zhq0425
[¿¼ÑÐ] ²ÄÁÏÀà284µ÷¼Á +40 Ïë»»ÊÖ»ú²»Ïë½âÊ 2026-04-08 48/2400 2026-04-10 23:28 by 314126402
[¿¼ÑÐ] 263ÄÜÔ´¶¯Á¦×¨Ë¶Çóµ÷¼Á +3 ¼Ó´óºÅ·¹ºÐ´ü 2026-04-10 3/150 2026-04-10 22:23 by 286640313
[»ù½ðÉêÇë] Óб¬ÁÏ£¬Ò»¸öÇàÄê½ÌʦÂô·¿µÃ400Íò£¬È»ºó»»ÁËÒ»¸öËÄÇàñ×Ó +9 babu2015 2026-04-08 9/450 2026-04-10 11:43 by ËÕ¶«ÆÂ¶þÊÀ
[¿¼ÑÐ] Ò»Ö¾Ô¸ÖÐÄÏ´óѧÎïÀíѧ£¬Ó¢Ò»66£¬Çóµ÷¼Á +4 ³¤ÑÌì½ì» 2026-04-08 5/250 2026-04-10 10:31 by Ó±¹û¶ù
[¿¼ÑÐ] Çóµ÷¼Á +11 ôæôæÒ»ÊéÉú 2026-04-09 13/650 2026-04-10 10:27 by liuhuiying09
[¿¼ÑÐ] 085601³õÊÔ330·ÖÕÒµ÷¼Á +10 Á÷ÐÄÄ̻ưül 2026-04-09 10/500 2026-04-10 08:14 by Sammy2
[¿¼ÑÐ] Çóµ÷¼ÁÏ£Íû»¹ÊÇÏ£ÍûÔÚɽºÓËÄÊ¡¸½½ü +3 ¿ìÀÖµÄС°×¸ë 2026-04-05 3/150 2026-04-09 17:36 by wp06
[¿¼ÑÐ] Çó»úеר˶297µÚ¶þÅúµ÷¼Á +5 ʰÆâ12¡£ 2026-04-08 5/250 2026-04-09 16:43 by Ôʵ±ÊʶÈ
[¿¼ÑÐ] Çóµ÷¼Á +13 Æâluck 2026-04-07 13/650 2026-04-08 22:46 by Öí»á·É
[¿¼ÑÐ] 388Çóµ÷¼Á +6 ËÄ´¨ÍõÌÎ 2026-04-07 8/400 2026-04-08 00:17 by JourneyLucky
[¿¼ÑÐ] 328Çóµ÷¼Á +4 ghhh88888 2026-04-06 5/250 2026-04-07 14:45 by ghhh88888
[¿¼ÑÐ] ÇóÖú +3 ¿¨¿¨¶«88 2026-04-06 4/200 2026-04-06 15:28 by going home
ÐÅÏ¢Ìáʾ
ÇëÌî´¦ÀíÒâ¼û