| ²é¿´: 8444 | »Ø¸´: 14 | ||
[ÇóÖú]
Ôõô¸øsimulink¼ÓÒ»¸ö¸ÉÈÅÐźţ¿±ÈÈç¼ÓÒ»¸ö½×Ô¾Ðźš£ ÒÑÓÐ1È˲ÎÓë
|
||
| Ôõô¸øsimulink¼ÓÒ»¸ö¸ÉÈÅÐźţ¿¼ÓÔÚ±Õ»··´À¡µÄÄĸöλÖ㿱ÈÈçÔÚt=300sµÄʱºò¼ÓÈ룬¶øÇÒÖ»ÐèÒª¼ÓÈ뼸ÃëÖÓµÄʱ¼ä¾Í¿ÉÒÔÁË¡£ |
» ²ÂÄãϲ»¶
²ÄÁÏ¿ÆÑ§Ó빤³Ì320Çóµ÷¼Á£¬080500
ÒѾÓÐ11È˻ظ´
368»¯Ñ§Çóµ÷¼Á
ÒѾÓÐ6È˻ظ´
0703»¯Ñ§µ÷¼Á 348·Ö
ÒѾÓÐ14È˻ظ´
347²ÄÁÏר˶Çóµ÷¼Á
ÒѾÓÐ17È˻ظ´
Ò»Ö¾Ô¸¹þ¹¤´ó£¬³õÊÔ329£¬Çó»·¾³¿ÆÑ§Ó빤³Ìµ÷¼Á£¡
ÒѾÓÐ11È˻ظ´
Ò»Ö¾Ô¸211£¬0703»¯Ñ§305·ÖÇóµ÷¼Á
ÒѾÓÐ20È˻ظ´
0703»¯Ñ§
ÒѾÓÐ30È˻ظ´
277Çóµ÷¼Á
ÒѾÓÐ14È˻ظ´
273Çóµ÷¼Á
ÒѾÓÐ48È˻ظ´
Ò»Ö¾Ô¸»ª¶«Àí¹¤085601²ÄÁϹ¤³Ì303·ÖÇóµ÷¼Á
ÒѾÓÐ13È˻ظ´
sunshine819
½ð³æ (СÓÐÃûÆø)
- Ó¦Öú: 32 (СѧÉú)
- ½ð±Ò: 1170.9
- É¢½ð: 7
- ºì»¨: 2
- Ìû×Ó: 137
- ÔÚÏß: 42.6Сʱ
- ³æºÅ: 2254567
- ×¢²á: 2013-01-22
- ÐÔ±ð: GG
- רҵ: ¿ØÖÆÀíÂÛÓë·½·¨
¡¾´ð°¸¡¿Ó¦Öú»ØÌû
|
¾ÍÊÇSimulink>Sources>ÖÐÓÐÒ»¸öClock£¬ËûÊÇÒýÈë·ÂÕæÊ±¼äµÄ£¬È»ºóÄã¼ÓÒ»¸öÓÃÓÚʹÄܵÄSubsystem£¬Õâ¸ösubsystemÀïÃæÓÐÄãÆÚÍûµÄ¸ÉÈÅÐźţ¬¾Í¿ÉÒÔÁË |

5Â¥2013-11-19 12:37:54
sunshine819
½ð³æ (СÓÐÃûÆø)
- Ó¦Öú: 32 (СѧÉú)
- ½ð±Ò: 1170.9
- É¢½ð: 7
- ºì»¨: 2
- Ìû×Ó: 137
- ÔÚÏß: 42.6Сʱ
- ³æºÅ: 2254567
- ×¢²á: 2013-01-22
- ÐÔ±ð: GG
- רҵ: ¿ØÖÆÀíÂÛÓë·½·¨

7Â¥2013-11-19 19:29:22
|
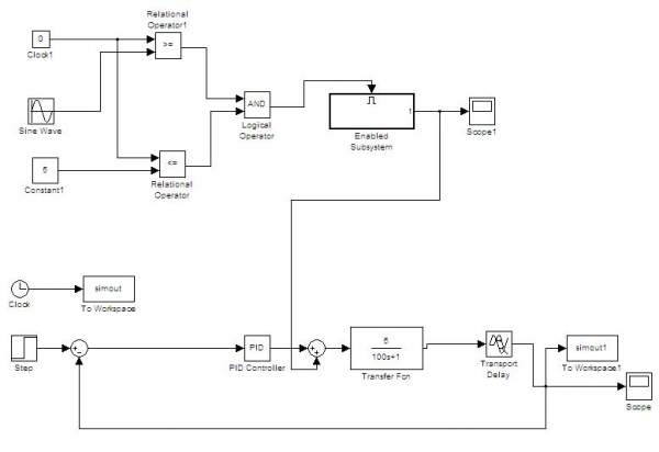
ÀïÃæËÆºõûÓÐÉ趨ÔÚij¸öʱ¼ä¼ÙÈç¸ÉÈŲ¢ÇÒÉ趨¸ÉÈŵÄʱ¼ä¡£ÎÒ°ÑÎÒµÄͼ¸úÄã¸øÎÒ½²µÄ»ÔÚÒ»¿é¡£ÎÒ¾õµÃÊDz»ÊÇEnabled Subsystem ÀïÃæµÄ¸ÉÈÅÐźÅÉèÖôíÁË¡£Âé·³ÄãÁË£¡ pid000.JPG pid111.JPG |
» ±¾Ìû¸½¼þ×ÊÔ´Áбí
-
»¶Ó¼à¶½ºÍ·´À¡£ºÐ¡Ä¾³æ½öÌṩ½»Á÷ƽ̨£¬²»¶Ô¸ÃÄÚÈݸºÔð¡£
±¾ÄÚÈÝÓÉÓû§×ÔÖ÷·¢²¼£¬Èç¹ûÆäÄÚÈÝÉæ¼°µ½ÖªÊ¶²úȨÎÊÌ⣬ÆäÔðÈÎÔÚÓÚÓû§±¾ÈË£¬Èç¶Ô°æÈ¨ÓÐÒìÒ飬ÇëÁªÏµÓÊÏ䣺xiaomuchong@tal.com - ¸½¼þ 1 : zuhe.mdl
2013-11-24 11:09:42, 39.69 K
10Â¥2013-11-24 11:09:48
sunshine819
½ð³æ (СÓÐÃûÆø)
- Ó¦Öú: 32 (СѧÉú)
- ½ð±Ò: 1170.9
- É¢½ð: 7
- ºì»¨: 2
- Ìû×Ó: 137
- ÔÚÏß: 42.6Сʱ
- ³æºÅ: 2254567
- ×¢²á: 2013-01-22
- ÐÔ±ð: GG
- רҵ: ¿ØÖÆÀíÂÛÓë·½·¨
¡¾´ð°¸¡¿Ó¦Öú»ØÌû
¡ï ¡ï ¡ï ¡ï ¡ï ¡ï ¡ï ¡ï ¡ï ¡ï
¸ßÄþÄþ(nono2009´ú·¢): ½ð±Ò+10 2016-03-10 21:55:36
¸ßÄþÄþ(nono2009´ú·¢): ½ð±Ò+10 2016-03-10 21:55:36
|
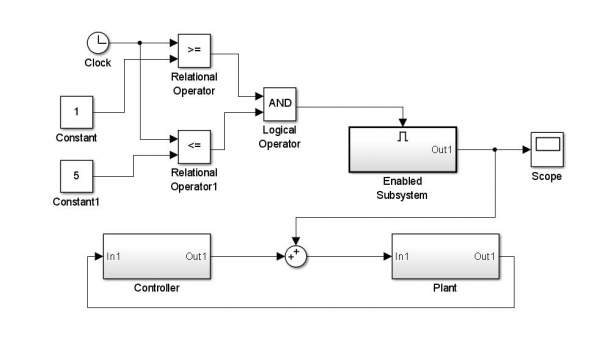
ÎÒ°ÑÈŶ¯¸øÄ㣬plantºÍcontroller ÊÇÄã×Ô¼ºÒª×öµÄ¶«Î÷£¬enabledÀïÃæÒª·Å¸ÉÈÅÐźţ¬ÄãÖ»·ÅÒ»¸ö»ý·ÖÆ÷µ±È»²»ÐУ¬ÎÒ²»ÖªµÀÔõôÍùСľ³æÉÏ·ÅÎļþ£¬Äã¸ø¸öµç×ÓÓÊÏäÎÒ·¢¸øÄ㣬ÁíÍâÎÒµÄmatlabÊÇ2013a£¬·ÂտģÐÍÊÇ.slx¸ñʽµÄ£¬ÄúÄÜ·ñ´ò¿ª£¿ |

11Â¥2013-11-24 22:37:33
sunshine819
½ð³æ (СÓÐÃûÆø)
- Ó¦Öú: 32 (СѧÉú)
- ½ð±Ò: 1170.9
- É¢½ð: 7
- ºì»¨: 2
- Ìû×Ó: 137
- ÔÚÏß: 42.6Сʱ
- ³æºÅ: 2254567
- ×¢²á: 2013-01-22
- ÐÔ±ð: GG
- רҵ: ¿ØÖÆÀíÂÛÓë·½·¨

2Â¥2013-11-18 22:19:22
liuchao0878
ľ³æ (СÓÐÃûÆø)
- Ó¦Öú: 29 (СѧÉú)
- ½ð±Ò: 2691
- É¢½ð: 150
- ºì»¨: 1
- Ìû×Ó: 194
- ÔÚÏß: 410.4Сʱ
- ³æºÅ: 1603636
- ×¢²á: 2012-02-07
- ÐÔ±ð: GG
- רҵ: ¿ØÖÆÀíÂÛÓë·½·¨

3Â¥2013-11-18 23:20:54
4Â¥2013-11-19 09:17:03
6Â¥2013-11-19 16:32:55
8Â¥2013-11-20 22:39:41
9Â¥2013-11-20 22:44:12














»Ø¸´´ËÂ¥