| 查看: 4021 | 回复: 12 | ||
readygoli金虫 (正式写手)
|
[求助]
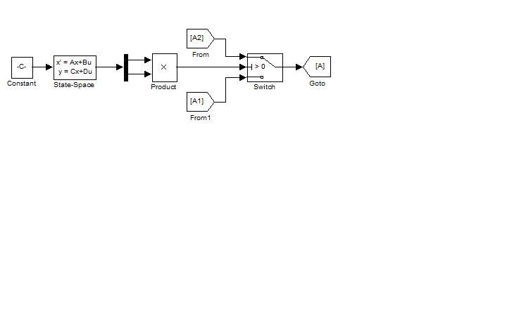
simulink的状态空间模块怎么输入变矩阵
|
|
| simulink的状态空间模块怎么输入变矩阵(A,B,C,D).因为A,B,C,D等都是根据上一次的计算结果比较确定的。 |
» 猜你喜欢
深圳大学2026年秋博士招生-物理学-活性胶体方向-高永祥课题组
已经有18人回复
论物质与能量的统一模型及物理现象解释
已经有0人回复
物理学I论文润色/翻译怎么收费?
已经有117人回复
基于基元I统一理论的数学相关应用推导
已经有0人回复
基元I统一理论:宇宙本质、层级演化与修炼文明的本源规律
已经有1人回复
基元I理论下三大核心空间现象精准推导与细节解析
已经有0人回复
基于基元 I 统一理论的反重力理论推导
已经有0人回复
基于基元I统一理论的量子力学本源推导
已经有1人回复
推荐一款可以AI辅助写作的Latex编辑器SmartLatexEditor,超级好用,AI润色,全免费
已经有20人回复
【EI|Scopus 双检索】第六届智能机器人系统国际会议(ISoIRS 2026)
已经有0人回复
2026年第四届电动车与车辆工程国际会议(CEVVE 2026)
已经有0人回复
» 本主题相关价值贴推荐,对您同样有帮助:
5 RACE inner-PCR电泳结果无条带,是怎么回事?
已经有4人回复
这是我的恋爱测试,超准!我该怎样改变自己?
已经有11人回复
UHMWPE流变曲线的一些解释
已经有11人回复
国内读博与出国想两手准备,我该怎么办?
已经有5人回复
做液相回收率才40% 怎么办???
已经有6人回复
怎么出去苯并咪唑中的水?
已经有10人回复
手性配体空间群怎么定?
已经有8人回复
【求助】请问我优化好了一个分子之后该怎么改变它的坐标方向?
已经有5人回复
投稿被拒了,不甘心想写信给编辑,大家帮我看下该怎么写?
已经有10人回复
【求助】求助simulink累加模块
已经有5人回复
chp_lwx
木虫 (正式写手)
- 应助: 3 (幼儿园)
- 金币: 2569.5
- 红花: 6
- 帖子: 323
- 在线: 218.3小时
- 虫号: 463519
- 注册: 2007-11-20
- 性别: GG
- 专业: 机械动力学
10楼2012-05-30 22:06:58
chp_lwx
木虫 (正式写手)
- 应助: 3 (幼儿园)
- 金币: 2569.5
- 红花: 6
- 帖子: 323
- 在线: 218.3小时
- 虫号: 463519
- 注册: 2007-11-20
- 性别: GG
- 专业: 机械动力学
2楼2012-05-28 11:19:12
readygoli
金虫 (正式写手)
- 应助: 90 (初中生)
- 金币: 2053.4
- 散金: 666
- 红花: 7
- 帖子: 852
- 在线: 171.2小时
- 虫号: 1442902
- 注册: 2011-10-14
- 性别: GG
- 专业: 机械动力学
3楼2012-05-28 11:21:12
chp_lwx
木虫 (正式写手)
- 应助: 3 (幼儿园)
- 金币: 2569.5
- 红花: 6
- 帖子: 323
- 在线: 218.3小时
- 虫号: 463519
- 注册: 2007-11-20
- 性别: GG
- 专业: 机械动力学
4楼2012-05-28 11:22:59
chp_lwx
木虫 (正式写手)
- 应助: 3 (幼儿园)
- 金币: 2569.5
- 红花: 6
- 帖子: 323
- 在线: 218.3小时
- 虫号: 463519
- 注册: 2007-11-20
- 性别: GG
- 专业: 机械动力学
5楼2012-05-28 11:24:33
readygoli
金虫 (正式写手)
- 应助: 90 (初中生)
- 金币: 2053.4
- 散金: 666
- 红花: 7
- 帖子: 852
- 在线: 171.2小时
- 虫号: 1442902
- 注册: 2011-10-14
- 性别: GG
- 专业: 机械动力学
6楼2012-05-28 17:35:41
chp_lwx
木虫 (正式写手)
- 应助: 3 (幼儿园)
- 金币: 2569.5
- 红花: 6
- 帖子: 323
- 在线: 218.3小时
- 虫号: 463519
- 注册: 2007-11-20
- 性别: GG
- 专业: 机械动力学
7楼2012-05-29 09:26:32
chp_lwx
木虫 (正式写手)
- 应助: 3 (幼儿园)
- 金币: 2569.5
- 红花: 6
- 帖子: 323
- 在线: 218.3小时
- 虫号: 463519
- 注册: 2007-11-20
- 性别: GG
- 专业: 机械动力学
8楼2012-05-29 09:27:26
readygoli
金虫 (正式写手)
- 应助: 90 (初中生)
- 金币: 2053.4
- 散金: 666
- 红花: 7
- 帖子: 852
- 在线: 171.2小时
- 虫号: 1442902
- 注册: 2011-10-14
- 性别: GG
- 专业: 机械动力学
9楼2012-05-29 17:13:59













回复此楼