²é¿´: 1162  |  »Ø¸´: 6

vieri1223

гæ (СÓÐÃûÆø)

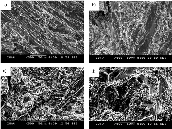
[ÇóÖú] ÇóÖú¸ßÊÖ°ïæ·ÖÎöÏÂÕ⼸¸ö ¶Ï¿Ú£¬Ð»Ð»£¡ ÒÑÓÐ2È˲ÎÓë

ÇóÖú¸ßÊÖ°ïæ·ÖÎöÏÂÕ⼸¸ö¶Ï¿Ú£¬Ð»Ð»°¡

ÇóÖú¸ßÊÖ°ïæ·ÖÎöÏÂÕ⼸¸ö ¶Ï¿Ú£¬Ð»Ð»£¡
ͼƬ1.png
»Ø¸´´ËÂ¥

» ²ÂÄãϲ»¶

» ±¾Ö÷ÌâÏà¹Ø¼ÛÖµÌùÍÆ¼ö£¬¶ÔÄúͬÑùÓаïÖú:

ÒÑÔÄ   »Ø¸´´ËÂ¥   ¹Ø×¢TA ¸øTA·¢ÏûÏ¢ ËÍTAºì»¨ TAµÄ»ØÌû

vieri1223

гæ (СÓÐÃûÆø)

ÊÔÑùΪ¸ß¸õÖýÌú
2Â¥2014-03-17 16:11:18
ÒÑÔÄ   »Ø¸´´ËÂ¥   ¹Ø×¢TA ¸øTA·¢ÏûÏ¢ ËÍTAºì»¨ TAµÄ»ØÌû

steventsu

½ð³æ (СÓÐÃûÆø)

¡¾´ð°¸¡¿Ó¦Öú»ØÌû

¸Ðл²ÎÓ룬ӦÖúÖ¸Êý +1
½»´úһϱ³¾°°¡£¬Õ⼸¸ö¶Ï¿ÚÑùƷ״̬Óкβ»Í¬£¿
¸Ð¾õºóÃæÁ½¸öÈÍÐÔºÃһЩ
3Â¥2014-03-17 22:52:15
ÒÑÔÄ   »Ø¸´´ËÂ¥   ¹Ø×¢TA ¸øTA·¢ÏûÏ¢ ËÍTAºì»¨ TAµÄ»ØÌû

vieri1223

гæ (СÓÐÃûÆø)

ÒýÓûØÌû:
3Â¥: Originally posted by steventsu at 2014-03-17 22:52:15
½»´úһϱ³¾°°¡£¬Õ⼸¸ö¶Ï¿ÚÑùƷ״̬Óкβ»Í¬£¿
¸Ð¾õºóÃæÁ½¸öÈÍÐÔºÃһЩ

²ÉÓõÄÕñ¶¯Ï¸¾§£¬Õñ¶¯ÆµÂÊ·Ö±ðΪ0 10hz 20hz 30hzȷʵӦ¸ÃÊǺóÃæÁ½¸öºÃµã£¬µ«ÊÇÎÒ²»»á˵Ã÷°¡£¬ºóÃæÁ½¸öҲûÓÐÃ÷ÏÔµÄÈÍÎѳöÏÖ£¬¡£
4Â¥2014-03-18 08:13:05
ÒÑÔÄ   »Ø¸´´ËÂ¥   ¹Ø×¢TA ¸øTA·¢ÏûÏ¢ ËÍTAºì»¨ TAµÄ»ØÌû

ÀÏ×Ó¹ýº¯¹È¹Ø

гæ (³õÈëÎÄ̳)

¡¾´ð°¸¡¿Ó¦Öú»ØÌû

¸Ðл²ÎÓ룬ӦÖúÖ¸Êý +1
ǰÁ½¸öÊDz»ÊǵäÐ͵ĺÓÁ÷Ñù¶Ï¿Ú£¬ÊôÓÚµäÐ͵ĴàÐÔ¶ÏÁѰÉ
5Â¥2014-03-18 11:06:24
ÒÑÔÄ   »Ø¸´´ËÂ¥   ¹Ø×¢TA ¸øTA·¢ÏûÏ¢ ËÍTAºì»¨ TAµÄ»ØÌû

vieri1223

гæ (СÓÐÃûÆø)

ÒýÓûØÌû:
5Â¥: Originally posted by ÀÏ×Ó¹ýº¯¹È¹Ø at 2014-03-18 11:06:24
ǰÁ½¸öÊDz»ÊǵäÐ͵ĺÓÁ÷Ñù¶Ï¿Ú£¬ÊôÓÚµäÐ͵ĴàÐÔ¶ÏÁѰÉ

ºóÃæÁ½¸öÄØ£¿Ã»ÓÐÈÍÎѳöÏÖ£¬Ó¦¸ÃÊÇʲô¶ÏÁÑÄØ£¿
6Â¥2014-03-18 14:32:28
ÒÑÔÄ   »Ø¸´´ËÂ¥   ¹Ø×¢TA ¸øTA·¢ÏûÏ¢ ËÍTAºì»¨ TAµÄ»ØÌû

steventsu

½ð³æ (СÓÐÃûÆø)

¡¾´ð°¸¡¿Ó¦Öú»ØÌû

ÒýÓûØÌû:
4Â¥: Originally posted by vieri1223 at 2014-03-18 08:13:05
²ÉÓõÄÕñ¶¯Ï¸¾§£¬Õñ¶¯ÆµÂÊ·Ö±ðΪ0 10hz 20hz 30hzȷʵӦ¸ÃÊǺóÃæÁ½¸öºÃµã£¬µ«ÊÇÎÒ²»»á˵Ã÷°¡£¬ºóÃæÁ½¸öҲûÓÐÃ÷ÏÔµÄÈÍÎѳöÏÖ£¬¡£...

ÎҸоõºóÁ½¸ö¾Ö²¿ÓÐÈÍÎÑÁ˰¡
7Â¥2014-03-18 16:12:37
ÒÑÔÄ   »Ø¸´´ËÂ¥   ¹Ø×¢TA ¸øTA·¢ÏûÏ¢ ËÍTAºì»¨ TAµÄ»ØÌû
Ïà¹Ø°æ¿éÌø×ª ÎÒÒª¶©ÔÄÂ¥Ö÷ vieri1223 µÄÖ÷Ìâ¸üÐÂ
×î¾ßÈËÆøÈÈÌûÍÆ¼ö [²é¿´È«²¿] ×÷Õß »Ø/¿´ ×îºó·¢±í
[¿¼ÑÐ] 321Çóµ÷¼Á +4 ´óÃ×·¹£¡ 2026-03-15 4/200 2026-03-16 08:41 by Linda Hu
[¿¼ÑÐ] »¯Ñ§¹¤³Ì321·ÖÇóµ÷¼Á +6 ´óÃ×·¹£¡ 2026-03-15 6/300 2026-03-16 07:58 by wang_dand
[¿¼ÑÐ] ±¾ÈË¿¼085602 »¯Ñ§¹¤³Ì ר˶ +8 ²»ÖªµÀ½Ðʲô£¡ 2026-03-15 9/450 2026-03-16 07:45 by L135790
[¿¼ÑÐ] 0703 ÎïÀí»¯Ñ§µ÷¼Á +3 ÎÒ¿ÉÒÔÉϰ¶µÄ¶Ô 2026-03-13 3/150 2026-03-15 17:32 by СÎïÀí»¯Ñ§
[¿¼ÑÐ] 294Çóµ÷¼Á +3 Zys010410@ 2026-03-13 4/200 2026-03-15 10:59 by zhq0425
[¿¼ÑÐ] ²ÄÁÏÓ뻯¹¤ 323 Ó¢Ò»+Êý¶þ+Îﻯ£¬Ò»Ö¾Ô¸£º¹þ¹¤´ó ±¾È˱¾¿ÆË«Ò»Á÷ +4 ×ÔÓɵÄ_·ÉÏè 2026-03-13 5/250 2026-03-14 19:39 by hmn_wj
[¿¼ÑÐ] ²ÄÁÏÓ뻯¹¤ һ־Ըɽ´ó 321·Ö Çóµ÷¼Á +7 ÿÌìÉ¢²½ 2026-03-09 8/400 2026-03-14 02:18 by JourneyLucky
[¿¼ÑÐ] 318Çóµ÷¼Á +3 Àîйâ 2026-03-10 3/150 2026-03-14 00:21 by JourneyLucky
[¿¼ÑÐ] 0805£¬333Çóµ÷¼Á +3 112253525 2026-03-10 3/150 2026-03-13 23:42 by JourneyLucky
[¿¼ÑÐ] 341Çóµ÷¼Á +4 ·¬ÇÑÍ·--- 2026-03-10 4/200 2026-03-13 23:12 by JourneyLucky
[¿¼ÑÐ] 329Çóµ÷¼Á +3 miaodesi 2026-03-12 4/200 2026-03-13 20:53 by 18595523086
[¿¼ÑÐ] ÇóbÇøÑ§Ð£µ÷¼Á +3 ÖÜ56 2026-03-11 3/150 2026-03-13 16:20 by JourneyLucky
[¿¼ÑÐ] ²ÄÁÏר˶350 Çóµ÷¼Á +4 Íõ½ð¿Æ 2026-03-12 4/200 2026-03-13 16:02 by ruiyingmiao
[¿¼ÑÐ] Çóµ÷¼Á ×ÊÔ´Óë»·¾³ 285 +3 δÃû¿¼Éú 2026-03-10 3/150 2026-03-13 10:31 by houyaoxu
[¿¼ÑÐ] Ò»Ö¾Ô¸ºÓº£´óѧ085900ÍÁľˮÀûר˶279Çóµ÷¼Á²»Ìôרҵ +4 SunWwWwWw 2026-03-10 8/400 2026-03-13 02:23 by SunWwWwWw
[¿¼²©] ¶Á²©ÉêÇë +5 ¸Ðdd 2026-03-10 7/350 2026-03-11 17:02 by QGZDSYS
[¿¼ÑÐ] Ò»Ö¾Ô¸½­ÄÏ´óѧ085701»·¾³¹¤³Ìר˶×Ü·Ö287Çóµ÷¼Á +5 18266118446 2026-03-09 5/250 2026-03-11 16:51 by 2020015
[¿¼ÑÐ] 279Çóµ÷¼Á +3 Īxiao 2026-03-10 4/200 2026-03-11 08:06 by Õ¶»êµÎÍÃ×Ó£¡
[¿¼²©] 26É격ÇóÖú +3 ÌøÔ¾±ý¸É 2026-03-10 4/200 2026-03-10 21:15 by Tntcnn
[¿¼ÑÐ] Ò»Ö¾Ô¸£ºÎ人Àí¹¤£¬²ÄÁϹ¤³Ì£¬Ó¢¶þÊý¶þ ×Ü·Ö314 +3 2202020125 2026-03-10 4/200 2026-03-10 13:54 by xiongyaxuan
ÐÅÏ¢Ìáʾ
ÇëÌî´¦ÀíÒâ¼û