| 查看: 1275 | 回复: 5 | ||
Reena.Z银虫 (小有名气)
|
[求助]
关于材料断口方面的,恳请大家路过帮忙看看,哪位帮忙解答一下啊,谢谢~~~感激涕零~~ 已有2人参与
|
|
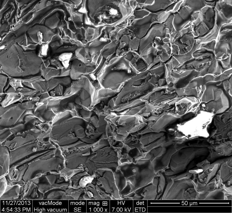
图1、2和3分别为700℃、550℃和常温时的低周疲劳断口,是钛铝合金的,实验是做了但是只知道这些,其他的不懂,恳请各位材料专业人士帮忙分析分析这个断口,谢谢啊~~~~~感激不尽啊~~~~~ 1-001jpg.jpg 3_006.jpg 7_001.jpg |
» 猜你喜欢
酰胺脱乙酰基
已经有12人回复
售SCI一区文章,我:8 O5 51O 54,科目齐全
已经有3人回复
售SCI一区文章,我:8 O5 51O 54,科目齐全
已经有3人回复
同年申请2项不同项目,第1个项目里不写第2个项目的信息,可以吗
已经有4人回复
有时候真觉得大城市人没有县城人甚至个体户幸福
已经有10人回复
天津大学招2026.09的博士生,欢迎大家推荐交流(博导是本人)
已经有5人回复
有院领导为了换新车,用横向课题经费买了俩车
已经有5人回复
CSC & MSCA 博洛尼亚大学能源材料课题组博士/博士后招生|MSCA经费充足、排名优
已经有6人回复
面上项目申报
已经有3人回复
博士延得我,科研能力直往上蹿
已经有7人回复
» 本主题相关商家推荐: (我也要在这里推广)
» 本主题相关价值贴推荐,对您同样有帮助:
请问这个断口是什么断裂?是钛铝合金的,谢谢!
已经有7人回复
请问这个断口属于什么断裂,非常感谢!!!!!
已经有14人回复

peterflyer
木虫之王 (文学泰斗)
peterflyer
- MM-EPI: 2
- 应助: 20282 (院士)
- 金币: 146014
- 红花: 1374
- 帖子: 93091
- 在线: 7694.3小时
- 虫号: 1482829
- 注册: 2011-11-08
- 性别: GG
- 专业: 功能陶瓷
2楼2014-02-27 22:15:32
Reena.Z
银虫 (小有名气)
- 应助: 3 (幼儿园)
- 金币: 345.5
- 散金: 115
- 帖子: 175
- 在线: 38.2小时
- 虫号: 2527037
- 注册: 2013-06-30
- 性别: GG
- 专业: 金属材料的微观结构

3楼2014-02-28 09:32:23
phoenix7573
金虫 (著名写手)
- MM-EPI: 1
- 应助: 231 (大学生)
- 金币: 2224.2
- 散金: 4
- 红花: 35
- 帖子: 1108
- 在线: 484小时
- 虫号: 716092
- 注册: 2009-03-06
- 专业: 金属材料的力学行为
4楼2014-02-28 16:39:34
Reena.Z
银虫 (小有名气)
- 应助: 3 (幼儿园)
- 金币: 345.5
- 散金: 115
- 帖子: 175
- 在线: 38.2小时
- 虫号: 2527037
- 注册: 2013-06-30
- 性别: GG
- 专业: 金属材料的微观结构

5楼2014-03-01 08:31:13
Reena.Z
银虫 (小有名气)
- 应助: 3 (幼儿园)
- 金币: 345.5
- 散金: 115
- 帖子: 175
- 在线: 38.2小时
- 虫号: 2527037
- 注册: 2013-06-30
- 性别: GG
- 专业: 金属材料的微观结构

6楼2014-03-01 08:39:31













回复此楼
Reena.Z