| 查看: 1629 | 回复: 7 | ||
Reena.Z银虫 (小有名气)
|
[求助]
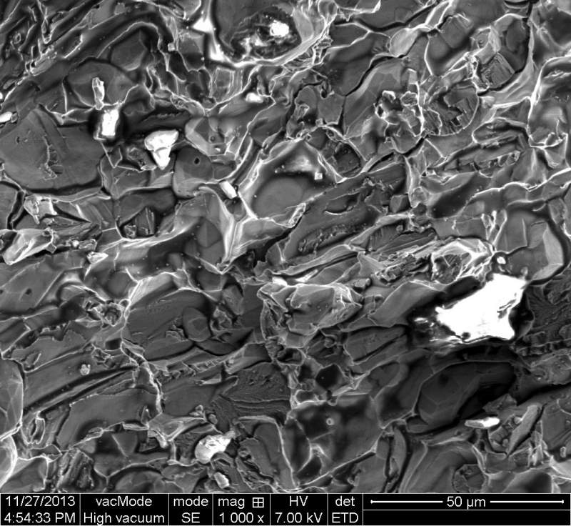
请问这个断口是什么断裂?是钛铝合金的,谢谢!已有2人参与
|
|
求分析一下这个断口机理,是γ钛铝合金的,越详细越好,感激涕零,谢谢谢谢~~~~~ 前两个是断口扫描,后三个是金相,不知这两种一样不一样,不太专业,见笑了~~~~ 3_006.jpg 3_013.jpg 3_副本.jpg 4_副本.jpg 5_副本.jpg |
» 猜你喜欢
Bioresource Technology期刊,第一次返修的时候被退回好几次了
已经有6人回复
2025冷门绝学什么时候出结果
已经有4人回复
真诚求助:手里的省社科项目结项要求主持人一篇中文核心,有什么渠道能发核心吗
已经有8人回复
寻求一种能扛住强氧化性腐蚀性的容器密封件
已经有5人回复
论文投稿,期刊推荐
已经有6人回复
请问哪里可以有青B申请的本子可以借鉴一下。
已经有4人回复
孩子确诊有中度注意力缺陷
已经有14人回复
请问下大家为什么这个铃木偶联几乎不反应呢
已经有5人回复
请问有评职称,把科研教学业绩算分排序的高校吗
已经有5人回复
天津工业大学郑柳春团队欢迎化学化工、高分子化学或有机合成方向的博士生和硕士生加入
已经有4人回复
» 本主题相关价值贴推荐,对您同样有帮助:
求大神帮忙分析以下拉伸断口扫描图片
已经有6人回复
拉伸断口的分析
已经有5人回复
镁铝合金的断口,真是什么断裂,谢谢
已经有6人回复
麻烦大家帮我看下这个断口是不是属于准解理断裂
已经有11人回复
帮忙看一下疲劳断口图片
已经有9人回复
陶瓷材料在什么情况下会有穿晶断裂发生?
已经有13人回复
断口断裂源区分析,求大神~
已经有12人回复
帮忙看下断口形貌
已经有5人回复
疲劳断口分析,求解这是穿晶断裂还是沿晶断裂?是脆性断口??
已经有14人回复
在学术界,合金是否属于金属?谢谢。
已经有9人回复
冲击断口和拉伸断口处的显微组织如何观察
已经有4人回复
问个关于韧窝断口的问题!!
已经有9人回复
(求助)铝合金断口分析
已经有13人回复
钛合金TC4的断口分析
已经有14人回复
请问这个断口属于什么断裂,非常感谢!!!!!
已经有14人回复
求助高手:这两个拉伸断口SEM表征什么断裂模式?
已经有14人回复
铸铁断裂的样怎么做SEM断口分析
已经有4人回复
断裂韧度的断口应该着重分析哪个部分?
已经有11人回复
【求助】请教如何用SEM观察钢解理断口, 找到起裂点的位置?
已经有13人回复
【讨论】金属材料断裂时断口的韧窝尺寸和塑性有什么关系呢
已经有5人回复
【求助】断口分析
已经有10人回复
【求助】断口形貌分析
已经有20人回复

lucifer007
铁杆木虫 (正式写手)
- 应助: 40 (小学生)
- 金币: 6222.7
- 散金: 18
- 红花: 4
- 帖子: 373
- 在线: 79.8小时
- 虫号: 2581759
- 注册: 2013-08-05
- 专业: 金属材料的力学行为
2楼2014-02-20 12:38:45
Reena.Z
银虫 (小有名气)
- 应助: 3 (幼儿园)
- 金币: 345.5
- 散金: 115
- 帖子: 175
- 在线: 38.2小时
- 虫号: 2527037
- 注册: 2013-06-30
- 性别: GG
- 专业: 金属材料的微观结构

3楼2014-02-20 15:20:27
lucifer007
铁杆木虫 (正式写手)
- 应助: 40 (小学生)
- 金币: 6222.7
- 散金: 18
- 红花: 4
- 帖子: 373
- 在线: 79.8小时
- 虫号: 2581759
- 注册: 2013-08-05
- 专业: 金属材料的力学行为
4楼2014-02-20 18:26:56
Reena.Z
银虫 (小有名气)
- 应助: 3 (幼儿园)
- 金币: 345.5
- 散金: 115
- 帖子: 175
- 在线: 38.2小时
- 虫号: 2527037
- 注册: 2013-06-30
- 性别: GG
- 专业: 金属材料的微观结构

5楼2014-02-21 10:31:22
lucifer007
铁杆木虫 (正式写手)
- 应助: 40 (小学生)
- 金币: 6222.7
- 散金: 18
- 红花: 4
- 帖子: 373
- 在线: 79.8小时
- 虫号: 2581759
- 注册: 2013-08-05
- 专业: 金属材料的力学行为
6楼2014-02-21 20:21:14
neuxutiewei
木虫 (著名写手)
- 应助: 19 (小学生)
- 金币: 13058.3
- 散金: 601
- 红花: 10
- 帖子: 1679
- 在线: 528.6小时
- 虫号: 537625
- 注册: 2008-04-01
- 性别: GG
- 专业: 金属材料

7楼2014-02-22 04:46:05
Reena.Z
银虫 (小有名气)
- 应助: 3 (幼儿园)
- 金币: 345.5
- 散金: 115
- 帖子: 175
- 在线: 38.2小时
- 虫号: 2527037
- 注册: 2013-06-30
- 性别: GG
- 专业: 金属材料的微观结构

8楼2014-02-24 09:36:02













回复此楼
Reena.Z