| 查看: 3138 | 回复: 14 | ||
lfq03新虫 (正式写手)
|
[求助]
钛合金TC4的断口分析 已有1人参与
|
|
|
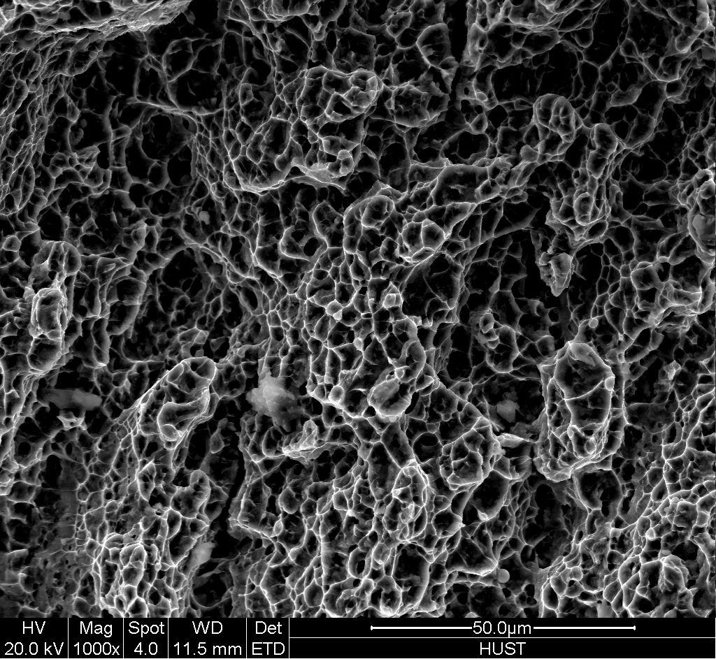
钛合金TC4在准静态下与高应变率的断口SEM图,断裂高应变率下的是45°剪切+韧性断裂(由宏观形貌+韧窝);准静态就是韧性断裂(由宏观形貌+韧窝);请问底下两图可以看出什么区别,比如韧窝深浅等,(有个同学说两个图差不多)求高手指导。 准静态 高应变率 |
» 猜你喜欢
表哥与省会女结婚,父母去帮带孩子被省会女气回家生重病了
已经有6人回复
同年申请2项不同项目,第1个项目里不写第2个项目的信息,可以吗
已经有8人回复
依托企业入选了国家启明计划青年人才。有无高校可以引进的。
已经有7人回复
依托企业入选了国家启明计划青年人才。有无高校可以引进的。
已经有10人回复
天津大学招2026.09的博士生,欢迎大家推荐交流(博导是本人)
已经有9人回复
有院领导为了换新车,用横向课题经费买了俩车
已经有10人回复
AI 太可怕了,写基金时,提出想法,直接生成的文字比自己想得深远,还有科学性
已经有6人回复
酰胺脱乙酰基
已经有13人回复
有时候真觉得大城市人没有县城人甚至个体户幸福
已经有10人回复
» 本主题相关价值贴推荐,对您同样有帮助:
万能的小木虫,哪里能买到钛合金(TC4)的纳米粉?
已经有4人回复
TC4双相钛合金,怎么在透射电镜条件下区别α和β相,跪谢~
已经有11人回复
求教怎么使2mm厚tc4钛合金板材获得等轴细晶粒(现为拉长的晶粒)?
已经有6人回复
TC4腐蚀的问题
已经有10人回复
这个宏观断口怎么分析?
已经有10人回复
韧性断裂韧窝分析
已经有5人回复
拉伸断口SEM分析
已经有13人回复
请问有哪位知道TC4钛合金常规锻造的基本工艺啊
已经有9人回复
钛合金TC4 金相腐蚀
已经有24人回复
通常钛合金TC4测什么硬度?
已经有7人回复
问下大家钛合金TC4洛氏硬度大概有多少?
已经有6人回复
谁有TC4钛合金的相图啊,或者用相图计算软件给我算一下也行啊
已经有6人回复
TC4钛合金板的制造工艺
已经有17人回复
有关TC4钛合金的腐蚀液选择
已经有15人回复
关于TC4钛合金的XRD衍射标定
已经有13人回复
怎么知道TC4-DT钛合金的大角度(15°)晶界能?
已经有8人回复
wangifw
铜虫 (小有名气)
- 应助: 22 (小学生)
- 金币: 736.6
- 散金: 30
- 帖子: 264
- 在线: 75小时
- 虫号: 1476721
- 注册: 2011-11-04
- 性别: GG
- 专业: 金属结构材料

10楼2012-11-22 09:51:58
lfq03
新虫 (正式写手)
- 应助: 4 (幼儿园)
- 金币: 2137.9
- 散金: 408
- 红花: 5
- 帖子: 759
- 在线: 576.5小时
- 虫号: 853305
- 注册: 2009-09-21
- 专业: 零件成形制造
2楼2012-11-21 13:23:55
3楼2012-11-21 15:01:36
wangifw
铜虫 (小有名气)
- 应助: 22 (小学生)
- 金币: 736.6
- 散金: 30
- 帖子: 264
- 在线: 75小时
- 虫号: 1476721
- 注册: 2011-11-04
- 性别: GG
- 专业: 金属结构材料

4楼2012-11-21 15:08:34
judge
至尊木虫 (文坛精英)
- 应助: 74 (初中生)
- 贵宾: 0.111
- 金币: 51519.2
- 散金: 62
- 红花: 15
- 沙发: 4
- 帖子: 18429
- 在线: 789.1小时
- 虫号: 372105
- 注册: 2007-05-15
- 专业: 金属功能材料
5楼2012-11-21 16:00:16
6楼2012-11-21 16:32:50
lfq03
新虫 (正式写手)
- 应助: 4 (幼儿园)
- 金币: 2137.9
- 散金: 408
- 红花: 5
- 帖子: 759
- 在线: 576.5小时
- 虫号: 853305
- 注册: 2009-09-21
- 专业: 零件成形制造
7楼2012-11-21 18:59:53
lfq03
新虫 (正式写手)
- 应助: 4 (幼儿园)
- 金币: 2137.9
- 散金: 408
- 红花: 5
- 帖子: 759
- 在线: 576.5小时
- 虫号: 853305
- 注册: 2009-09-21
- 专业: 零件成形制造
8楼2012-11-21 19:02:32
lfq03
新虫 (正式写手)
- 应助: 4 (幼儿园)
- 金币: 2137.9
- 散金: 408
- 红花: 5
- 帖子: 759
- 在线: 576.5小时
- 虫号: 853305
- 注册: 2009-09-21
- 专业: 零件成形制造
9楼2012-11-21 19:06:52













回复此楼
)