| 查看: 1524 | 回复: 10 | ||
xuzhixiao铁杆木虫 (著名写手)
Science, Technology and Art
|
[求助]
微球 TEM 形貌是如何得到的?
|
|
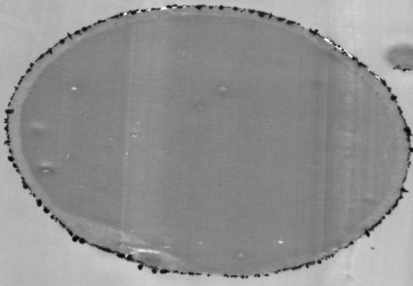
做透射电镜,观察微球的内部形貌,要怎么才能得到圆形的形貌呢?超薄切片可以吗?那要怎样的技术才能切到微球的直径呢?是不是只能看运气?我做了一个TEM,做出来是椭圆的。。。 微球粒径 5-30um TEM-微球,如何切?.JPG 椭圆形 微球 TEM 形貌.JPG [ Last edited by xuzhixiao on 2013-5-3 at 15:26 ] |
» 猜你喜欢
生物学学硕求调剂
已经有10人回复
上海电力大学材料防护与新材料重点实验室招收调剂研究生(材料、化学、电化学,环境)
已经有4人回复
材料学求调剂
已经有6人回复
303求调剂
已经有5人回复
一志愿武理085500机械专业总分300求调剂
已经有7人回复
考研调剂
已经有4人回复
281求调剂
已经有4人回复
0805 316求调剂
已经有6人回复
085601求调剂总分293英一数二
已经有3人回复
08工学调剂
已经有17人回复
» 本主题相关价值贴推荐,对您同样有帮助:
做透射电镜前如果样品未干燥完全会不会对样品形貌有影响?
已经有11人回复
请问氧化铁微球可以写文章吗?
已经有21人回复
请问催化剂SEM表征其形貌要如何制样啊????
已经有8人回复
观察囊泡形貌,冷冻切片机切片tem观察和冷冻蚀刻tem(cyro-tem)是一回事吗
已经有6人回复
磁性复合微球的TEM表征问题
已经有12人回复
关于介孔二氧化硅表征的几个问题
已经有13人回复
影响纳米颗粒形貌的因素
已经有20人回复
大家说下都是在哪里怎么做的磁性颗粒的SEM和TEM
已经有11人回复
微米四氧化三铁微球包被二氧化硅后磁性太强,无法用TEM表征
已经有18人回复
TEM测磁性物质
已经有9人回复
纳米粒子TEM形貌分析 求助啊!!
已经有20人回复
怎样得到好看的TEM图
已经有38人回复
TEM低倍形貌图观察
已经有10人回复
求助,PLGA微球的TEM染色问题
已经有10人回复
TEM和SEM样品测试前,该如何处理拍出来的效果好?
已经有24人回复
200nm左右的粉末可以做TEM吗(补充)
已经有17人回复
四氧化三铁做TEM
已经有23人回复
聚合物测TEM怎么制样
已经有7人回复
【求助】求北京最近两周TEM
已经有10人回复
【请教】磁性纳米CoFe2O4不可以做SEM或TEM么?
已经有12人回复

xuzhixiao
铁杆木虫 (著名写手)
Science, Technology and Art
- PEPI: 1
- 应助: 75 (初中生)
- 金币: 4973.6
- 散金: 854
- 红花: 61
- 帖子: 2639
- 在线: 1079.7小时
- 虫号: 1313659
- 注册: 2011-06-02
- 性别: GG
- 专业: 有机高分子功能材料

2楼2013-05-03 18:07:55
|
3楼2013-05-03 18:58:25

4楼2013-05-03 19:46:03
xuzhixiao
铁杆木虫 (著名写手)
Science, Technology and Art
- PEPI: 1
- 应助: 75 (初中生)
- 金币: 4973.6
- 散金: 854
- 红花: 61
- 帖子: 2639
- 在线: 1079.7小时
- 虫号: 1313659
- 注册: 2011-06-02
- 性别: GG
- 专业: 有机高分子功能材料

5楼2013-05-03 19:47:34
xuzhixiao
铁杆木虫 (著名写手)
Science, Technology and Art
- PEPI: 1
- 应助: 75 (初中生)
- 金币: 4973.6
- 散金: 854
- 红花: 61
- 帖子: 2639
- 在线: 1079.7小时
- 虫号: 1313659
- 注册: 2011-06-02
- 性别: GG
- 专业: 有机高分子功能材料

6楼2013-05-03 19:53:01

7楼2013-05-03 20:00:20
xuzhixiao
铁杆木虫 (著名写手)
Science, Technology and Art
- PEPI: 1
- 应助: 75 (初中生)
- 金币: 4973.6
- 散金: 854
- 红花: 61
- 帖子: 2639
- 在线: 1079.7小时
- 虫号: 1313659
- 注册: 2011-06-02
- 性别: GG
- 专业: 有机高分子功能材料

8楼2013-05-03 20:06:48

9楼2013-05-03 20:19:59
xuzhixiao
铁杆木虫 (著名写手)
Science, Technology and Art
- PEPI: 1
- 应助: 75 (初中生)
- 金币: 4973.6
- 散金: 854
- 红花: 61
- 帖子: 2639
- 在线: 1079.7小时
- 虫号: 1313659
- 注册: 2011-06-02
- 性别: GG
- 专业: 有机高分子功能材料

10楼2013-05-03 21:33:27













回复此楼