| 查看: 2323 | 回复: 10 | ||
[求助]
焊缝的金相组织 已有5人参与
|
||
|
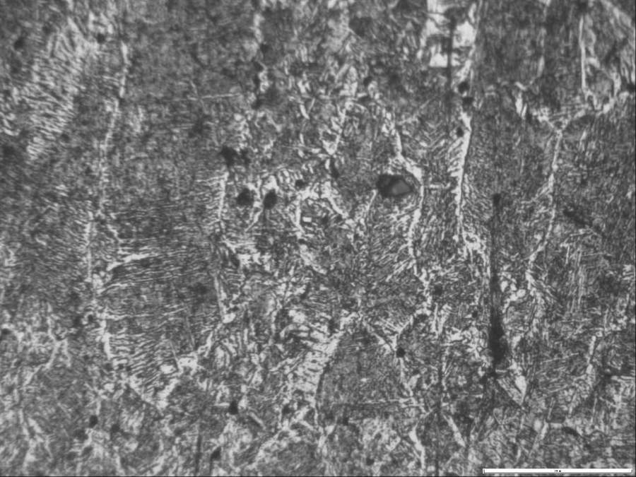
这三个是Q235钢的金相组织图,请问里面都是什么组织,分别指的是哪个? 发自小木虫Android客户端 |
» 猜你喜欢
299求调剂
已经有7人回复
0703化学调剂,求导师收
已经有4人回复
300求调剂,材料科学英一数二
已经有3人回复
材料学硕,求调剂
已经有6人回复
307求调剂
已经有6人回复
材料专硕331求调剂
已经有3人回复
求调剂一志愿武汉理工大学材料工程(085601)
已经有7人回复
一志愿C9材料与化工专业总分300求调剂
已经有4人回复
321求调剂
已经有4人回复
307求调剂
已经有4人回复
» 本主题相关价值贴推荐,对您同样有帮助:
求分析金相组织,低合金高强钢焊缝组织,给我看看金相是不是没有做好?
已经有11人回复
请帮忙看下焊缝金相组织,非常感谢!!
已经有5人回复
7系铝合金焊接接头的金相组织观察求助
已经有0人回复
恳求各位大神帮忙分析一下耐热不锈钢的金相组织
已经有5人回复
X80管线钢金相组织-焊缝区域与母材组织不正常,请各位大神帮忙看看怎么回事?
已经有5人回复
要看316L焊缝的金相组织,最好用什么腐蚀剂
已经有3人回复
能不能帮我分析下这两张16MnR焊缝处的金相
已经有3人回复
求助:帮忙看看金相组织
已经有13人回复
请教一个焊缝金相组成
已经有6人回复
求解:X120管线钢埋弧焊母材、焊缝、HAZ金相组织
已经有1人回复
焊接-焊缝与热影响区金相
已经有3人回复
求助 焊接金相组织
已经有2人回复
图中419L不锈钢的焊缝组织是什么?
已经有4人回复
低合金钢焊缝多重热影响区金相组织辨识
已经有2人回复
大家帮我分析一下双相不锈钢金相组织
已经有30人回复
帮忙看一下这个金相组织,急~
已经有16人回复
铝镁合金焊接试件金相组织
已经有8人回复
20个金币求助焊接哈氏合金金相组织确认
已经有3人回复
TC4焊缝熔池金相
已经有8人回复
【求助】焊缝金相分析
已经有37人回复
peterflyer
木虫之王 (文学泰斗)
peterflyer
- MM-EPI: 2
- 应助: 20282 (院士)
- 金币: 146172
- 红花: 1374
- 帖子: 93091
- 在线: 7694.3小时
- 虫号: 1482829
- 注册: 2011-11-08
- 性别: GG
- 专业: 功能陶瓷
2楼2017-06-21 17:17:51
4楼2017-06-21 23:30:04

7楼2017-06-22 12:56:08
3楼2017-06-21 23:07:34
5楼2017-06-22 00:03:24
努力的小潴
新虫 (初入文坛)
- 应助: 2 (幼儿园)
- 金币: 540.6
- 帖子: 47
- 在线: 39.5小时
- 虫号: 3648620
- 注册: 2015-01-16
- 性别: GG
- 专业: 集成电路制造与封装
6楼2017-06-22 10:03:29
yhwei2008
至尊木虫 (正式写手)
- 应助: 22 (小学生)
- 金币: 16262.4
- 红花: 6
- 帖子: 690
- 在线: 414.7小时
- 虫号: 430092
- 注册: 2007-08-05
- 专业: 金属材料的制备科学与跨学
8楼2017-06-22 15:41:01
小陈
新虫 (正式写手)
- 应助: 0 (幼儿园)
- 金币: 1429.7
- 散金: 350
- 红花: 4
- 帖子: 351
- 在线: 61.6小时
- 虫号: 4202496
- 注册: 2015-11-07
- 性别: GG
- 专业: 金属基复合材料
9楼2017-06-23 16:30:01
小陈
新虫 (正式写手)
- 应助: 0 (幼儿园)
- 金币: 1429.7
- 散金: 350
- 红花: 4
- 帖子: 351
- 在线: 61.6小时
- 虫号: 4202496
- 注册: 2015-11-07
- 性别: GG
- 专业: 金属基复合材料
10楼2017-06-23 16:30:56













回复此楼