| 查看: 1634 | 回复: 5 | |||
[求助]
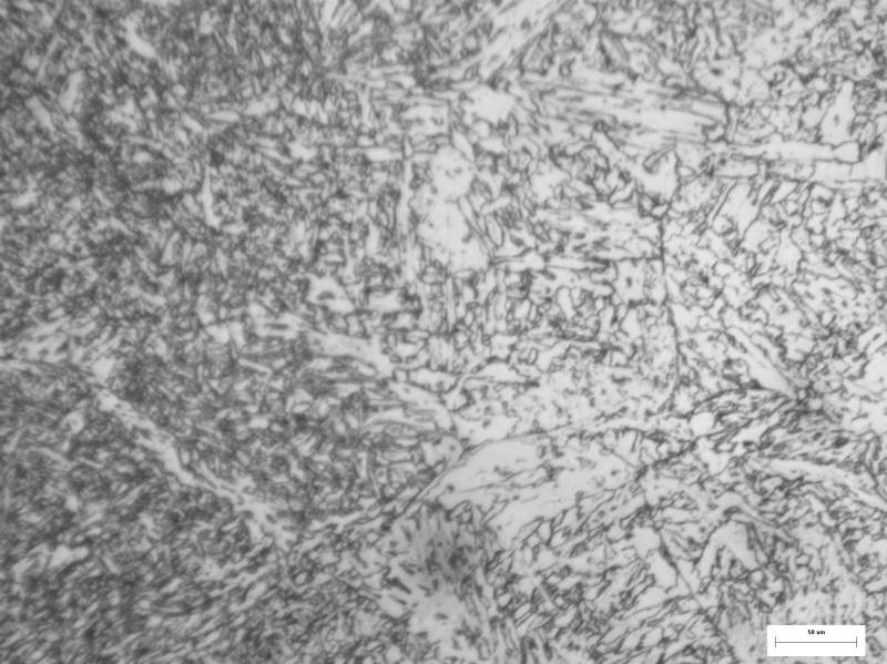
X80管线钢金相组织-焊缝区域与母材组织不正常,请各位大神帮忙看看怎么回事?
|
|
RT,观察X80焊缝及热影响区域金相组织,可是观察到的组织与文献中描述的不同,母材组织不是X80典型组织“针状铁素体”,焊缝处的组织也感觉异常,但是热影响区没有问题,感觉是粒状贝氏体+少量贝氏体铁素体+少量M-A,材料为X80管线钢,这一点可以确认,而且也没经过热处理,请大神们帮忙看看是怎么回事,焊缝区域与母材区域组织分别是什么?谢谢~ 母材.jpg 焊缝.jpg 热影响区.jpg |
» 收录本帖的淘帖专辑推荐
百宝箱 |
» 本帖@通知
» 猜你喜欢
土木水利专硕276分求调剂
已经有5人回复
一志愿北交大材料工程总分358求调剂
已经有11人回复
284求调剂
已经有6人回复
0703化学调剂 348分
已经有4人回复
生物学求调剂 一志愿沪9,326分
已经有4人回复
0703调剂,一志愿天津大学319分
已经有16人回复
一志愿南科大生物学297分,求调剂推荐
已经有5人回复
080500求调剂
已经有8人回复
生物与医药求调剂
已经有8人回复
生物学308分求调剂(一志愿华东师大)
已经有9人回复
» 本主题相关商家推荐: (我也要在这里推广)
» 本主题相关价值贴推荐,对您同样有帮助:


2楼2014-12-16 09:48:07
3楼2017-06-26 22:05:40
sangxianxian
铜虫 (正式写手)
- 应助: 39 (小学生)
- 金币: 2304
- 红花: 6
- 帖子: 544
- 在线: 93.2小时
- 虫号: 3292843
- 注册: 2014-06-26
- 性别: GG
- 专业: 金属材料的微观结构
4楼2017-06-27 23:01:15
brighterzhao
新虫 (小有名气)
- 应助: 0 (幼儿园)
- 金币: 953.4
- 散金: 50
- 红花: 2
- 帖子: 137
- 在线: 61.5小时
- 虫号: 5167276
- 注册: 2016-10-26
- 专业: 金属材料
5楼2017-06-27 23:50:41
brighterzhao
新虫 (小有名气)
- 应助: 0 (幼儿园)
- 金币: 953.4
- 散金: 50
- 红花: 2
- 帖子: 137
- 在线: 61.5小时
- 虫号: 5167276
- 注册: 2016-10-26
- 专业: 金属材料
6楼2017-06-27 23:51:34














回复此楼
