| 查看: 819 | 回复: 1 | |
rengaoxing木虫 (著名写手)
|
[求助]
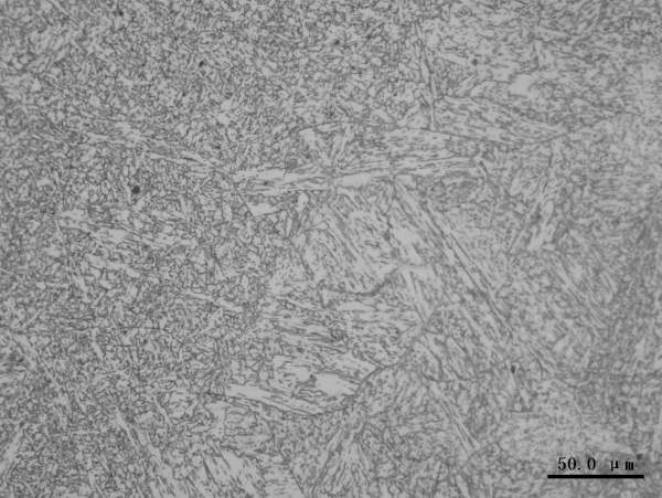
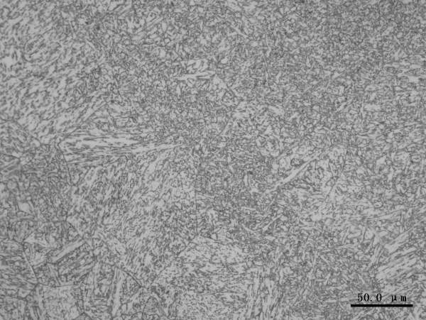
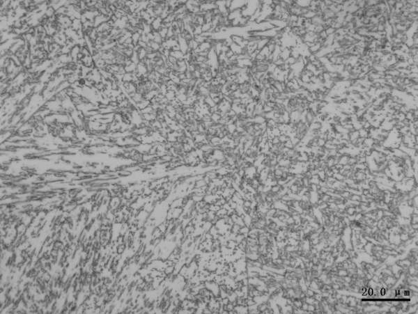
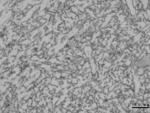
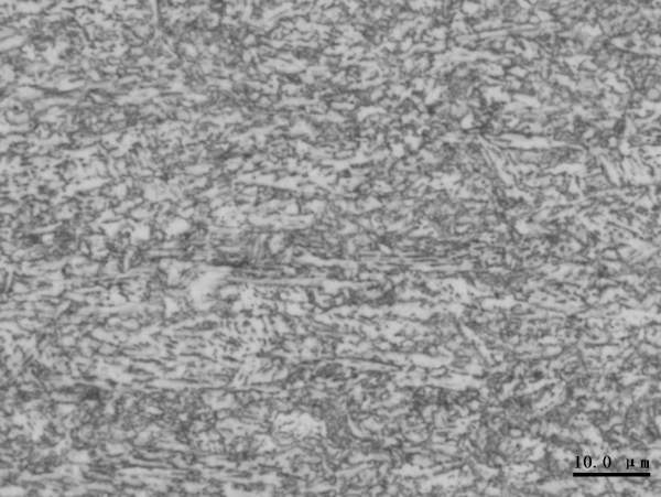
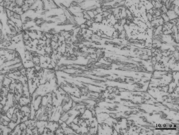
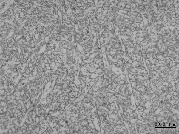
求解:X120管线钢埋弧焊母材、焊缝、HAZ金相组织
|
![]() |
|
|
|
|
付丙寅木虫 (小有名气)
|
|
|
2楼2013-06-13 15:39:31
|
|













回复此楼