| 查看: 1250 | 回复: 3 | ||
[交流]
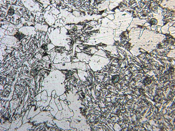
能不能帮我分析下这两张16MnR焊缝处的金相 已有1人参与
|
» 本主题相关价值贴推荐,对您同样有帮助:
【求助】焊缝金相分析
已经有37人回复
2楼2013-08-29 14:45:12
3楼2013-08-29 15:54:00
4楼2013-08-29 15:56:51













回复此楼