| 查看: 2047 | 回复: 2 | ||
[求助]
求助 焊接金相组织
|
|
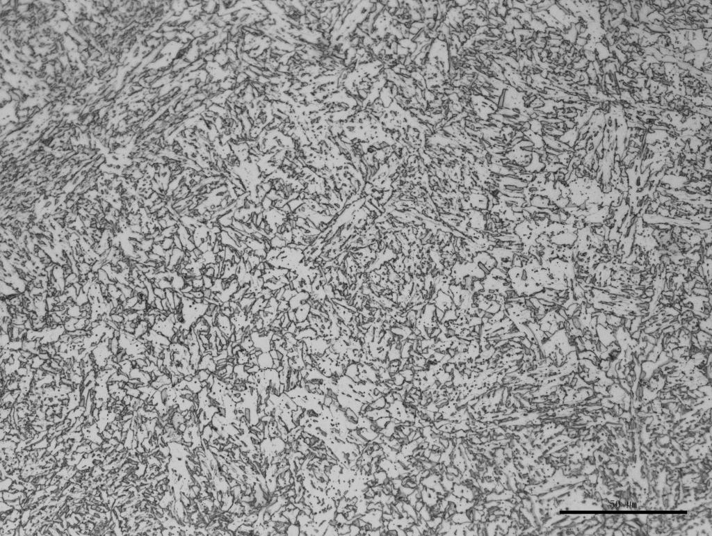
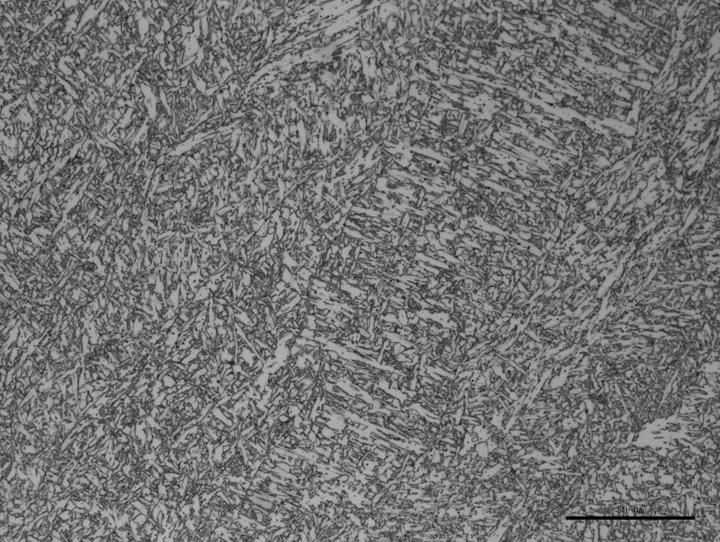
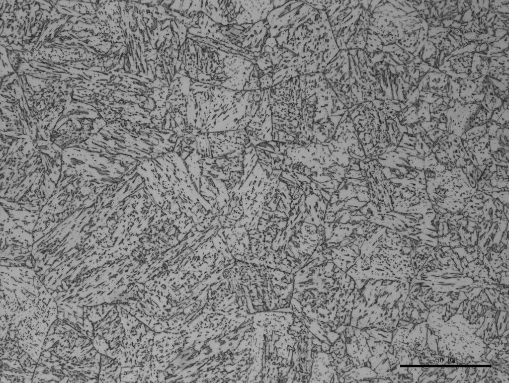
求助大家帮忙看看焊接金相组织,木材是低碳高强钢,选用了两种焊丝GHS70和WH80-G,焊接工艺是手工气保焊, GHS70焊丝得到的焊缝组织如下 WH80-G焊丝的焊缝组织如下 热影响区组织两个都差不多, 最近被论文逼的没办法了,希望能得到大家的帮助! |
» 猜你喜欢
最失望的一年
已经有12人回复
拟解决的关键科学问题还要不要写
已经有8人回复
存款400万可以在学校里躺平吗
已经有29人回复
求推荐英文EI期刊
已经有5人回复
请教限项目规定
已经有4人回复
国自然申请面上模板最新2026版出了吗?
已经有20人回复
26申博
已经有3人回复
基金委咋了?2026年的指南还没有出来?
已经有10人回复
基金申报
已经有6人回复
疑惑?
已经有5人回复
» 本主题相关价值贴推荐,对您同样有帮助:
低碳钢焊接金相处理问题
已经有6人回复
向钛合金金相达人求助看看这几张金相
已经有15人回复
求助铝铜合金金相分析
已经有9人回复
20个金币求助焊接哈氏合金金相组织确认
已经有3人回复
显微镜金相分析求助、讨论和交流
已经有31人回复
求助镁合金和钢焊接接头金相磨制
已经有8人回复
求助焊接研究生的课程
已经有13人回复
焊接论文求助
已经有6人回复
【求助】求助从金相照片分析组织成分及热处理工艺(15CrMn)
已经有16人回复
【求助】关于B+钢正火后的金相组织
已经有15人回复
【求助】金相组织中相比例用什么软件进行定量计算
已经有11人回复
【求助】焊缝金相分析
已经有37人回复
【求助】焊接抗拉强度
已经有8人回复
【求助】这是什么金相组织?如何形成的?
已经有11人回复
【求助】铜和不锈钢扩散焊接 金相制备
已经有6人回复
【求助】金相图片定量分析
已经有18人回复

boboosnow
木虫 (小有名气)
- 应助: 9 (幼儿园)
- 金币: 2566.4
- 散金: 20
- 红花: 3
- 帖子: 128
- 在线: 119.4小时
- 虫号: 353968
- 注册: 2007-04-24
- 性别: MM
- 专业: 其他无机非金属材料
2楼2013-02-28 14:55:43
dingjieimr
新虫 (小有名气)
- 应助: 1 (幼儿园)
- 金币: 243.2
- 红花: 1
- 帖子: 193
- 在线: 24.4小时
- 虫号: 2825360
- 注册: 2013-11-25
- 性别: GG
- 专业: 金属材料的磨损与磨蚀

3楼2013-11-27 15:51:03













回复此楼