| 查看: 1623 | 回复: 5 | ||
zsy0814金虫 (正式写手)
|
[求助]
请帮忙看下焊缝金相组织,非常感谢!! 已有2人参与
|
|
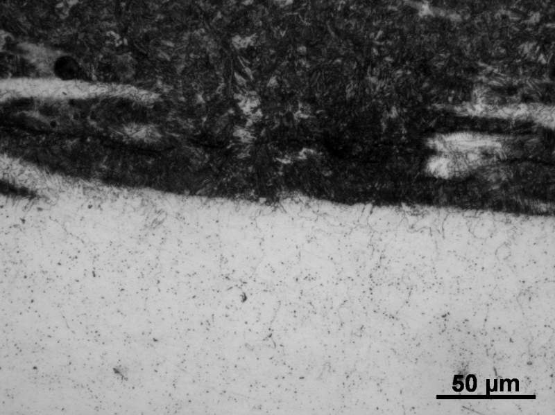
刚接触做焊接材料失效分析时间很短,想请大家帮忙看下如下的焊缝金相组织,是20号钢(螺柱)和8号钢之间通过电弧焊进行焊接! 从这个金相组织可以看出什么缺陷?热影响区在哪里?我真心是不懂咋看! 焊完之后总是存在局部未熔合的现象! 50倍-区域1 50倍-区域2 100倍 500倍-区域1 500倍-区域2 500倍-区域3 500倍-区域4 |
» 猜你喜欢
312求调剂
已经有15人回复
304求调剂
已经有7人回复
化工求调剂!
已经有15人回复
284求调剂
已经有8人回复
362求调剂
已经有5人回复
一志愿哈工大,初试329,求环境科学与工程调剂!
已经有5人回复
327求调剂
已经有3人回复
一志愿吉大化学327求调剂
已经有5人回复
26自然地理学303分求调剂
已经有8人回复
336求调剂,一志愿中科大
已经有4人回复
» 本主题相关商家推荐: (我也要在这里推广)

| 顶一下~~ |
2楼2015-11-26 16:50:53
3楼2015-12-01 11:34:34
starior
金虫 (小有名气)
- 应助: 51 (初中生)
- 金币: 3078.1
- 红花: 1
- 沙发: 1
- 帖子: 269
- 在线: 39.4小时
- 虫号: 3378567
- 注册: 2014-08-22
- 性别: GG
- 专业: 钢铁冶金
4楼2015-12-01 12:49:45
A1152230
铜虫 (初入文坛)
- 应助: 0 (幼儿园)
- 金币: 810.3
- 帖子: 21
- 在线: 20.7小时
- 虫号: 3703283
- 注册: 2015-03-02
- 性别: GG
- 专业: 金属材料的磨损与磨蚀
5楼2015-12-07 19:46:59

6楼2015-12-15 14:28:16














回复此楼