| 查看: 1052 | 回复: 2 | |
[求助]
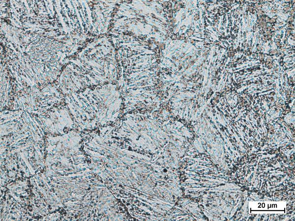
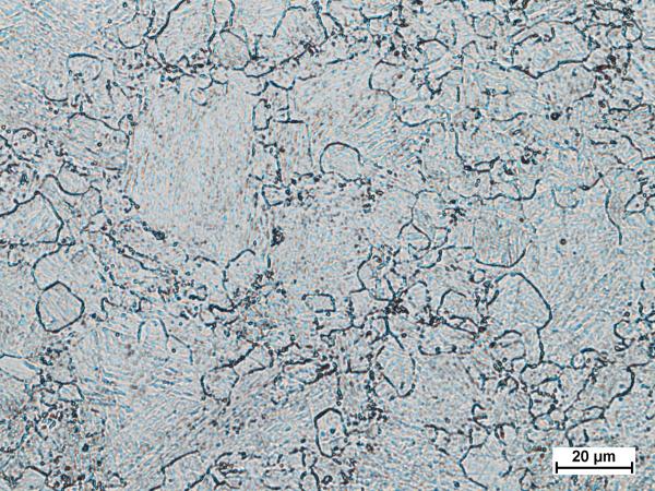
低合金钢焊缝多重热影响区金相组织辨识
|
|
|
|
|
|
2楼2012-10-30 07:55:04
|
|
bob1992a木虫 (小有名气)
|
|
|
3楼2017-10-23 14:54:50
|
|













回复此楼
10