版块导航
正在加载中...
客户端APP下载
论文辅导
调剂小程序
登录
注册
帖子
帖子
用户
本版
应《网络安全法》要求,自2017年10月1日起,未进行实名认证将不得使用互联网跟帖服务。为保障您的帐号能够正常使用,请尽快对帐号进行手机号验证,感谢您的理解与支持!
24小时热门版块排行榜
>
论坛更新日志
(2898)
>
虫友互识
(296)
>
文献求助
(123)
>
休闲灌水
(113)
>
导师招生
(88)
>
考博
(51)
>
博后之家
(39)
>
硕博家园
(33)
>
考研
(30)
>
基金申请
(27)
>
论文道贺祈福
(23)
>
论文投稿
(23)
>
教师之家
(21)
>
找工作
(19)
>
公派出国
(19)
>
绿色求助(高悬赏)
(11)
小木虫论坛-学术科研互动平台
»
化学化工区
»
电化学
»
电分析测试
»
锂离子电池EIS数据拟合为什么低频不是直线求助
4
1/1
返回列表
查看: 2080 | 回复: 3
只看楼主
@他人
存档
新回复提醒
(忽略)
收藏
在APP中查看
ncuzyh
新虫
(正式写手)
应助: 0
(幼儿园)
金币: 289.6
散金: 2585
红花: 3
帖子: 683
在线: 215.7小时
虫号: 2461338
注册: 2013-05-12
性别: GG
专业: 有机高分子功能材料
[
求助
]
锂离子电池EIS数据拟合为什么低频不是直线求助
已有1人参与
大家好:
我测试的锂离子电池阻抗,用ZView软件拟合,为什么低频拟合不是一条直线,我不知道问题出在哪里,来求助,有谁知道怎么拟合吗?谢谢!
EIS拟合问题-1.png
EIS拟合问题-2.png
回复此楼
» 猜你喜欢
德国Karlsruhe Institute of Technology招收电化学储能及联合培养CSC博士等
已经有20人回复
德国Karlsruhe Institute of Technology招收电化学储能及联合培养CSC博士
已经有24人回复
分析化学论文润色/翻译怎么收费?
已经有108人回复
德国Karlsruhe Institute of Technology招收电化学储能及联合培养CSC博士
已经有1人回复
固态锂金属电池迁移数计算求助
已经有1人回复
荷兰奈梅亨大学赵文博与Galimberti课题组招收理论计算CSC博士 2000 欧元/月+房补
已经有0人回复
26储能博士申请自荐
已经有22人回复
上海交通大学--宁波东方理工大学电池方向博士招生
已经有10人回复
海南大学全国重点实验室杨金霖老师招收储能电池方向博士生(2026年3月报名,9月入学)
已经有1人回复
海南师范大学2026年博士研究生招收 (在职想提升学历人员可报考) 申请考核制+普通招考
已经有0人回复
申博求助
已经有0人回复
» 本主题相关价值贴推荐,对您同样有帮助:
电池的EIS测试中,电荷转移电阻与材料的电子导电性有什么关系
已经有4人回复
锂离子电池三元正极材料的交流阻抗测试问题,求解答
已经有14人回复
EIS谱图画图求指导
已经有14人回复
低频区阻抗曲线波动严重
已经有7人回复
EIS分析求助!
已经有4人回复
为什么测的EIS图没有半圆,说明什么问题?
已经有12人回复
高手们快来看看这个EIS图怎么分析
已经有21人回复
交流阻抗直线斜率
已经有6人回复
EIS拟合高手求助
已经有8人回复
EIS拟合,等效电路的选择。。。
已经有5人回复
求帮忙分析下EIS
已经有6人回复
EIS图拟合处理,急求助!
已经有8人回复
交流阻抗低频扩散控制斜率意义
已经有21人回复
求阻抗拟合电路!!!救救吧~~~
已经有12人回复
电化学测试的屏蔽箱使用
已经有35人回复
请问如何读取EIS图上半圆与直线的交点坐标?
已经有8人回复
【求助】高价求EIS阻抗拟合
已经有16人回复
【求助】EIS谱中圆弧的直径没有落在实轴上;低频区直线斜率不是1怎么处理?
已经有5人回复
1楼
2014-12-25 22:44:24
已阅
回复此楼
关注TA
给TA发消息
送TA红花
TA的回帖
yixihong
禁虫
(正式写手)
★ ★ ★ ★ ★ ★ ★ ★ ★ ★
感谢参与,应助指数 +1
ncuzyh: 金币+10,
★
有帮助
2014-12-28 11:43:45
本帖内容被屏蔽
2楼
2014-12-27 21:24:02
已阅
回复此楼
关注TA
给TA发消息
送TA红花
TA的回帖
ncuzyh
新虫
(正式写手)
应助: 0
(幼儿园)
金币: 289.6
散金: 2585
红花: 3
帖子: 683
在线: 215.7小时
虫号: 2461338
注册: 2013-05-12
性别: GG
专业: 有机高分子功能材料
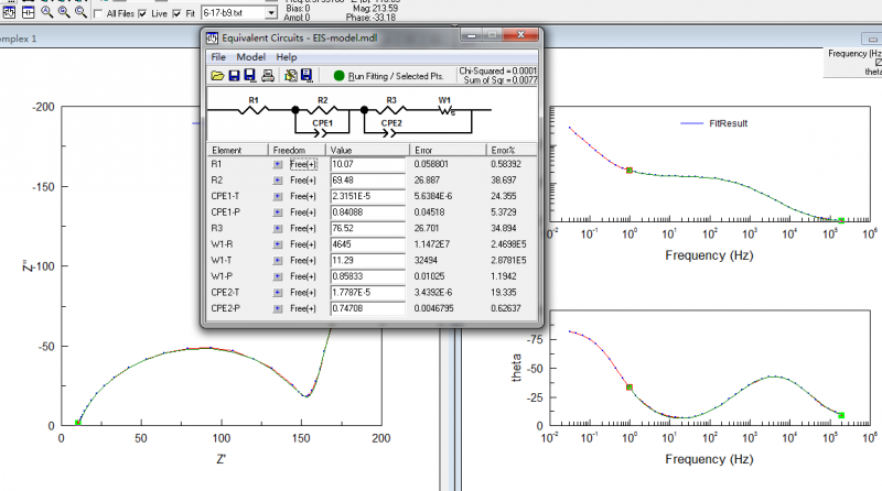
把W移到里面低频还是拟合不好。但我不拟合低频的数据可以拟合,可以这样拟合吗?
R1:是溶液电阻;R2:是膜电阻;R3:是电荷转移电阻。R2和R3的数值分别是高频圆的半径和高频到中频圆的半径值吗?
tu1.png
tu2.png
赞
一下
回复此楼
3楼
2014-12-28 11:49:04
已阅
回复此楼
关注TA
给TA发消息
送TA红花
TA的回帖
crazy3768
金虫
(正式写手)
应助: 0
(幼儿园)
金币: 2633
散金: 81
红花: 2
帖子: 891
在线: 103.4小时
虫号: 2078112
注册: 2012-10-22
性别: GG
专业: 无机非金属材料
引用回帖:
3楼
:
Originally posted by
ncuzyh
at 2014-12-28 11:49:04
把W移到里面低频还是拟合不好。但我不拟合低频的数据可以拟合,可以这样拟合吗?
R1:是溶液电阻;R2:是膜电阻;R3:是电荷转移电阻。R2和R3的数值分别是高频圆的半径和高频到中频圆的半径值吗?
tu1.png
tu2 ...
楼主,你能不能把拟合软件发给我一份,我找了好久也没找到可以用的,现在着急的要用...谢谢你!
crazy3768@126.com
。。。。小弟再次谢过!
赞
一下
回复此楼
4楼
2015-01-09 16:34:45
已阅
回复此楼
关注TA
给TA发消息
送TA红花
TA的回帖
相关版块跳转
有机交流
有机资源
高分子
无机/物化
分析
催化
工艺技术
化工设备
石油化工
精细化工
电化学
环境
SciFinder/Reaxys
我要订阅楼主
ncuzyh
的主题更新
4
1/1
返回列表
如果回帖内容含有宣传信息,请如实选中。否则帐号将被全论坛禁言
普通表情
龙
兔
虎
猫
百度网盘
|
360云盘
|
千易网盘
|
华为网盘
在新窗口页面中打开自己喜欢的网盘网站,将文件上传后,然后将下载链接复制到帖子内容中就可以了。
信息提示
关闭
请填处理意见
关闭
确定