±±¾©Ê¯ÓÍ»¯¹¤Ñ§Ôº2026ÄêÑо¿ÉúÕÐÉú½ÓÊÕµ÷¼Á¹«¸æ
²é¿´: 331  |  »Ø¸´: 0

heiheibera

гæ (³õÈëÎÄ̳)

[ÇóÖú] ¹ØÓÚOringinÇúÏßÄâºÏµÄÎÊÌâ

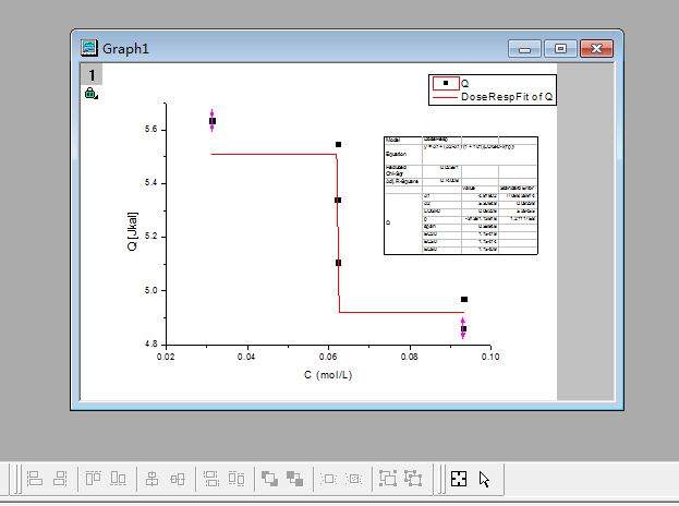
ÔÚÄâºÏµÄʱºòÏÔʾµÄÊǵÚÒ»¸öͼ£¬È»ºóµãfitÒÔºó¾ÍÊÇÁíÍâÒ»ÌõÏßÁË£¬²»ÖªµÀÊDz»ÊÇÎÒÔÚÄâºÏ¹ý³ÌÖй´Ñ¡ÁËʲôÆäËûÑ¡Ï֮ǰ½øÐÐÄâºÏµÄʱºò²»ÊÇÕâÑùµÄTAT
ÐÂÊÖÇóÖú£¬½ð±Ò²»¶à£¬¼±

¹ØÓÚOringinÇúÏßÄâºÏµÄÎÊÌâ
111.jpg


¹ØÓÚOringinÇúÏßÄâºÏµÄÎÊÌâ-1
²¶»ñ.JPG
»Ø¸´´ËÂ¥
ÒÑÔÄ   »Ø¸´´ËÂ¥   ¹Ø×¢TA ¸øTA·¢ÏûÏ¢ ËÍTAºì»¨ TAµÄ»ØÌû

ÖÇÄÜ»úÆ÷ÈË

Robot (super robot)

ÎÒÃǶ¼°®Ð¡Ä¾³æ

ÕÒµ½Ò»Ð©Ïà¹ØµÄ¾«»ªÌû×Ó£¬Ï£ÍûÓÐÓÃŶ~

¿ÆÑдÓСľ³æ¿ªÊ¼£¬ÈËÈËΪÎÒ£¬ÎÒΪÈËÈË
Ïà¹Ø°æ¿éÌø×ª ÎÒÒª¶©ÔÄÂ¥Ö÷ heiheibera µÄÖ÷Ìâ¸üÐÂ
×î¾ßÈËÆøÈÈÌûÍÆ¼ö [²é¿´È«²¿] ×÷Õß »Ø/¿´ ×îºó·¢±í
[¿¼ÑÐ] µ÷¼Á +8 JLLLLLLLLLL 2026-04-03 8/400 2026-04-03 22:06 by Î޼ʵIJÝÔ­
[¿¼ÑÐ] 081700»¯Ñ§¹¤³ÌÓë¼¼Êõ Ò»Ö¾Ô¸Öк£Ñó 323 Çóµ÷¼ÁѧУ +9 ÅûÐÇºÓ 2026-04-03 9/450 2026-04-03 21:41 by lbsjt
[¿¼ÑÐ] ²ÄÁÏר˶322·Ö +13 ¹þ¹þ¹þºðºðºð¹þ 2026-04-01 13/650 2026-04-03 16:08 by ŶŶ123
[¿¼ÑÐ] ¹¤¿Æ341·Öµ÷¼Á +3 Âå¶àÂÞ 2026-04-03 3/150 2026-04-03 14:20 by 1753564080
[¿¼ÑÐ] µ÷¼ÁÇóÖú +8 Ïë»»ÊÖ»ú²»Ïë½âÊ 2026-04-02 11/550 2026-04-03 14:16 by ÐÇ¿ÕÐÇÔÂ
[¿¼ÑÐ] 283Çóµ÷¼Á +3 jiouuu 2026-04-03 4/200 2026-04-03 13:28 by jiouuu
[¿¼ÑÐ] 313Çóµ÷¼Á +3 ¡«Î¢Î¢Á¹¡« 2026-04-03 3/150 2026-04-03 11:25 by à£à£à£0119
[¿¼ÑÐ] 319Çóµ÷¼Á +18 Ì«ÈÝÒ×1018 2026-04-01 18/900 2026-04-03 11:18 by linyelide
[¿¼ÑÐ] 262Çóµ÷¼Á +6 ÀøÖ¾Ò»¶¨·¢ÎÄÕ 2026-04-02 7/350 2026-04-03 09:54 by linyelide
[¿¼ÑÐ] 0703»¯Ñ§ +7 goldtt 2026-04-02 9/450 2026-04-03 09:36 by À¶ÔÆË¼Óê
[¿¼ÑÐ] »¯Ñ§070300-×Ü·Ö378-Çóµ÷¼Á +5 ŲÒÎ×ÓµÄÅÝÅÝÌÇ 2026-04-02 5/250 2026-04-02 22:20 by ZXlzxl0425
[¿¼ÑÐ] 085602»¯¹¤Çóµ÷¼Á£¨331·Ö£© +9 111@127 2026-03-30 9/450 2026-04-02 20:00 by dick_runner
[¿¼ÑÐ] ѧ˶»¯Ñ§¹¤³ÌÓë¼¼Êõ£¬Ò»Ö¾Ô¸Öйúº£Ñó´óѧ320+Çóµ÷¼Á +8 ÅûÐÇºÓ 2026-04-02 8/400 2026-04-02 14:12 by oooqiao
[¿¼ÑÐ] 070300»¯Ñ§279Çóµ÷¼Á +15 ¹þ¹þ¹þ^_^ 2026-03-31 17/850 2026-04-01 21:37 by ¸øÄãÄã×¢ÒâÐÝÏ¢
[¿¼ÑÐ] ²ÄÁϵ÷¼Á +10 Eujd1 2026-03-31 11/550 2026-04-01 11:23 by ivanqyq
[¿¼ÑÐ] ¿¼ÑвÄÁϹ¤³Ì351·Öµ÷¼Á +5 Õû¸öºÃµÄ 2026-03-31 5/250 2026-04-01 09:36 by topgun2009
[¿¼ÑÐ] 289Çóµ÷¼Á +7 BrightLL 2026-03-29 7/350 2026-03-31 22:05 by 544594351
[¿¼ÑÐ] 080500-315·Ö¸´ÊÔµ÷¼Á +9 Éϰ¶3821 2026-03-31 9/450 2026-03-31 17:29 by ÌÆãå¶ù
[¿¼ÑÐ] 085404 22408 315·Ö +5 zhuangyan123 2026-03-31 6/300 2026-03-31 13:48 by limeifeng
[¿¼ÑÐ] 105500ҩѧÇóµ÷¼Á£¬Ò»Ö¾Ô¸É½¶«´óѧҩѧ£¬348·Ö +3 gr¹þ¹þ¹þ 2026-03-28 3/150 2026-03-30 18:56 by Ô´_2020
ÐÅÏ¢Ìáʾ
ÇëÌî´¦ÀíÒâ¼û