| ²é¿´: 3848 | »Ø¸´: 6 | ||
²ÜÏþÎÄ_Ìú³æ (³õÈëÎÄ̳)
|
[ÇóÖú]
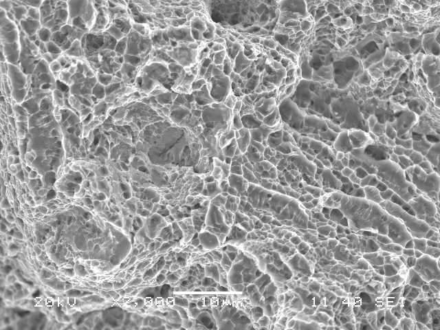
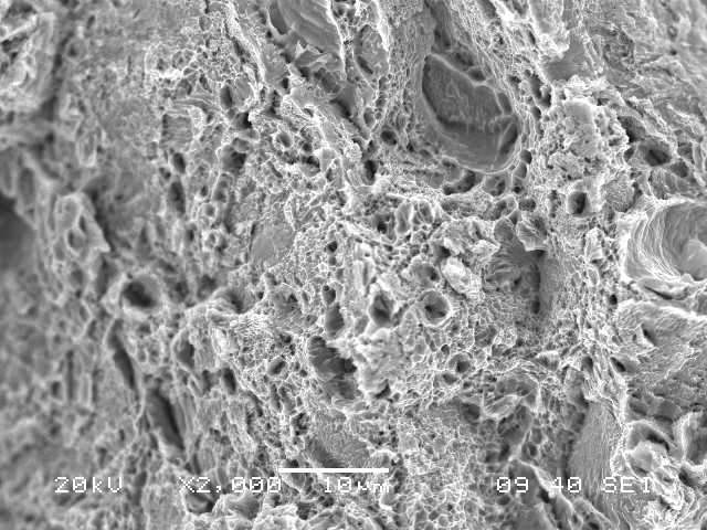
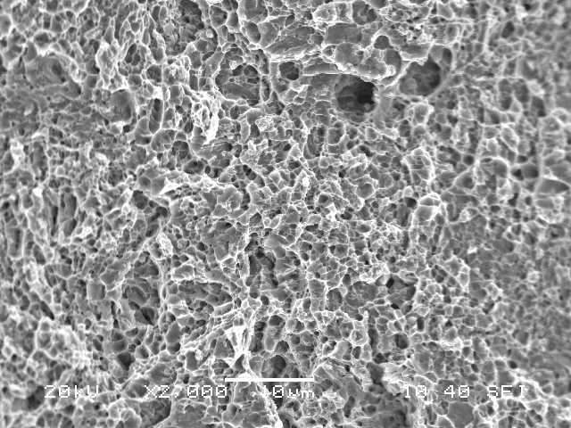
ÀÉì¶Ï¿ÚSEM·ÖÎö ÒÑÓÐ2È˲ÎÓë
|
|
|
|
||
peterflyer
|
¡¾´ð°¸¡¿Ó¦Öú»ØÌû
¡ï
¸Ðл²ÎÓ룬ӦÖúÖ¸Êý +1 ²ÜÏþÎÄ_: ½ð±Ò+1, ¡ïÓаïÖú, û½ð±ÒÁË 2015-05-11 08:51:04
|
|
|
2Â¥2015-05-10 19:37:03
|
|
|
dickliu7Ìú¸Ëľ³æ (ÖøÃûдÊÖ)
|
¡¾´ð°¸¡¿Ó¦Öú»ØÌû
¡ï ¡ï ¡ï ¡ï ¡ï ¡ï ¡ï ¡ï ¡ï ¡ï
¸Ðл²ÎÓ룬ӦÖúÖ¸Êý +1 ²ÜÏþÎÄ_: ½ð±Ò+10, ¡ï¡ï¡ï¡ï¡ï×î¼Ñ´ð°¸, ·Ç³£¸Ðл£¬ÓÐÐÄÁË 2015-05-11 08:31:57
» ±¾Ìû¸½¼þ×ÊÔ´Áбí
2015-05-11 00:04:17, 2.35 M
» ±¾ÌûÒÑ»ñµÃµÄºì»¨£¨×îÐÂ10¶ä£© |
|
|
3Â¥2015-05-11 00:04:28
|
|
|
lucifer007Ìú¸Ëľ³æ (ÕýʽдÊÖ)
|
||
|
4Â¥2015-05-11 09:05:57
|
|
|
²ÜÏþÎÄ_Ìú³æ (³õÈëÎÄ̳)
|
||
|
5Â¥2015-05-13 17:26:04
|
|
|
dickliu7Ìú¸Ëľ³æ (ÖøÃûдÊÖ)
|
||
|
6Â¥2015-05-13 20:45:20
|
|
|
hengmingchenгæ (³õÈëÎÄ̳)
|
||
|
7Â¥2016-01-08 09:57:17
|
|














»Ø¸´´ËÂ¥
²ÜÏþÎÄ_