| 查看: 3296 | 回复: 14 | ||
[求助]
求助分析断口形貌已有1人参与
|
||
|
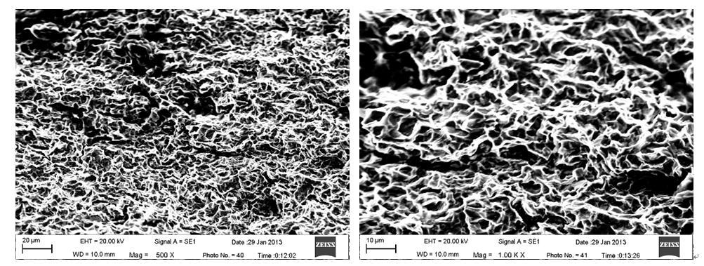
材料微合金高强钢,是在热轧板冷弯成形的时候发生开裂的 延伸率16%左右,屈强>700MPa. 求助为何种断口形貌?机理是什么?应该从哪几方面分析开裂原因? 希望越详细越好,谢谢各位虫友&大神!! 低倍形貌.JPG 高倍(500、1000倍).JPG |
» 猜你喜欢
孩子确诊有中度注意力缺陷
已经有14人回复
三甲基碘化亚砜的氧化反应
已经有4人回复
请问下大家为什么这个铃木偶联几乎不反应呢
已经有5人回复
请问有评职称,把科研教学业绩算分排序的高校吗
已经有5人回复
2025冷门绝学什么时候出结果
已经有3人回复
天津工业大学郑柳春团队欢迎化学化工、高分子化学或有机合成方向的博士生和硕士生加入
已经有4人回复
康复大学泰山学者周祺惠团队招收博士研究生
已经有6人回复
AI论文写作工具:是科研加速器还是学术作弊器?
已经有3人回复
论文投稿,期刊推荐
已经有4人回复
硕士和导师闹得不愉快
已经有13人回复
» 本主题相关商家推荐: (我也要在这里推广)
» 本主题相关价值贴推荐,对您同样有帮助:
疲劳断口分析,求解这是穿晶断裂还是沿晶断裂?是脆性断口??
已经有14人回复
(求助)铝合金断口分析
已经有13人回复
奥氏体304不锈钢拉伸断口分析求助
已经有11人回复
求助高手:这两个拉伸断口SEM表征什么断裂模式?
已经有14人回复
求助,扫描电镜做截面和表面形貌的区别
已经有14人回复
金属基复合材料断口形貌分析
已经有19人回复
球铁QT450球化不完全,求助分析一下断口颜色
已经有7人回复
寻求可以测XRD,TEM,SEM,BET,TG-DSC的院所,最好在广深一带!!
已经有10人回复
【求助】高温拉伸钢铁试样氧化后断口如何观察
已经有6人回复
【求助】请教如何用SEM观察钢解理断口, 找到起裂点的位置?
已经有13人回复
【交流】大家帮忙分析一下这个断口形貌。
已经有12人回复
【求助】大家给看一下这个断口,铝镁合金高温拉伸的,怎么那么多针刺状的东西
已经有19人回复
【求助】Mg2Cu相的形貌
已经有3人回复
【求助】低温冲击断口分析
已经有25人回复
【求助】扫描电镜测试问题
已经有24人回复
【求助】低碳高合金钢拉伸断口形貌分析
已经有10人回复
【求助】断口分析
已经有10人回复
【求助】延伸率和断口的对应问题
已经有14人回复
【求助】断口形貌分析
已经有20人回复
jlsdwlxsc
铁杆木虫 (职业作家)
- 应助: 38 (小学生)
- 金币: 6900.1
- 红花: 5
- 帖子: 3804
- 在线: 149.1小时
- 虫号: 496276
- 注册: 2008-01-17
- 专业: 基础物理学
11楼2013-04-12 09:14:31
huanzhidong
金虫 (正式写手)
博士生
- 应助: 16 (小学生)
- 金币: 3467.9
- 散金: 2261
- 红花: 15
- 帖子: 368
- 在线: 75.8小时
- 虫号: 954316
- 注册: 2010-02-09
- 性别: MM
- 专业: 金属材料的合金相、相变及

5楼2013-04-11 15:19:48
beiniao
金虫 (著名写手)
- 应助: 7 (幼儿园)
- 金币: 1374.9
- 红花: 3
- 帖子: 1071
- 在线: 36.9小时
- 虫号: 757655
- 注册: 2009-04-26
- 性别: GG
- 专业: 金属材料的合金相、相变及

8楼2013-04-11 20:20:50
9楼2013-04-11 21:18:12
yuankf666
木虫 (小有名气)
- 应助: 18 (小学生)
- 金币: 2009.2
- 散金: 107
- 红花: 3
- 帖子: 96
- 在线: 170.9小时
- 虫号: 847754
- 注册: 2009-09-14
- 专业: 金属结构材料

10楼2013-04-12 08:13:48

12楼2013-04-12 21:08:37
qlf_126
至尊木虫 (知名作家)
- MM-EPI: 6
- 应助: 434 (硕士)
- 贵宾: 0.405
- 金币: 19044.2
- 散金: 4967
- 红花: 69
- 沙发: 107
- 帖子: 9479
- 在线: 1857.2小时
- 虫号: 836193
- 注册: 2009-08-29
- 性别: GG
- 专业: 金属材料的磨损与磨蚀

2楼2013-04-11 11:00:13
yuankf666
木虫 (小有名气)
- 应助: 18 (小学生)
- 金币: 2009.2
- 散金: 107
- 红花: 3
- 帖子: 96
- 在线: 170.9小时
- 虫号: 847754
- 注册: 2009-09-14
- 专业: 金属结构材料

3楼2013-04-11 13:34:42
huanzhidong
金虫 (正式写手)
博士生
- 应助: 16 (小学生)
- 金币: 3467.9
- 散金: 2261
- 红花: 15
- 帖子: 368
- 在线: 75.8小时
- 虫号: 954316
- 注册: 2010-02-09
- 性别: MM
- 专业: 金属材料的合金相、相变及

4楼2013-04-11 15:17:40
6楼2013-04-11 15:59:59
文长988
铜虫 (初入文坛)
- 应助: 3 (幼儿园)
- 金币: 186.5
- 帖子: 43
- 在线: 14.6小时
- 虫号: 2357917
- 注册: 2013-03-18
- 性别: MM
- 专业: 金属材料的制备科学与跨学
7楼2013-04-11 17:57:26














回复此楼
个人感觉:韧窝还是比较均匀,韧性断裂占的面较大!