| 查看: 1523 | 回复: 6 | ||
mingren2588至尊木虫 (文坛精英)
囧囧有神
|
[求助]
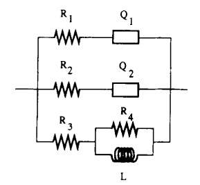
从拟合的等效电路上可以看出有几个时间常数吗?这个等效电路图有几个时间常数??? 已有1人参与
|
|
金属电化学腐蚀 |
» 猜你喜欢
湖南农业大学能源材料创新团队招收2025化学专业研究生(学硕)调剂
已经有0人回复
2026年西华大学材料学院-材料近净成形与表面技术研究团队-招收调剂研究生
已经有9人回复
分析化学论文润色/翻译怎么收费?
已经有266人回复
调剂信息
已经有0人回复
华南理工0703化学,总分336求调剂
已经有6人回复
河北农大生物与医药专业招收调剂,名额充足
已经有0人回复
齐鲁工业大学 国家重点实验室-新能源、锂离子电池、材料、化学方向
已经有0人回复
一志愿前4位代码0703均可报名-河北大学分析化学专业招收调剂考生
已经有57人回复
★★爆★★0860生物与医药调剂考生看过来,河北大学化学与材料科学学院
已经有73人回复
杰青/长江团队招收调剂
已经有0人回复
中南林业科技大学罗勇锋教授团队2026年招收材料类调剂研究生
已经有0人回复
» 本主题相关价值贴推荐,对您同样有帮助:
关于如何用ZVIEW拟合等效电路图
已经有11人回复
电路拟合时如何选合适的电阻值?
已经有18人回复
交流阻抗谱出现两个半圆形状,所用拟合等效电路是否正确?哪个是电荷传递的阻抗?
已经有20人回复
用ZSimpWin分析交流阻抗时选定等效电路后怎么手动输入各部件的初始值并继续拟合??
已经有14人回复
急求各位大神帮助,电化学阻抗谱拟合的一些问题
已经有17人回复
ZsimpWin拟合问题
已经有11人回复
求助,图上的等效电路和时间常数分析
已经有6人回复
怎么把根据阻抗画出等效电路图
已经有9人回复
等效电路图拟合
已经有7人回复
求助SZIMP WIN 高手~ 擬合出適當等效電路元件
已经有9人回复
有关Nyquist图谱使用ZSimpWin拟合时候的一些问题~~~~~~~~求助
已经有4人回复
求助阻抗谱分析拟合和等效电路图
已经有5人回复
EIS拟合,等效电路的选择。。。
已经有5人回复
阻抗“大白”求助:用ZsimpWin软件拟合电路后,如何求Rct
已经有26人回复
关于等效电路拟合 求助大神 老神
已经有10人回复
电化学阻抗拟合问题
已经有33人回复
涂层电极的等效电路图
已经有8人回复
交流阻抗高手:关于存在吸附电感的交流阻抗拟合等效电路
已经有4人回复
【求助】求助高手交流阻抗图 拟合等效电路的问题
已经有19人回复
【求助】阻抗的等效电路
已经有11人回复
【讨论】等效电路Q和CPE的区别?
已经有25人回复
【求助】交流阻抗等效电路拟合
已经有8人回复

mingren2588
至尊木虫 (文坛精英)
囧囧有神
- 应助: 13 (小学生)
- 金币: 18704.4
- 散金: 20
- 红花: 41
- 沙发: 499
- 帖子: 18865
- 在线: 2155.6小时
- 虫号: 1008674
- 注册: 2010-04-29
- 性别: GG
- 专业: 金属结构材料

5楼2015-03-04 10:07:24
mingren2588
至尊木虫 (文坛精英)
囧囧有神
- 应助: 13 (小学生)
- 金币: 18704.4
- 散金: 20
- 红花: 41
- 沙发: 499
- 帖子: 18865
- 在线: 2155.6小时
- 虫号: 1008674
- 注册: 2010-04-29
- 性别: GG
- 专业: 金属结构材料

2楼2015-03-04 09:36:27
风云无忌2010
至尊木虫 (职业作家)
涅磐中
- 应助: 34 (小学生)
- 金币: 26584.4
- 散金: 9
- 红花: 10
- 沙发: 1
- 帖子: 3189
- 在线: 188.4小时
- 虫号: 3476798
- 注册: 2014-10-15
- 性别: GG
- 专业: 电化学

3楼2015-03-04 09:52:21
mingren2588
至尊木虫 (文坛精英)
囧囧有神
- 应助: 13 (小学生)
- 金币: 18704.4
- 散金: 20
- 红花: 41
- 沙发: 499
- 帖子: 18865
- 在线: 2155.6小时
- 虫号: 1008674
- 注册: 2010-04-29
- 性别: GG
- 专业: 金属结构材料

4楼2015-03-04 09:55:01
【答案】应助回帖
★ ★ ★ ★ ★ ★ ★ ★ ★ ★ ★ ★ ★ ★ ★ ★ ★ ★ ★ ★
感谢参与,应助指数 +1
mingren2588: 金币+20, ★★★很有帮助, 感谢回帖!!! 2015-03-04 11:07:53
感谢参与,应助指数 +1
mingren2588: 金币+20, ★★★很有帮助, 感谢回帖!!! 2015-03-04 11:07:53
|
不是啊,这个问题你逻辑顺序都弄反了吧 你这属于倒练九阳神功,有点欧阳锋的感觉啊 时间常数是个电学上的概念,简单的说,你把一个电容冲满,需要时间啊,或者电感把电流稳住,也需要时间啊,这就是时间常数,我们做阻抗测试,其实就是扰动体系,模拟无源二端网络,从波特图中去看网络中都有神马 从而用等效电路去解析,至于有几个时间常数,从波特图上的峰数,峰的对称性上看 你这直接把图给出来,如果Q1不等于Q2,那肯定是三个,要是Q1=Q2,R1=R2呢,你说是有两个还是有三个呢? |

6楼2015-03-04 10:25:32
mingren2588
至尊木虫 (文坛精英)
囧囧有神
- 应助: 13 (小学生)
- 金币: 18704.4
- 散金: 20
- 红花: 41
- 沙发: 499
- 帖子: 18865
- 在线: 2155.6小时
- 虫号: 1008674
- 注册: 2010-04-29
- 性别: GG
- 专业: 金属结构材料

7楼2015-03-04 11:09:22














回复此楼