| 查看: 2233 | 回复: 8 | ||
[求助]
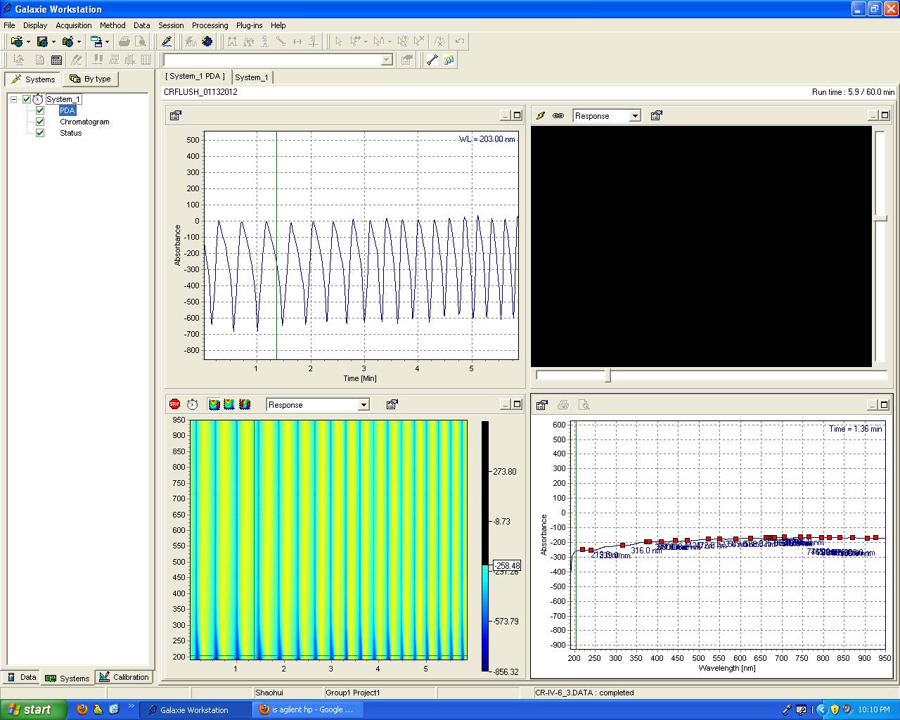
HPLC基线问题请教
|
||
|
|
||
wqs43铁杆木虫 (正式写手)
|
||
|
2楼2012-01-14 13:41:22
|
|
|
![]() |
||
|
3楼2012-01-14 13:55:14
|
|
|
痴夷子皮版主 (文坛精英)
老痞
|
【答案】应助回帖
感谢参与,应助指数 +1
renchailp(金币+2): thank you so much!!! 2012-01-15 02:44:05
|
|
![]() |
||
|
4楼2012-01-14 22:47:56
|
|
|
|
5楼2012-01-15 08:16:21
|
|
|
zz831024
|
||
|
6楼2012-01-15 16:55:12
|
|
|
|
7楼2012-01-16 02:00:05
|
|
|
|
8楼2012-01-16 11:24:53
|
|
|
|
9楼2012-01-20 10:07:27
|
|















回复此楼


renchailp
解决的办法是在检测器流出管子上接一个塑料的东西提高压力到40(我不确定是psi还是bar),这样从检测器流出的都没有气泡了基线非常平,happy ending 