| 查看: 1888 | 回复: 16 | |||
591551904木虫 (小有名气)
|
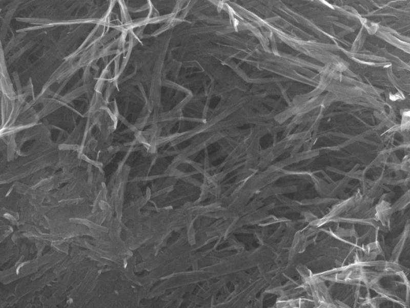
[求助]
SEM求助-钒氧化合物纳米线已有4人参与
|
||
![]() |
|||
|
|
|||
| 回帖支持 ( 显示支持度最高的前 50 名 ) | |||
lujingzhi金虫 (小有名气)
|
|||
![]() |
|||
|
2楼2014-07-25 07:49:30
|
|
||
598878157版主 (文学泰斗)
rky
|
|||
|
15楼2014-07-27 17:24:25
|
|
||
| 普通回帖 | |||
changle9139荣誉版主 (文坛精英)
|
|||
![]() |
|||
|
3楼2014-07-25 07:59:36
|
|
||
591551904木虫 (小有名气)
|
|||
![]() |
|||
|
4楼2014-07-25 09:01:05
|
|
||
591551904木虫 (小有名气)
|
|||
![]() |
|||
|
5楼2014-07-25 09:03:30
|
|
||
lujingzhi金虫 (小有名气)
|
|||
![]() |
|||
|
6楼2014-07-25 10:27:12
|
|
||
591551904木虫 (小有名气)
|
|||
![]() |
|||
|
7楼2014-07-25 11:02:29
|
|
||
591551904木虫 (小有名气)
|
|||
![]() |
|||
|
8楼2014-07-25 11:03:59
|
|
||
yuan999专家顾问 (知名作家)
|
|||
![]() |
|||
|
9楼2014-07-26 20:36:00
|
|
||
598878157版主 (文学泰斗)
rky
|
|||
|
10楼2014-07-26 21:17:13
|
|
||













回复此楼



