版块导航
正在加载中...
客户端APP下载
论文辅导
调剂小程序
登录
注册
帖子
帖子
用户
本版
应《网络安全法》要求,自2017年10月1日起,未进行实名认证将不得使用互联网跟帖服务。为保障您的帐号能够正常使用,请尽快对帐号进行手机号验证,感谢您的理解与支持!
24小时热门版块排行榜
>
论坛更新日志
(3995)
>
虫友互识
(861)
>
导师招生
(497)
>
文献求助
(461)
>
硕博家园
(178)
>
考研
(170)
>
休闲灌水
(170)
>
考博
(158)
>
博后之家
(107)
>
招聘信息布告栏
(96)
>
教师之家
(69)
>
论文投稿
(67)
>
基金申请
(57)
>
绿色求助(高悬赏)
(51)
>
公派出国
(42)
>
论文道贺祈福
(41)
小木虫论坛-学术科研互动平台
»
材料区
»
金属
»
交流互助
»
这个是SEM图像是解理还是准解理
3
1/1
返回列表
查看: 1189 | 回复: 2
只看楼主
@他人
存档
新回复提醒
(忽略)
收藏
在APP中查看
Mr_鱼
新虫
(初入文坛)
应助: 0
(幼儿园)
金币: 46.5
帖子: 6
在线: 4.2小时
虫号: 3864091
注册: 2015-05-12
专业: 计算机软件
[
求助
]
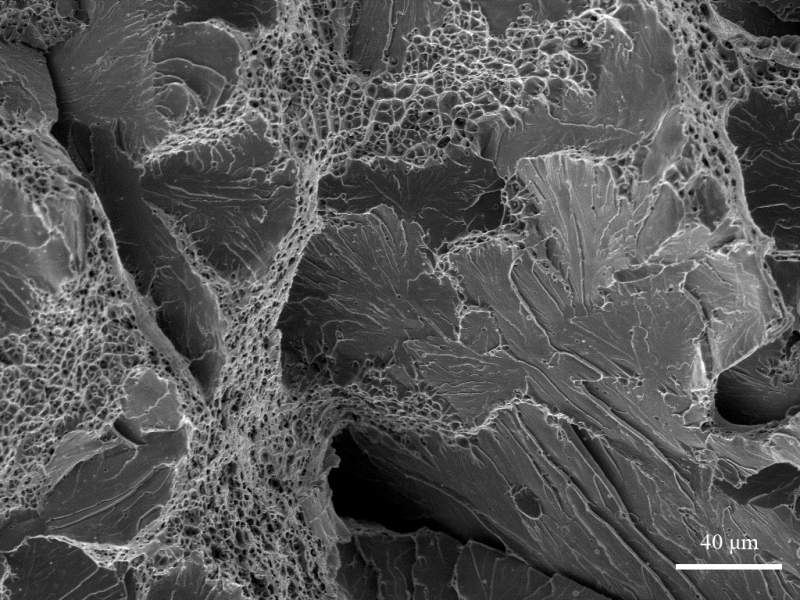
这个是SEM图像是解理还是准解理
已有2人参与
韧窝状撕裂棱。。。
12.jpg
回复此楼
» 猜你喜欢
为什么中国大学工科教授们水了那么多所谓的顶会顶刊,但还是做不出宇树机器人?
已经有11人回复
网上报道青年教师午睡中猝死、熬夜猝死的越来越多,主要哪些原因引起的?
已经有9人回复
【博士招生】太原理工大学2026化工博士
已经有5人回复
什么是人一生最重要的?
已经有5人回复
280求调剂
已经有3人回复
面上可以超过30页吧?
已经有11人回复
版面费该交吗
已经有15人回复
体制内长辈说体制内绝大部分一辈子在底层,如同你们一样大部分普通教师忙且收入低
已经有18人回复
» 本主题相关价值贴推荐,对您同样有帮助:
求助断口分析,是准解理么
已经有9人回复
拉伸断口SEM分析
已经有6人回复
这个是准解理断裂不?下一个是最重要的问题。
已经有3人回复
请教如何分析断口形貌
已经有17人回复
求助各位大神,断口分析,属于准解理断裂吗?韧窝在哪?
已经有5人回复
请大家帮忙看一下这个SEM照片,是属于脆性断裂吗
已经有5人回复
流纹岩柱状解理和玄武岩柱状解理的区别
已经有6人回复
麻烦大家帮我看下这个断口是不是属于准解理断裂
已经有11人回复
k空间是不是可以理解为动量空间,或者至少是电子的准动量空间呢?
已经有7人回复
帮忙看一下疲劳断口图片
已经有9人回复
断口断裂源区分析,求大神~
已经有12人回复
请教:疲劳断口,裂纹萌生处有解理面(有图),说明裂纹沿着滑移面产生扩展形成的吗
已经有8人回复
求助分析断口形貌
已经有14人回复
晶体解理面有无各向异性?
已经有8人回复
钛合金TC4的断口分析
已经有14人回复
求高温合金断口分析
已经有19人回复
SEM疲劳断口分析
已经有7人回复
请问这个断口属于什么断裂,非常感谢!!!!!
已经有14人回复
【求助】请教如何用SEM观察钢解理断口, 找到起裂点的位置?
已经有13人回复
【求助】低温冲击断口分析
已经有25人回复
【求助】断口形貌分析
已经有20人回复
1楼
2015-05-21 14:48:57
已阅
回复此楼
关注TA
给TA发消息
送TA红花
TA的回帖
engle028
至尊木虫
(知名作家)
脚踏实地
MM-EPI: 1
应助: 232
(大学生)
贵宾: 0.516
金币: 17911.5
散金: 2170
红花: 52
沙发: 37
帖子: 7583
在线: 4053.5小时
虫号: 942285
注册: 2010-01-14
性别: GG
专业: 金属材料
【答案】应助回帖
★ ★ ★ ★ ★
感谢参与,应助指数 +1
Mr_鱼: 金币+5,
★★★
很有帮助
2015-05-22 08:50:40
混合型断口 解理加韧窝不是准解理
赞
一下
(1人)
回复此楼
加油,期待一切美好
2楼
2015-05-21 17:35:33
已阅
回复此楼
关注TA
给TA发消息
送TA红花
TA的回帖
lucifer007
铁杆木虫
(正式写手)
应助: 40
(小学生)
金币: 6222.7
散金: 18
红花: 4
帖子: 373
在线: 79.8小时
虫号: 2581759
注册: 2013-08-05
专业: 金属材料的力学行为
【答案】应助回帖
感谢参与,应助指数 +1
解理断裂和韧性断裂的混合断裂
赞
一下
回复此楼
3楼
2015-05-22 08:35:16
已阅
回复此楼
关注TA
给TA发消息
送TA红花
TA的回帖
相关版块跳转
材料综合
材料工程
微米和纳米
晶体
金属
无机非金属
生物材料
功能材料
复合材料
我要订阅楼主
Mr_鱼
的主题更新
3
1/1
返回列表
如果回帖内容含有宣传信息,请如实选中。否则帐号将被全论坛禁言
普通表情
龙
兔
虎
猫
百度网盘
|
360云盘
|
千易网盘
|
华为网盘
在新窗口页面中打开自己喜欢的网盘网站,将文件上传后,然后将下载链接复制到帖子内容中就可以了。
信息提示
关闭
请填处理意见
关闭
确定