| 查看: 344 | 回复: 0 | |||
[求助]
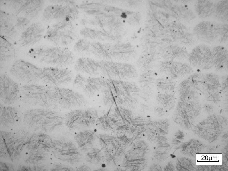
求大神帮忙看一下这几张图片的晶体类型,急急急!
|
|
做的一个堆焊层实验,焊条型号是D212,但是硝酸酒精腐蚀过后的照片很奇怪,分辨不清楚,求大神帮忙看一下,指点一下,感激不尽! 件二堆焊层三50.jpg 件二堆焊层三100.jpg 件二堆焊层三200.jpg 件二堆焊层三500.jpg 件二堆焊层三1000.jpg |
» 猜你喜欢
中南大学易小艺课题组诚招2026申请-考核制博士生
已经有0人回复
海南师范大学招收化学博士(光电功能材料课题组招收博士研究生)
已经有10人回复
无机化学论文润色/翻译怎么收费?
已经有87人回复
找到一些相关的精华帖子,希望有用哦~
请各位老师、大神帮忙描述一下我的晶体,cif在此,金币还会追加哦
已经有16人回复
AB错误修改,急求大神帮忙!!!
已经有4人回复
新手求大神给解决几个A类错误
已经有9人回复
大神们来看看这几张XRD图的区别
已经有12人回复
求助大神画晶体的热椭球图,急!
已经有10人回复
求大神帮忙设计引物,急急急!!!
已经有14人回复
急 急 急 求助xrd方面的大神,不胜感激
已经有7人回复
急求大神帮忙解决
已经有6人回复
JSS期刊投稿返修,编辑的修改意见中有个问题看不懂,求大神们帮忙给个解释!急急急!
已经有4人回复
文献图片中晶面参数是怎么得到的?求大神解惑
已经有8人回复
急急急急急急,TEM测试的图太模糊了,求大神帮忙分析原因!
已经有19人回复
求大神看一下我这个,感觉是软件设置的问题
已经有7人回复
关于金属晶体晶面的几个基础问题,求助大神
已经有16人回复
有几个A,B类错误,新手刚学解晶体,不会弄撒,求助高手大神
已经有4人回复
跪求大神帮忙解决A类错误
已经有3人回复
有谁能帮忙解决几个A类B类错误,急急急!
已经有13人回复
科研从小木虫开始,人人为我,我为人人







回复此楼
点击这里搜索更多相关资源