版块导航
正在加载中...
客户端APP下载
论文辅导
申博辅导
登录
注册
帖子
帖子
用户
本版
应《网络安全法》要求,自2017年10月1日起,未进行实名认证将不得使用互联网跟帖服务。为保障您的帐号能够正常使用,请尽快对帐号进行手机号验证,感谢您的理解与支持!
24小时热门版块排行榜
>
论坛更新日志
(4008)
>
文献求助
(313)
>
虫友互识
(253)
>
导师招生
(131)
>
硕博家园
(103)
>
休闲灌水
(85)
>
考博
(79)
>
招聘信息布告栏
(66)
>
论文投稿
(59)
>
教师之家
(56)
>
基金申请
(55)
>
留学DIY
(39)
>
绿色求助(高悬赏)
(38)
>
公派出国
(32)
>
论文道贺祈福
(29)
>
博后之家
(28)
小木虫论坛-学术科研互动平台
»
网络生活区
»
有奖问答
»
学术帮助
»
急求啊!急求 TEM的分析
2
1/1
返回列表
查看: 287 | 回复: 1
只看楼主
@他人
存档
新回复提醒
(忽略)
收藏
在APP中查看
jeff阿哲阿哲
新虫
(正式写手)
应助: 8
(幼儿园)
金币: 164.9
散金: 16
红花: 2
帖子: 339
在线: 104.1小时
虫号: 2735999
注册: 2013-10-19
专业: 能源化工
[
求助
]
急求啊!急求 TEM的分析
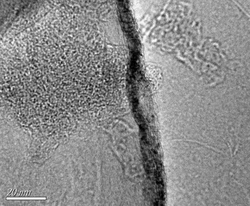
请大家帮我分析一下这几张TEM图 非常感谢
0102-120k.jpg
0103-1000k.jpg
0104-250k.jpg
0111-300k.jpg
0112-1200k.jpg
回复此楼
» 猜你喜欢
博士读完未来一定会好吗
已经有34人回复
心脉受损
已经有8人回复
之前让一硕士生水了7个发明专利,现在这7个获批发明专利的维护费可从哪儿支出哈?
已经有9人回复
博士申请都是内定的吗?
已经有8人回复
读博
已经有5人回复
投稿精细化工
已经有4人回复
导师想让我从独立一作变成了共一第一
已经有9人回复
Springer期刊投稿求助
已经有4人回复
» 本主题相关价值贴推荐,对您同样有帮助:
菜鸟求帮忙分析TEM图和对应的衍射花样图
已经有8人回复
石墨烯的TEM表征 麻烦高人帮忙详细分析一下 谢谢
已经有10人回复
玻璃基体的薄膜的TEM制样如何做?急求!急急急
已经有4人回复
求解,这样的TEM图像,说明了什么?
已经有17人回复
急急急急急急,TEM测试的图太模糊了,求大神帮忙分析原因!
已经有19人回复
高金急求一个关于TEM的问题
已经有19人回复
怎么分析 TEM图片,唉,郁闷
已经有12人回复
大家说下都是在哪里怎么做的磁性颗粒的SEM和TEM
已经有11人回复
TEM表征的问题
已经有14人回复
求助:非晶碳的TEM分析
已经有12人回复
TEM的非晶衍射求分析
已经有7人回复
TEM低倍形貌图观察
已经有10人回复
求助,关于TEM图像分析
已经有11人回复
TiO2的TEM衍射斑点怎么画?!很急
已经有9人回复
TEM电子衍射的问题,急分析,多谢各位啦
已经有17人回复
奇怪的TEM衍射图谱,重金求高手指点
已经有17人回复
【求助】麻烦高手帮我分析一种高分辨TEM图
已经有43人回复
【求助】XRD与TEM中衍射标定的对应问题
已经有8人回复
【求助】关于TEM SAED pattern 的分析
已经有6人回复
【求助】TEM谱图分析
已经有12人回复
【急求助】TEM衍射图谱,分析(3页更新问题!谢谢各位)
已经有39人回复
1楼
2014-07-12 15:27:48
已阅
回复此楼
关注TA
给TA发消息
送TA红花
TA的回帖
gxytju2008
专家顾问
(文坛精英)
专家经验: +1654
博学EPI: 77
应助: 4104
(副教授)
贵宾: 0.053
金币: 47723.2
散金: 4089
红花: 503
帖子: 14991
在线: 7309.4小时
虫号: 1111232
注册: 2010-09-29
性别: GG
专业: 材料物理化学
管辖:
微米和纳米
【答案】应助回帖
看不粗来啥需要特殊分析的东西。。没啥复杂的晶格一类的啊,就是个形貌而已,碳材料么
赞
一下
回复此楼
2楼
2014-07-12 15:38:22
已阅
回复此楼
关注TA
给TA发消息
送TA红花
TA的回帖
相关版块跳转
休闲灌水
虫友互识
文学芳草园
育儿交流
竞技体育
有奖起名
有奖问答
健康生活
我要订阅楼主
jeff阿哲阿哲
的主题更新
2
1/1
返回列表
如果回帖内容含有宣传信息,请如实选中。否则帐号将被全论坛禁言
普通表情
龙
兔
虎
猫
百度网盘
|
360云盘
|
千易网盘
|
华为网盘
在新窗口页面中打开自己喜欢的网盘网站,将文件上传后,然后将下载链接复制到帖子内容中就可以了。
信息提示
关闭
请填处理意见
关闭
确定