版块导航
正在加载中...
客户端APP下载
论文辅导
调剂小程序
登录
注册
帖子
帖子
用户
本版
应《网络安全法》要求,自2017年10月1日起,未进行实名认证将不得使用互联网跟帖服务。为保障您的帐号能够正常使用,请尽快对帐号进行手机号验证,感谢您的理解与支持!
24小时热门版块排行榜
>
论坛更新日志
(3159)
>
虫友互识
(335)
>
文献求助
(179)
>
休闲灌水
(171)
>
导师招生
(133)
>
考博
(70)
>
博后之家
(49)
>
考研
(46)
>
硕博家园
(42)
>
论文投稿
(35)
>
基金申请
(34)
>
论文道贺祈福
(29)
>
公派出国
(26)
>
找工作
(24)
>
教师之家
(23)
>
招聘信息布告栏
(20)
小木虫论坛-学术科研互动平台
»
材料区
»
材料工程
»
其他
»
腐蚀晶界效果交流讨论
4
1/1
返回列表
查看: 985 | 回复: 3
只看楼主
@他人
存档
新回复提醒
(忽略)
收藏
在APP中查看
yuhe0102
新虫
(正式写手)
应助: 0
(幼儿园)
金币: 758.1
散金: 200
红花: 7
帖子: 313
在线: 78.1小时
虫号: 1425056
注册: 2011-10-01
专业: 零件成形制造
[交流]
腐蚀晶界效果交流讨论
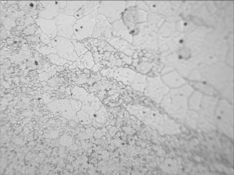
我做材料成型,材料常见的40Cr,变形温度在800℃左右,成形终了温降到600摄氏度,想看一下其奥氏体晶粒度,最初的腐蚀图如1所示,晶粒被拉长,考虑用670℃(炉子误差实际可能650℃)保温1h后空冷,腐蚀结果如图2所示,感觉2中出来奥氏体晶界了,但貌似还有其他的组织,是珠光体吗,怎么才能较好地腐蚀出奥氏体晶界啊,之前用的腐蚀剂75ML水+4.5g苦味酸+3ml金鱼洗涤剂+15ml酒精?
1.jpg
2.jpg
回复此楼
» 猜你喜欢
【26年入学】计算机视觉/电子信息/诚招博士生 光电教育部重点实验室
已经有2人回复
【26年入学】红外半导体/电子信息/嵌入式视觉/诚招博士生 光电教育部重点实验室
已经有0人回复
机械工程论文润色/翻译怎么收费?
已经有115人回复
东北大学2026级申请考核制博士招生(安全工程、矿业工程、通风、能源动力等方向)
已经有19人回复
CSC难上岸,25年东京大学,早稻田,京都大学多Lab大量招募日本全奖博士生!
已经有6人回复
【26年入学】红外半导体/电子信息/嵌入式视觉/诚招博士生 光电教育部重点实验室
已经有0人回复
读博入学申请
已经有1人回复
英国伯明翰大学招收计算流体力学博士研究生
已经有0人回复
英国伯明翰大学招收计算流体力学和气动声学博士研究生
已经有0人回复
2026 博士自荐-机器人机构学方向
已经有13人回复
Advances in mechanical engineering 期刊如何提交署名的出版协议
已经有0人回复
» 本主题相关商家推荐:
(我也要在这里推广)
高级回复
» 本主题相关价值贴推荐,对您同样有帮助:
40Cr空冷腐蚀晶界
已经有8人回复
对于陶瓷材料,请说明为何经过热腐蚀或化学腐蚀就会产生晶界沟槽?没金币,求好人
已经有4人回复
原奥氏体晶界到底怎么腐蚀啊
已经有9人回复
时效态镍基高温合金晶界腐蚀问题
已经有16人回复
α+β型钛合金,加工后的腐蚀晶界很浅,我想看到晶界,应该怎么腐蚀?
已经有9人回复
SEM观察管线钢组织、晶粒时,怎么腐蚀晶界才能如此清晰
已经有7人回复
银铜合金用哪种腐蚀剂能把晶界腐蚀出来?
已经有4人回复
想腐蚀晶界看看晶粒大小却发现晶粒细化了,有人能解释吗
已经有23人回复
钛合金腐蚀晶界问题
已经有19人回复
W5Mo5Cr4V2高速钢可以用什么腐蚀出晶界来啊
已经有26人回复
2Cr13腐蚀不出晶界——求助!!!
已经有8人回复
求铸态ZK60挤压后金相腐蚀问题---腐蚀不出晶界
已经有13人回复
晶界薄膜(IGF)、晶界偏聚、晶界吸附、晶界完全润湿等方面的问题
已经有10人回复
马氏体不锈钢存在晶界腐蚀吗?
已经有10人回复
分析纯铝板退火晶界腐蚀图
已经有43人回复
关于晶界腐蚀!!!!
已经有15人回复
铝合金的晶界腐蚀
已经有18人回复
【求助】钢原奥氏体晶界侵蚀求助
已经有24人回复
【求助】腐蚀晶界的腐蚀液???
已经有15人回复
【求助】Q345钢原始奥氏体晶界的侵蚀问题
已经有5人回复
【讨论】晶界能和表面能有什么区别啊
已经有3人回复
【交流】中碳钢晶界腐蚀的问题请教
已经有7人回复
【求助】求高人指点过共析钢晶界腐蚀技术
已经有5人回复
【讨论】铝合金金相问题
已经有13人回复
【求助】孪晶对腐蚀的影响?
已经有5人回复
【请教】低碳高合金钢晶界腐蚀方法
已经有10人回复
【请教】AZ91铸态合金用什么腐蚀液能腐蚀出晶界?
已经有10人回复
1楼
2014-05-16 09:30:20
已阅
回复此楼
关注TA
给TA发消息
送TA红花
TA的回帖
yuhe0102
新虫
(正式写手)
应助: 0
(幼儿园)
金币: 758.1
散金: 200
红花: 7
帖子: 313
在线: 78.1小时
虫号: 1425056
注册: 2011-10-01
专业: 零件成形制造
有人能指点迷津吗,不胜感激啊
赞
一下
回复此楼
2楼
2014-05-19 09:26:42
已阅
回复此楼
关注TA
给TA发消息
送TA红花
TA的回帖
yuhe0102
新虫
(正式写手)
应助: 0
(幼儿园)
金币: 758.1
散金: 200
红花: 7
帖子: 313
在线: 78.1小时
虫号: 1425056
注册: 2011-10-01
专业: 零件成形制造
哪位大仙解惑一下
赞
一下
(1人)
回复此楼
3楼
2014-05-19 09:28:13
已阅
回复此楼
关注TA
给TA发消息
送TA红花
TA的回帖
yuhe0102
新虫
(正式写手)
顶
4楼
2014-05-20 10:50:25
已阅
回复此楼
关注TA
给TA发消息
送TA红花
TA的回帖
相关版块跳转
材料综合
材料工程
微米和纳米
晶体
金属
无机非金属
生物材料
功能材料
复合材料
我要订阅楼主
yuhe0102
的主题更新
4
1/1
返回列表
如果回帖内容含有宣传信息,请如实选中。否则帐号将被全论坛禁言
普通表情
龙
兔
虎
猫
高级回复
(可上传附件)
百度网盘
|
360云盘
|
千易网盘
|
华为网盘
在新窗口页面中打开自己喜欢的网盘网站,将文件上传后,然后将下载链接复制到帖子内容中就可以了。
信息提示
关闭
请填处理意见
关闭
确定