24小时热门版块排行榜    

北京石油化工学院2026年研究生招生接收调剂公告
查看: 3590  |  回复: 13

Kai_l

银虫 (小有名气)


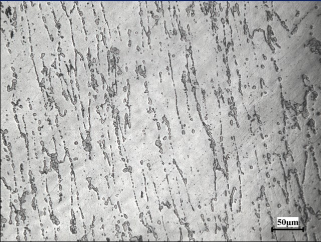
[交流] 求铸态ZK60挤压后金相腐蚀问题---腐蚀不出晶界

试了很多种侵蚀液,有%4硝酸酒精,5g苦味酸+ 5 mL乙酸+ 10 mL 蒸馏水+100mL乙醇,4.8ml蒸馏水+15ml乙二醇+0.2ml硝酸等都不能都显示出晶界,悲催啊~~~
回复此楼

» 猜你喜欢

» 本主题相关价值贴推荐,对您同样有帮助:

» 抢金币啦!回帖就可以得到:

查看全部散金贴

已阅   回复此楼   关注TA 给TA发消息 送TA红花 TA的回帖
回帖置顶 ( 共有1个 )

Kai_l

银虫 (小有名气)


Kai_l: 回帖置顶 2012-03-14 08:23:51
不知道会不会是共晶相过多,导致难以腐蚀,之前对退火态的ZK60进行腐蚀,完全没有问题
4楼2012-03-14 08:23:44
已阅   回复此楼   关注TA 给TA发消息 送TA红花 TA的回帖
普通回帖

Kai_l(金币+1): 谢谢参与
可以找找标准金相图谱,找一下类似的镁合金,应该会有的
2楼2012-03-13 23:28:45
已阅   回复此楼   关注TA 给TA发消息 送TA红花 TA的回帖

lbjcqu

铁杆木虫 (著名写手)


★ ★
Kai_l(金币+1): 谢谢参与
engle028(金币+1): 感谢交流 2012-03-14 08:33:56
我觉得楼主用的苦味酸腐蚀剂,乙酸太少,浓度太小。我的ZK系列,用的是乙酸:乙醇=1:9-10,苦味酸过饱和,不加蒸馏水,时间稍长点,可以试试!
3楼2012-03-13 23:54:24
已阅   回复此楼   关注TA 给TA发消息 送TA红花 TA的回帖

ouyanghui198

银虫 (小有名气)


★ ★
Kai_l(金币+1): 谢谢参与
engle028(金币+1): 感谢交流 2012-03-14 09:44:57
铝合金里面也有这样的现象,原因是挤压之后的样品晶界少有析出,可以进行短时时效之后再腐蚀看,就能看到晶界了
5楼2012-03-14 09:43:00
已阅   回复此楼   关注TA 给TA发消息 送TA红花 TA的回帖

ssexia

银虫 (小有名气)


★ ★
Kai_l(金币+1): 谢谢参与
engle028: 金币+1, 感谢交流 2012-03-15 21:02:09
挤压态要用,5g苦味酸+ 5 mL乙酸+ 10 mL 蒸馏水+100mL乙醇
时间1min
可能LZ腐蚀时间短了
6楼2012-03-15 18:57:17
已阅   回复此楼   关注TA 给TA发消息 送TA红花 TA的回帖

aishudechong

铁虫 (小有名气)


★ ★
Kai_l(金币+1): 谢谢参与
engle028: 金币+1, 感谢交流 2012-03-16 13:03:00
你再试试高浓度,或者浸蚀时间长些,看是否可以腐蚀出晶界。
7楼2012-03-16 12:11:03
已阅   回复此楼   关注TA 给TA发消息 送TA红花 TA的回帖

zoolay

银虫 (小有名气)


★ ★
Kai_l(金币+1): 谢谢参与
毛猴: 金币+1, 感谢交流! 2012-03-16 14:04:27
个人觉得啊,假如不是腐蚀液和腐蚀时间的问题。
ZK60我不是很了解,但经过塑形变形后的材料有可能看不到晶界的,因为你说退火状态的能清晰可见,而且也存在未发生再结晶的可能。
我观察过碳钢的轧后组织,再结晶温度以下退火的就是看不到晶界,退火温度一上去晶界就清晰可见了。
8楼2012-03-16 13:35:16
已阅   回复此楼   关注TA 给TA发消息 送TA红花 TA的回帖

xjw9310

铁杆木虫 (小有名气)



Kai_l(金币+1): 谢谢参与
提高浓度或者时间长点试试
9楼2012-11-26 10:06:59
已阅   回复此楼   关注TA 给TA发消息 送TA红花 TA的回帖

leo肖

金虫 (小有名气)



Kai_l(金币+1): 谢谢参与
LZ现在腐蚀出来了吗?我也在做Mg 合金遇到相同问题,求交流哈~~~
10楼2012-12-04 11:41:09
已阅   回复此楼   关注TA 给TA发消息 送TA红花 TA的回帖

stent

金虫 (著名写手)



Kai_l(金币+1): 谢谢参与
可能你的酸浓度太低了,第一个硝酸酒精腐蚀挤压态镁合金确实不容易。第二个和第三个的乙酸、硝酸貌似都太少了,我们一直用下面这个,效果还可以:
草酸1g+硝酸1ml+乙酸1ml+水150ml,或者:
乙酸20ml+硝酸1ml+乙二醇60ml+水19ml
11楼2012-12-04 16:46:36
已阅   回复此楼   关注TA 给TA发消息 送TA红花 TA的回帖

1003684200

新虫 (初入文坛)



Kai_l(金币+1): 谢谢参与
我最近做了稀土镁合金铸态,遇到了和你一样的问题?请问你最后是怎么把晶界腐蚀出来的,求赐教。急急急
12楼2015-12-06 11:59:19
已阅   回复此楼   关注TA 给TA发消息 送TA红花 TA的回帖

yongfeio

木虫 (小有名气)



Kai_l(金币+1): 谢谢参与
有没有试过  4%的硝酸水溶液呢?   记得文献中提过4%HNO3  aqueous solution ;不知跟你用的4%硝酸酒精 会不会有什么区别~

发自小木虫Android客户端
13楼2015-12-06 16:06:15
已阅   回复此楼   关注TA 给TA发消息 送TA红花 TA的回帖

夏未初

新虫 (初入文坛)



Kai_l(金币+1): 谢谢参与
可能是腐蚀时间的问题
14楼2018-01-03 19:00:44
已阅   回复此楼   关注TA 给TA发消息 送TA红花 TA的回帖
相关版块跳转 我要订阅楼主 Kai_l 的主题更新
普通表情 高级回复 (可上传附件)
最具人气热帖推荐 [查看全部] 作者 回/看 最后发表
[考研] 材料调剂 +7 一样YWY 2026-04-05 8/400 2026-04-05 21:20 by 学员8dgXkO
[考研] 复试调剂 +3 asdasdassda 2026-04-05 3/150 2026-04-05 17:26 by zhousanduo
[考研] 数一英一 347 人工智能国奖论文都有求调剂 +3 乌拉儿山脉 2026-03-30 7/350 2026-04-05 10:32 by zhq0425
[考研] 一志愿北京2,材料与化工308求调剂 +10 熊二想上岸 2026-04-04 10/500 2026-04-05 05:20 by houyaoxu
[考研] 材料工程085601数二英一335求调剂 +6 双马尾痞老板2 2026-03-31 6/300 2026-04-04 22:29 by hemengdong
[考研] 一志愿东北大学085901土木专硕345求调剂 +3 zxt11111 2026-04-04 3/150 2026-04-04 14:21 by 土木硕士招生
[考研] 一志愿085404,总分291,四级已过,求调剂 +5 阿俊阿俊阿俊 2026-04-04 7/350 2026-04-04 13:23 by 莲菜就是藕吧
[考研] 265求调剂 +17 林深温澜 2026-04-01 20/1000 2026-04-04 01:09 by userper
[考研] 265求调剂 +20 梁梁校校 2026-04-01 21/1050 2026-04-04 00:38 by userper
[考研] 专硕 351 086100 也是考的材科基 本科也是材料 +8 202451007219 2026-04-02 8/400 2026-04-03 09:50 by 蓝云思雨
[考研] 土木304求调剂 +4 兔突突突, 2026-04-02 5/250 2026-04-02 21:16 by 兔突突突,
[考研] 260求调剂 +6 朱芷琳 2026-04-02 6/300 2026-04-02 20:27 by 6781022
[考研] 一志愿北交大材料工程总分358 +8 cs0106 2026-04-01 9/450 2026-04-02 10:36 by 不吃魚的貓
[考研] 材料调剂 +12 一样YWY 2026-04-01 12/600 2026-04-02 09:15 by olim
[考研] 298求调剂 +4 什么是胖头鱼 2026-03-30 6/300 2026-04-01 22:06 by 客尔美德
[考研] 262求调剂 +9 励志一定发文章 2026-03-31 10/500 2026-04-01 12:22 by sunshine0013
[考研] 326求调剂 +4 崽崽仔 2026-03-31 4/200 2026-04-01 09:58 by 我的船我的海
[考研] 求调剂:一志愿:南京大学 专业:0705 总分320 ,本科985,四六级已过 +3 lfy760306 2026-03-31 3/150 2026-04-01 01:57 by Creta
[考研] 吉大生物学326分求调剂 +3 sunnyupup 2026-03-31 3/150 2026-03-31 09:28 by longlotian
[考研] 297 地理学070500 复试求调剂 +3 小圆圈圈ooo 2026-03-30 3/150 2026-03-30 21:05 by 余震yz
信息提示
请填处理意见