| ²é¿´: 6318 | »Ø¸´: 43 | ||||
[½»Á÷]
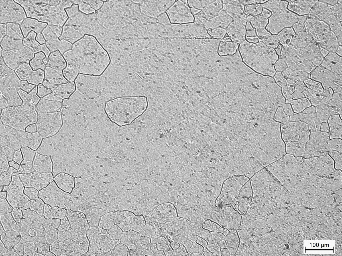
·ÖÎö´¿ÂÁ°åÍ˻𾧽縯ʴͼ
|
||||
|
Çë½ðÊô²ÄÁÏÈÈ´¦ÀíµÄ³æÓÑÃǰï·ÖÎöÏ£¬ÎªÊ²Ã´¸¯Ê´¾§½ç»á³öÏÖÕâÖÖÏÖÏó£¬ ¸¯Ê´¼ÁË®60ºÁÉýºÍÇâ·úËá20ºÁÉýÈÜÒº¡£Ð»Ð» ÍË»ðζÈ600¶È£¬±£ÎÂ150·ÖÖÓ ÍË»ðζÈ600¶È£¬±£ÎÂ150·ÖÖÓ ÍË»ðζÈ600¶È£¬±£ÎÂ240·ÖÖÓ 01.jpg(58.45KB) http://kuai.xunlei.com/d/LnU4DUYKGV3tUAQA7b4?p=130497 01.jpg(58.45KB) http://kuai.xunlei.com/d/LnU4DUYKGV3tUAQA7b4?p=130497 [ Last edited by yiran909 on 2013-1-9 at 20:06 ] 1060´¿ÂÁÔٽᾧÍË»ð600¶È4¸öСʱ¾§Á£´ó¸ÅΪ100΢Ã××óÓÒ¡£ 17 - ¸±±¾.jpg [ Last edited by yiran909 on 2013-12-4 at 14:07 ] |
» ÊÕ¼±¾ÌûµÄÌÔÌûר¼ÍƼö
²ÄÁÏ´¦Àí¼Ó¹¤ |
» ²ÂÄãϲ»¶
302·ÖÇóµ÷¼Á Ò»Ö¾Ô¸°²»Õ´óѧ085601
ÒѾÓÐ5È˻ظ´
²ÄÁÏÓ뻯¹¤371Çóµ÷¼Á
ÒѾÓÐ4È˻ظ´
313Çóµ÷¼Á
ÒѾÓÐ3È˻ظ´
Çóµ÷¼Á
ÒѾÓÐ6È˻ظ´
²ÄÁϹ¤³Ì302·ÖÇóµ÷¼Á
ÒѾÓÐ5È˻ظ´
ÉúÎïѧ308·ÖÇóµ÷¼Á£¨Ò»Ö¾Ô¸»ª¶«Ê¦´ó£©
ÒѾÓÐ4È˻ظ´
304Çóµ÷¼Á£¨085602£¬¹ýËļ¶£¬Ò»Ö¾Ô¸985£©
ÒѾÓÐ8È˻ظ´
¸´ÊÔµ÷¼Á
ÒѾÓÐ6È˻ظ´
Çó
ÒѾÓÐ4È˻ظ´
Çóµ÷¼Á
ÒѾÓÐ8È˻ظ´
» ±¾Ö÷ÌâÏà¹ØÉ̼ÒÍÆ¼ö: (ÎÒÒ²ÒªÔÚÕâÀïÍÆ¹ã)
» ±¾Ö÷ÌâÏà¹Ø¼ÛÖµÌùÍÆ¼ö£¬¶ÔÄúͬÑùÓаïÖú:
ÍË»ð´¿ÂÁΪʲô»áºÜÈí£¬µ«ÊÇÑÓÕ¹ÐÔÈ´²»ºÃ¡£
ÒѾÓÐ15È˻ظ´
ÒøÍºÏ½ðÓÃÄÄÖÖ¸¯Ê´¼ÁÄܰѾ§½ç¸¯Ê´³öÀ´£¿
ÒѾÓÐ4È˻ظ´
2Cr13¸¯Ê´²»³ö¾§½ç¡ª¡ªÇóÖú£¡£¡£¡
ÒѾÓÐ8È˻ظ´
¾§½ç±¡Ä¤£¨IGF£©¡¢¾§½çÆ«¾Û¡¢¾§½çÎü¸½¡¢¾§½çÍêÈ«ÈóʪµÈ·½ÃæµÄÎÊÌâ
ÒѾÓÐ10È˻ظ´
ÈÈ´¦Àíºó¾§Á£³ß´ç´óСµÄÎÊÌâ
ÒѾÓÐ22È˻ظ´
ÇëÎÊ95%µÄ·ÖÎö´¿Ò©Æ·¿ÉÒÔµ±±ê׼ƷÂð£¿
ÒѾÓÐ24È˻ظ´
´¿µÄ½ðÊôîÙÒ»°ãÔõôÍË»ð£¿
ÒѾÓÐ4È˻ظ´
¼îÏ´¶ÆÂÁп¸Ö°å±íÃæ
ÒѾÓÐ5È˻ظ´
Çë½ÌFTO±¡Ä¤µÄÈÞÃæÓÃʲôÀ´¸¯Ê´ÖÆÈÞ£¿
ÒѾÓÐ4È˻ظ´
ÔõÑù¸¯Ê´³öAZϵÁÐþºÏ½ðµÄ¾§½çÄØ£¿
ÒѾÓÐ7È˻ظ´
¹ØÓÚ¾§½ç¸¯Ê´£¡£¡£¡£¡
ÒѾÓÐ15È˻ظ´
¾§½çÀ©É¢Óë¾§½çÇ¨ÒÆµÄ¾ßÌåÇø±ð¡¢»úÀí
ÒѾÓÐ11È˻ظ´
ÏëÒªÔÚSEMϹ۲ìÔªËØÊÇ·ñÔÚ¾§½ç´¦Óоۼ¯£¬ÊÔÑùÐèÒª¸¯Ê´Âð£¿Áí¸¯Ê´³ö΢ÁÑÎÆ£¿
ÒѾÓÐ14È˻ظ´
ÂÁºÏ½ðµÄ¾§½ç¸¯Ê´
ÒѾÓÐ18È˻ظ´
¡¾ÇóÖú¡¿½ðÊôÈȼӹ¤Í¼
ÒѾÓÐ17È˻ظ´
¡¾ÇóÖú¡¿¸¯Ê´¾§½çµÄ¸¯Ê´Òº£¿£¿£¿
ÒѾÓÐ15È˻ظ´
¡¾½»Á÷¡¿ÖÐ̼¸Ö¾§½ç¸¯Ê´µÄÎÊÌâÇë½Ì
ÒѾÓÐ7È˻ظ´
¡¾Çë½Ì¡¿µÍ̼¸ßºÏ½ð¸Ö¾§½ç¸¯Ê´·½·¨
ÒѾÓÐ10È˻ظ´
¡¾Çë½Ì¡¿AZ91Öý̬ºÏ½ðÓÃʲô¸¯Ê´ÒºÄܸ¯Ê´³ö¾§½ç£¿
ÒѾÓÐ10È˻ظ´
» ÇÀ½ð±ÒÀ²£¡»ØÌû¾Í¿ÉÒԵõ½:
»¶Óµ÷¼Á·ðɽ´óѧ×ÊÔ´Óë»·¾³×¨ÒµË¶Ê¿
+2/144
½ËÕ´óѧ£¬»·¾³¿ÆÑ§/»·¾³¹¤³Ìרҵ£¬µ÷¼Á
+1/86
¼ÃÄÏ´óѧÂÀΰÃ÷½ÌÊÚ¿ÎÌâ×éÕÐÊÕÎïÀíѧ˶ʿµ÷¼ÁÉú
+1/76
2026ÄêÄþ²¨¹¤³ÌѧԺ¶Å¿¡Ò㸱Ñо¿Ô±ÕÐÊÕ»¯Ñ§²ÄÁÏ»úеÀà˶ʿÑо¿Éú£¨º¬µ÷¼Á£©
+1/54
2026ÄêºÓ±±´óѧÎÞ»ú»¯Ñ§×¨ÒµÕÐÊÕµ÷¼ÁÉú
+1/40
ÉϺ£½»´ó»¯ÔºµËéªéª¿ÎÌâ×éÕÐÊÕ26ÄêÇï¼¾ÈëѧÉêÇ뿼ºË²©Ê¿
+1/39
Ìì½òÀí¹¤´óѧ¹¦Äܾ§ÌåÑо¿Ôº£¨¾§Ìå²ÄÁÏÈ«¹úÖØµãʵÑéÊÒ£©½ÜÇàÍŶÓÕÐÊÕ2026Äê˶ʿÑо¿Éú
+1/36
±±¾©Àí¹¤´óѧ£¨Ö麣£©ÕÐÊÕ2026¼¶¿¼ºËÖÆ²©Ê¿
+1/18
ÇóÍÆ¼ö»¯Ñ§²ÄÁÏÀàºÃͶ¡¢¼û¿¯¿ìµÄÆÚ¿¯
+1/14
Ï𽺲ÝÖÖ×ÓÇóÖú
+1/11
µçÁ¦È«¹úÖØµãʵÑéÊÒ˫һÁ÷AÀ೤½Ñ§ÕßÍŶÓÕÐ2026ÄêÈ«ÈÕÖÆ²©Ê¿1Ãû£¨4ÔÂ3ÈÕ½ØÖ¹£©
+1/10
Î人¹¤³Ì´óѧ»·¾³¿ÆÑ§¡¢ÉúÎ﹤³Ì¡¢ÉúÎ﹤³ÌÓë¼¼Êõ·½Ïò¾ù½ÓÊܵ÷¼Á
+1/8
ÆëÆë¹þ¶û´óѧÀîÀò¿ÎÌâ×é³ÏÕÐ2026¼¶¿¼Ñе÷¼ÁÉú£¨Ñ§Ë¶ºÍר˶£©
+1/7
¹ã¶«Ò½¿Æ´óѧ£¨¶«Ý¸ËÉɽºþÐ£Çø£©ÉúÎïҽѧ¹¤³ÌѧÊõÐÍ˶ʿ½ÓÊÕµ÷¼Á£¡
+1/6
±±¾©·þװѧԺ ²ÄÁÏÉè¼ÆÓ빤³ÌѧԺ ·ÄÖ¯»¯Ñ§ÓëȾÕû¹¤³Ì½ÓÊÕ˶ʿÑо¿Éúµ÷¼Á2026
+1/5
³¤½Ê¦·¶Ñ§Ôº ²ÄÁϹ¤³Ì ÕÐÊÕµ÷¼ÁѧÉú
+1/5
ÖйúʯÓÍ´óѧ£¨±±¾©£©ÕÐÊÕÓͲØÊýֵģÄâ¡¢ÓÍÆøÈ˹¤ÖÇÄÜ¡¢ÓÍÌﻯѧµÈÏà¹Ø·½Ïò²©Ê¿ºó
+1/5
ºÓÄϳǽ¨Ñ§ÔºÕÐÊÕÍÁľÓëË®Àû¡¢×ÊÔ´Óë»·¾³µ÷¼ÁÉú
+1/5
¹þ¹¤³ÌÑĮ̀Ժ²Ä»¯×¨Òµ2026µ÷¼ÁÐÅÏ¢
+1/4
³ÏÑû¾ß±¸Êý¾Ý¿ÆÑ§¡¢¼ÆËã»ú¿ÆÑ§»ò»¯Ñ§µÈÏà¹ØÖªÊ¶µÄͬѧ¼ÓÈëÍŶÓ
+1/3
7Â¥2011-12-19 15:28:29
Tony0605
½ð³æ (СÓÐÃûÆø)
- MM-EPI: 1
- Ó¦Öú: 25 (СѧÉú)
- ½ð±Ò: 1585.3
- Ìû×Ó: 243
- ÔÚÏß: 70.3Сʱ
- ³æºÅ: 1481307
¡ï ¡ï
Сľ³æ: ½ð±Ò+0.5, ¸ø¸öºì°ü£¬Ð»Ð»»ØÌû
zhyq8767: ½ð±Ò+1, ¸Ðл½»Á÷ 2012-03-20 08:56:16
Сľ³æ: ½ð±Ò+0.5, ¸ø¸öºì°ü£¬Ð»Ð»»ØÌû
zhyq8767: ½ð±Ò+1, ¸Ðл½»Á÷ 2012-03-20 08:56:16
| ×î½ü¿´Êé¸Õ¿´µ½£¬¹ØÓÚÍË»ðÔٽᾧ¡£ÎÒ¾õµÃÄãÄǸö´Ö´óµÄ¾§Á£ÊÇ·´³£ÔٽᾧµÄ½á¹û¡£ÔÒòÓëÍË»ðζÈÒÔ¼°±£ÎÂʱ¼äÓйء£¿ÉÄÜÄãµÄζȸßÁË¡£Ïêϸ²Î¼û¡¶½ðÊôѧÓëÈÈ´¦Àí¡·´ÞÖÒÛß P208ͼ7-23 |
» ±¾ÌûÒÑ»ñµÃµÄºì»¨£¨×îÐÂ10¶ä£©
26Â¥2012-03-19 18:59:47
¡ï
Сľ³æ: ½ð±Ò+0.5, ¸ø¸öºì°ü£¬Ð»Ð»»ØÌû
Сľ³æ: ½ð±Ò+0.5, ¸ø¸öºì°ü£¬Ð»Ð»»ØÌû
ͬÊÇ×ö´¿ÂÁ¾§Á£µÄ£¬Çó½ÌÂ¥Ö÷µÄ½ðÏàÖÆ×÷·½·¨£¬×îºÃÏêϸµã |
28Â¥2012-03-22 10:06:29
¡ï
Сľ³æ(½ð±Ò+0.5):¸ø¸öºì°ü£¬Ð»Ð»»ØÌû
Сľ³æ(½ð±Ò+0.5):¸ø¸öºì°ü£¬Ð»Ð»»ØÌû
| ÎÒÖ§³Öһϣ¬ËäÈ»ÎÒÒ²²»´óÃ÷°×£¬µ«ÄãµÄͼͦö¦µÄ£¡ |
2Â¥2011-12-19 10:20:58
¡ï
Сľ³æ(½ð±Ò+0.5):¸ø¸öºì°ü£¬Ð»Ð»»ØÌû
Сľ³æ(½ð±Ò+0.5):¸ø¸öºì°ü£¬Ð»Ð»»ØÌû
| ÊǸ´ºÏ²ÄÁÏÂ𣿻¹ÓÐÄã˵µÄÕâÖÖÏÖÏóÊÇÖ¸£ºÄǸö´óµÃ¾§½ç»¹ÊǵÚÈý·ùͼµÄ·Ö½çÏßÄØ |
3Â¥2011-12-19 10:32:34
¡ï
Сľ³æ(½ð±Ò+0.5):¸ø¸öºì°ü£¬Ð»Ð»»ØÌû
Сľ³æ(½ð±Ò+0.5):¸ø¸öºì°ü£¬Ð»Ð»»ØÌû
|
¶Ô°¡£¬µ½µ×ÊÇʲôÏÖÏó°¡£¿´ó¾§Á£Ó¦¸ÃÊÇ¿¿½ü°åÖÐÐÄλÖõİɣ¬Äý¹ÌËÙ¶ÈÂýµ¼Ö¾§Á£½Ï´ó¡£ »¹ÓеÚÈý·ùͼÔõô¸¯Ê´µÄ²»Çå³þ°¡£¬Ï²¿ÊÇÔõô¸öÇé¿ö°¡ |
4Â¥2011-12-19 10:45:37
5Â¥2011-12-19 15:21:34
6Â¥2011-12-19 15:25:11
¡ï ¡ï
Сľ³æ(½ð±Ò+0.5):¸ø¸öºì°ü£¬Ð»Ð»»ØÌû
engle028(½ð±Ò+1): ¸Ðл²ÎÓë 2011-12-19 17:21:33
yiran909(½ð±Ò+2): 2011-12-25 21:07:42
Сľ³æ(½ð±Ò+0.5):¸ø¸öºì°ü£¬Ð»Ð»»ØÌû
engle028(½ð±Ò+1): ¸Ðл²ÎÓë 2011-12-19 17:21:33
yiran909(½ð±Ò+2): 2011-12-25 21:07:42
|
¶î¶î£¬ÄDz»ºÃÒâ˼£¬ÎÒÊǸãÖýÔìµÄ£¬³öÏֳߴç´óС²»¾ùÎÒÊ×ÏÈÏëµ½Äý¹ÌËٶȵIJ»Í¬¡¡ ÎÒ¾õµÃÓÐÁ½¸ö¿ÉÄÜ£¬1ÊǾ§½çûÓб»¸¯Ê´³öÀ´£¬£¬ÏñµÚÒ»¸öͼÖдó¾§Á£Ö®¼ä»¹ÓиöС¾§Á£¡¡¸¯Ê´ÒºµÄÎÊÌ⣬»¹ÊÇ·½·¨µÄÎÊÌ⣿ 2¾ÍÊǾ§Á£¾ÍÕâô´ó£¬±¾Éí¾ÍûÓо§½ç£¬Õâ¸ö¿ÉÄÜÐÔÓжà´ó£¿ |
8Â¥2011-12-19 16:15:09
9Â¥2011-12-19 16:15:57
10Â¥2011-12-19 20:35:22
11Â¥2011-12-19 20:48:10
12Â¥2011-12-19 22:01:05
13Â¥2011-12-19 22:54:45
¡ï ¡ï
Сľ³æ(½ð±Ò+0.5):¸ø¸öºì°ü£¬Ð»Ð»»ØÌû
aishan(½ð±Ò+1): ¸Ðл½»Á÷ 2011-12-20 13:49:37
Сľ³æ(½ð±Ò+0.5):¸ø¸öºì°ü£¬Ð»Ð»»ØÌû
aishan(½ð±Ò+1): ¸Ðл½»Á÷ 2011-12-20 13:49:37
| ³É·ÖÉÔ΢²»¾ùÔȵϰÍË»ð´æÔÚһЩ´ó¾§Á£ºÜÕý³££¬700¦ÌmÒÔÉϵľ§Á£¶¼¼û¹ý£»Ò²ÓпÉÄܲ¿·Ö¾§½çû¸¯Ê´³öÀ´£¬ËáŨ¶ÈÊDz»ÊÇÓеã¸ß°¡£¬¿ÉÒÔÓõÍÒ»µãµÄÊÔÊÔ£¬»òÑô¼«Ñõ»¯¿´¿´ |
14Â¥2011-12-20 00:55:44
¡ï
Сľ³æ(½ð±Ò+0.5):¸ø¸öºì°ü£¬Ð»Ð»»ØÌû
Сľ³æ(½ð±Ò+0.5):¸ø¸öºì°ü£¬Ð»Ð»»ØÌû
Â¥Ö÷ÄãºÃ£¬ÄãÄÇÓд¿ÂÁµÄÐÔÄܲÎÊýô£¬±ÈÈ翹À¼«ÏÞ¡¢¼ôÇм«ÏÞ¡¢µ¯ÐÔÄ£Á¿µÈµÈ£¬Ð»Ð»Â¥Ö÷ÁË |
15Â¥2011-12-20 08:37:44
16Â¥2011-12-20 09:37:18
¡ï ¡ï
Сľ³æ(½ð±Ò+0.5):¸ø¸öºì°ü£¬Ð»Ð»»ØÌû
zhyq8767(½ð±Ò+1): ¸Ðл½»Á÷£¡ 2011-12-21 10:56:37
Сľ³æ(½ð±Ò+0.5):¸ø¸öºì°ü£¬Ð»Ð»»ØÌû
zhyq8767(½ð±Ò+1): ¸Ðл½»Á÷£¡ 2011-12-21 10:56:37
| ÄãµÄ°å×îÀäÔþ¿ªÊ¼Ç°ÊÇÈÈÔþµÄ»¹ÊÇÖýÔþµÄ£¬Èç¹ûÊÇÖýÔþ°åµÄ£¬ÔþÖÆÍË»ðºóÒ»°ã±íÃæ¾§Á£±ÈÐIJ¿µÄ´ó£¬½¨ÒéÄã¿ÉÒÔÓÃÑô¼«¸²Ä¤£¬ÔÚÆ«¹âÏÔ΢¾µÏ¿´Ï¾§Á£Çé¿öÔõôÑù |
17Â¥2011-12-20 17:00:44
18Â¥2011-12-20 18:53:56
¡ï
Сľ³æ(½ð±Ò+0.5):¸ø¸öºì°ü£¬Ð»Ð»»ØÌû
yiran909(½ð±Ò+2): 2011-12-25 20:34:47
Сľ³æ(½ð±Ò+0.5):¸ø¸öºì°ü£¬Ð»Ð»»ØÌû
yiran909(½ð±Ò+2): 2011-12-25 20:34:47
|
Èç¹ûÄãÊÖÉϵİå²ÄÊǼӹ¤×´Ì¬µÄ£¬¿ÉÒÔÊÔÒ»ÏÂÂýËÙÉýε½600¡æ£¬ÑÓ³¤³¤Ê±¼ä±£Î¿´¿´£¬²»¹ý´ÓÄãµÄÕÕÆ¬ÉÏ¿´Ò²²î²»¶àÔÚ100umÁË |
19Â¥2011-12-20 20:35:07
20Â¥2011-12-21 09:07:04
¡ï ¡ï
Сľ³æ(½ð±Ò+0.5):¸ø¸öºì°ü£¬Ð»Ð»»ØÌû
zhyq8767(½ð±Ò+1): ¸Ðл½»Á÷£¡ 2011-12-25 00:03:03
yiran909(½ð±Ò+2): 2011-12-25 20:28:54
Сľ³æ(½ð±Ò+0.5):¸ø¸öºì°ü£¬Ð»Ð»»ØÌû
zhyq8767(½ð±Ò+1): ¸Ðл½»Á÷£¡ 2011-12-25 00:03:03
yiran909(½ð±Ò+2): 2011-12-25 20:28:54
| ÂÁ°å±íÃæ²ÐÓàÓ¦Á¦·Ö²¼²»¾ùÔȳöÏÖÒì³£¾§Á£³¤´ó£¬´ó¾§Á£Í̲¢Ð¡¾§Á£¶ø³¤´ó£¬Õâ¸öÎÒÒÔǰҲÓöµ½¹ý£¬¾§Á£±ÈÄãµÄ´óµÄ¶à |
21Â¥2011-12-25 00:00:28
Õ½¹úʱ´ú
Ìú¸Ëľ³æ (ÖøÃûдÊÖ)
- MM-EPI: 4
- Ó¦Öú: 105 (¸ßÖÐÉú)
- ¹ó±ö: 0.981
- ½ð±Ò: 11331.8
- Ìû×Ó: 1718
- ÔÚÏß: 746.6Сʱ
- ³æºÅ: 1119272
¡ï ¡ï
Сľ³æ(½ð±Ò+0.5):¸ø¸öºì°ü£¬Ð»Ð»»ØÌû
ëºï(½ð±Ò+1): ¸Ðл½»Á÷£¡ 2011-12-25 18:52:41
yiran909(½ð±Ò+2): 2011-12-25 20:28:46
Сľ³æ(½ð±Ò+0.5):¸ø¸öºì°ü£¬Ð»Ð»»ØÌû
ëºï(½ð±Ò+1): ¸Ðл½»Á÷£¡ 2011-12-25 18:52:41
yiran909(½ð±Ò+2): 2011-12-25 20:28:46
|
Èç¹ûÊÇ´¿ÂÁ Ã²ËÆ ÍË»ðζÈÓеã¸ßŶ ¸öÈ˾õµÃ ºÇºÇ |
22Â¥2011-12-25 16:26:53
¡ï ¡ï
Сľ³æ(½ð±Ò+0.5):¸ø¸öºì°ü£¬Ð»Ð»»ØÌû
zhyq8767(½ð±Ò+1): ¸Ðл½»Á÷£¡ 2011-12-25 19:04:07
yiran909(½ð±Ò+2): 2011-12-25 20:28:31
Сľ³æ(½ð±Ò+0.5):¸ø¸öºì°ü£¬Ð»Ð»»ØÌû
zhyq8767(½ð±Ò+1): ¸Ðл½»Á÷£¡ 2011-12-25 19:04:07
yiran909(½ð±Ò+2): 2011-12-25 20:28:31
|
¸öÈ˸оõÓ¦¸ÃÊÇsubgrainµÄÎÊÌ⣬ÓÐЩsubgrainºÜС£¬ÄãOM¸ù±¾¿´²»µ½£¬Õâ¸ö²»¹Ü¸¯Ê´ÒºµÄÎÊÌ⣬ËùÒÔ½¨ÒéÄã×îºÃ×öTEM£¬¸ß·Ö±æEBSDÒ²¿ÉÒÔ£¬×îÆðÂëÄãҪȷ¶¨subgrainÓжàС£¬EBSD¿ÉÒÔ¸æËßÄãÊǸ߽ǻ¹ÊǵͽǾ§½ç¡£ PS£º¹¤ÒµÓÃÂÁÀïÃæÔÓÖʺܶ࣬ÎÒÒÔǰ¿´TEMµÄʱºò¶¼Óз¢ÏֺܶຬSi£¨Ê¯Í·£©£¬Fe£¨¿ÉÄÜÊǯ×ӵ쩵ÄÏ࣬µ±È»Ò²¿ÉÄÜÊÇÎö³ö¡£ |
23Â¥2011-12-25 18:57:04
24Â¥2011-12-25 20:31:26
25Â¥2011-12-25 21:06:44
27Â¥2012-03-19 22:32:01
29Â¥2012-07-17 16:22:23
30Â¥2012-07-18 09:31:47
31Â¥2013-01-08 15:03:34
32Â¥2013-01-08 16:31:02
33Â¥2013-01-09 16:16:17
34Â¥2013-01-09 20:02:14
35Â¥2013-01-09 20:10:47
36Â¥2013-01-11 22:23:40
37Â¥2013-11-29 09:43:44
|
²»ÖªµÀµÄÄãµÄ½ðÏàÊÔÑùÄ£µÄÔõÑù°¡£¬ ±íÃæÒªÅ×¹âûÓл®ºÛµÄ£¬ Èç¹ûÄ¥Å×µÄÖÊÁ¿²»ºÃ£¬ Ò²ºÜÄѸ¯Ê´³öºÃµÄ½á¹ûµÄ£¬ ¸¯Ê´µÄʱ¼äÉϽ¨Òé½øÐг¢ÊÔ£¬ °ÑÎÕʱ¼ä£¬ÓÃÇÖÊ´µÄ·½·¨£¬ ¾ÍÊǰÑÊÔÑùÔÚ¸¯Ê´ÒºÖÐÇÖÅÝÒ»¶¨Ê±¼ä£¬ ÎÒ˵µÄ·½·¨Ö»ÊÇÎҵľÑ飬¹Ø¼üÄãµÄ¸ù¾ÝÎҵľÑé×Ô¼º»¹µÄ̽Ë÷Ò»ÏÂŶ ²»ÖªÄãµÄ²ÄÁÏÊÇʲô״̬µÄ£¬ ÊÇÔþÖÆÌ¬µÄ£¬»¹ÊÇÔٽᾧÍË»ðµÄµÄ ¸Ð¾õºÃÏñ¾§Á£±È½Ï´ó°¡ |
38Â¥2013-11-29 11:59:47
39Â¥2013-11-29 21:16:58
40Â¥2013-12-04 10:34:56
41Â¥2013-12-04 12:10:41
|
ÄãÕâ¸öÓ¦¸Ã˵ÊǸ¯Ê´³ö¾§½çÁË£¬ µ«ÊÇÓÉÓÚÊÔÑùÄ¥µÄ²»Æ½£¬µ¼Ö¾ֲ¿Çå³þ£¬ÆäËûµØ·½Ä£ºý£¬ ÄÄЩºÚµãµã£¬Ó¦¸ÃÊÇÄ㸯ʴºóûÓÐÇåÎú¸É¾»Å¶£¬ ÎÒÏÖÔÚÓô¿Í£¬ÓÐÒ»¶Îʱ¼ä²»Óô¿ÂÁÀ²£¬ Çâ·úËáºÍË®µÄÌå»ý±È¿ÉÑ¡1:1,1:2,1:3 ʱ¼ä°ÑÎÕÔÚ30-60ÃëŶ£¬Ö÷Òª»¹ÊÇ×Ô¼º³¢ÊÔŶ£¬ ÎÒ¿ÉÒÔÉÏ´«Ò»ÕÅÎÒ×Ô¼º×öµÄ1060µÄ¾§Á£Í¼¹©²Î¿¼¡£ ²»ÖªµÀÄãÄ¥Á˶೤ʱ¼ä£¬ÎÒÊÇ´¿ÍºÍ´¿ÂÁÃþË÷Á˺ó¤Ò»¶Îʱ¼ä£¬ ´ÓÔٽᾧÍË»ðµ½ÖÆ×÷ÊÔÑù´¦ÀíÅÄÕÕ¡£ |
42Â¥2013-12-04 14:06:10
43Â¥2013-12-07 10:17:36
44Â¥2013-12-07 10:20:42














»Ø¸´´ËÂ¥

yiran909