| 查看: 6177 | 回复: 26 | ||||
[交流]
W5Mo5Cr4V2高速钢可以用什么腐蚀出晶界来啊
|
||||
|
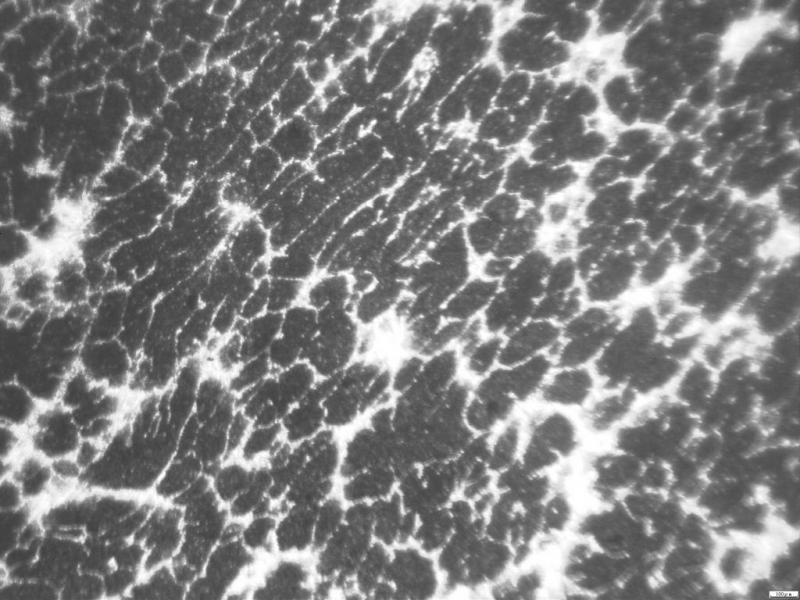
如题,我想知道大家都是用什么腐蚀液,腐蚀出W5Mo5Cr4V2高速钢晶界来啊????我用的是Fecl3或者硝酸酒精腐蚀的晶界不明显啊,下面是我我腐蚀的图片,大家帮忙给我看看吧,是腐蚀过了?还是没腐蚀出来?我看不懂啊 |
» 收录本帖的淘帖专辑推荐
学习 |
» 猜你喜欢
0703调剂,一志愿天津大学319分
已经有7人回复
材料专硕(0856) 339分求调剂
已经有9人回复
332求调剂
已经有14人回复
086000生物与医药求调剂
已经有3人回复
081700,311,求调剂
已经有14人回复
308求调剂
已经有3人回复
316求调剂
已经有5人回复
求调剂
已经有7人回复
一志愿北交大材料工程总分358求调剂
已经有3人回复
材料调剂
已经有13人回复
» 本主题相关价值贴推荐,对您同样有帮助:
做实验手被浓硫酸腐蚀了,呜呜......
已经有97人回复
在化玻璃时如何控制玻璃液对铝坩埚的腐蚀
已经有13人回复
局部晶界取向差????????????????????
已经有7人回复
发酵罐内壁被腐蚀啦
已经有10人回复
怎么样才能除去钢制刀架上被氢氟酸腐蚀的的氧化层????十万火急啊~~~~
已经有6人回复
锂离子电池中的铝箔腐蚀机理是什么
已经有12人回复
2Cr13腐蚀不出晶界——求助!!!
已经有8人回复
有关氮氧化硅的(Si2N2O)腐蚀的问题
已经有8人回复
低碳钢用什么腐蚀奥氏体晶界
已经有22人回复
想要在SEM下观察元素是否在晶界处有聚集,试样需要腐蚀吗?另腐蚀出微裂纹?
已经有14人回复
腐蚀保护膜的电化学测试
已经有6人回复
迷茫,我该怎么办啊?
已经有16人回复
【求助】腐蚀晶界的腐蚀液???
已经有15人回复
【求助】求Fe-9Cr合金钢腐蚀剂
已经有4人回复
【求助】分析材料的耐腐蚀性能时一般用什么方法?
已经有7人回复
【请教】AZ91铸态合金用什么腐蚀液能腐蚀出晶界?
已经有10人回复
» 抢金币啦!回帖就可以得到:
安徽师范大学有机化学专业调剂
+1/281
铟锡化合物半导体材料与器件团队推介
+1/191
钠离子电池交流贴
+1/93
物理学 调剂
+1/91
广西师范大学-王艳课题组2026年招收药学学硕 、生物与医药专硕调剂生
+1/86
聊城大学省重点实验室 收化学专业硕士调剂、网上面试无笔试、名额充足、可调专业广泛
+1/82
延安大学接收化学与化工学院接收调剂生(化学、化工学硕和材料与化工专硕)
+2/70
2026 硕士研究生调剂|河南工业大学化学化工学院名额开放
+2/58
广西大学农学院硕士研究生调剂(限报考专业09开头)4月8日开通调剂系统
+2/46
中山大学潘越教授现新增1个分子医学学术学位硕士名额
+1/35
抗病毒性传染病创新药物全国重点实验室—接收化学、生物、药学、生物与医药调剂考生
+1/23
煤炭科学研究总院招收2026年生态学专业硕士调剂生1名
+1/20
太原科技大学材料科学与工程学院“03高性能轻质合金及新能源材料”学硕与专硕有缺额
+1/10
浙江农林大学-桂金山课题组(植物细胞壁-生物质与生物能源)-2026年硕士研究生调剂
+1/8
英国拉夫堡大学博士招生 电池方向
+1/7
广东省环境科学研究院招聘质谱方向博士一名
+1/6
化学与精细化工广东省实验室-汕头大学2026年联合培养硕士研究生调剂招生
+1/6
【招收调剂】07/08/09学生看过来 环境 农业 生态学 生物 化学 计算机 材料 市政
+1/5
杭州师范大学-浙江省湿地智慧监测与生态修复重点实验室团队硕士调剂公告
+1/4
厦门大学电磁声学研究院 陈雅鸿副教授课题组 新增两名硕士研究生名额
+1/3
14楼2012-04-23 08:27:44
20楼2012-04-24 20:58:26
★
张梦真love(金币+1): 谢谢参与
zhyq8767: , 专业求助请不要表情灌水 2012-04-20 08:27:28
张梦真love(金币+1): 谢谢参与
zhyq8767: , 专业求助请不要表情灌水 2012-04-20 08:27:28
|
嘿嘿 [ 发自手机版 http://muchong.com/3g ] |
4楼2012-04-20 01:40:24
6楼2012-04-20 11:48:54
8楼2012-04-20 14:01:23
9楼2012-04-20 14:49:41
10楼2012-04-20 16:59:52
11楼2012-04-20 22:05:36
12楼2012-04-20 22:20:45
13楼2012-04-20 22:21:25
15楼2012-04-23 21:51:38
16楼2012-04-24 08:29:42
18楼2012-04-24 14:16:16
21楼2012-04-24 21:46:31
22楼2012-04-26 14:41:00
★ ★
张梦真love(金币+1): 谢谢参与
yongyong2050: 金币+1, 感谢,王水腐蚀性是很好,但是如果用来腐蚀晶界,是否可行啊?~~欢迎详细交流~~~ 2012-04-26 18:45:29
张梦真love(金币+1): 谢谢参与
yongyong2050: 金币+1, 感谢,王水腐蚀性是很好,但是如果用来腐蚀晶界,是否可行啊?~~欢迎详细交流~~~ 2012-04-26 18:45:29
用王水 |
23楼2012-04-26 15:14:07
24楼2013-06-10 19:36:28
25楼2013-06-10 19:37:14
26楼2013-06-10 22:39:52
27楼2013-12-12 10:48:01
简单回复
一个小水滴2楼
2012-04-20 00:34
回复
张梦真love(金币+1): 谢谢参与
zhyq8767: , 专业求助请不要表情灌水 2012-04-20 08:27:05
zhyq8767: , 专业求助请不要表情灌水 2012-04-20 08:27:05
xysi3楼
2012-04-20 00:56
回复
张梦真love(金币+1): 谢谢参与
zhyq8767: , 专业求助请不要表情灌水 2012-04-20 08:27:15
zhyq8767: , 专业求助请不要表情灌水 2012-04-20 08:27:15
2012-04-20 01:59
回复
张梦真love(金币+1): 谢谢参与
zhyq8767: , 专业求助请不要表情灌水 2012-04-20 08:27:38
zhyq8767: , 专业求助请不要表情灌水 2012-04-20 08:27:38
假大空7楼
2012-04-20 13:03
回复
张梦真love(金币+1): 谢谢参与
毛猴: , 求助帖子请不要灌水!灌水可以去水区! 2012-04-20 13:20:46
毛猴: , 求助帖子请不要灌水!灌水可以去水区! 2012-04-20 13:20:46

zhang731117楼
2012-04-24 09:16
回复
张梦真love(金币+1): 谢谢参与
毛猴: , 求助帖子请不要灌水! 2012-04-24 09:20:50
祝福
毛猴: , 求助帖子请不要灌水! 2012-04-24 09:20:50
shao1603119楼
2012-04-24 14:40
回复
张梦真love(金币+1): 谢谢参与














回复此楼