| 查看: 1692 | 回复: 24 | |||
[求助]
求助,辨别钢的组织 已有6人参与
|
|||
|
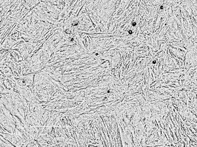
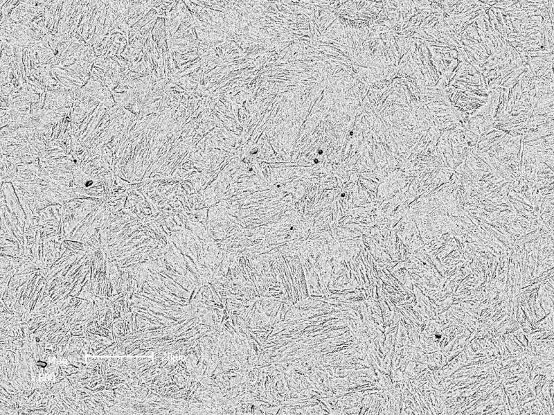
成分应该是40Cr,当时是让外面加工的人给做的热处理,希望大家能给辨别一下现在这是什么组织? 谢谢! 扫描,形貌像,1500倍 扫描,背散射,1500倍 扫描,形貌像,600倍 扫描,背散射,600倍 |
» 收录本帖的淘帖专辑推荐
百宝箱 |
» 猜你喜欢
调剂求收留
已经有6人回复
化学308分求调剂
已经有5人回复
0703化学338求调剂!
已经有6人回复
286求调剂
已经有4人回复
求调剂推荐 材料 304
已经有3人回复
336材料求调剂
已经有7人回复
材料学硕333求调剂
已经有6人回复
一志愿郑州大学,080500学硕,总分317分求调剂
已经有5人回复
351求调剂
已经有3人回复
316求调剂
已经有3人回复
» 本主题相关价值贴推荐,对您同样有帮助:
请问如何区分组织中的马氏体和贝氏体
已经有10人回复
微合金钢淬火,求帮助判断金相组织
已经有25人回复
退火碳化物球化的组织 鉴别和原因 急需求助 谢谢
已经有7人回复
奥氏体1Cr18Ni9Ti金相组织鉴别
已经有18人回复
如何大致判断某种钢属于循环硬化还是循环软化?
已经有5人回复
通过GC-MS怎么鉴别多糖的结构~
已经有18人回复
马氏体,索氏体,奥氏体等各种钢里面的组织,它们的硬度分别是多少呢?
已经有6人回复
请教金相高手,铁素体和奥氏体如何区别呢?
已经有16人回复
H13热模钢的常温及高温许用应力分别是多少
已经有5人回复
求助怎么辨别晶体那个做的好
已经有22人回复
如何区分高碳钢和合金钢
已经有4人回复
求助 辨别真假鸡蛋
已经有8人回复
低合金钢的金相组织图片鉴定及分析
已经有24人回复
如何区鉴别经过热处理的有缝钢管是否是无缝钢管?
已经有10人回复
区分45钢和38CrMoAl
已经有7人回复
【求助】合金钢怎么区分亚共析钢、共析钢、过共析钢?求教
已经有7人回复
【讨论】怎样区分 铁素体 和 马氏体
已经有10人回复
【求助】菜鸟 求助:如何识别H-H COSY 及NOESY?
已经有7人回复
【求助】如何区分马氏体和贝氏体
已经有5人回复
【求助】如何区分钢壳和铝壳电池的正负极?谢谢
已经有6人回复
【求助】低碳钢腐蚀的一个问题,很着急,谢谢
已经有14人回复
【求助】相变的判断问题
已经有12人回复
【求助】金相组织中,残余奥氏体怎么分辨?回火屈氏体和回火索氏体在金相上怎么区分?
已经有7人回复
wdlwxyh
银虫 (著名写手)
- 应助: 49 (小学生)
- 金币: 7952.7
- 散金: 343
- 红花: 19
- 帖子: 1738
- 在线: 557.4小时
- 虫号: 912923
- 注册: 2009-11-25
- 性别: GG
- 专业: 金属结构材料

8楼2014-04-28 21:52:11
《草原的风》
至尊木虫 (职业作家)
- 应助: 854 (博后)
- 金币: 17357.3
- 红花: 102
- 帖子: 3287
- 在线: 961.1小时
- 虫号: 2536060
- 注册: 2013-07-07
- 性别: GG
- 专业: 金属结构材料

2楼2014-04-28 14:11:38
3楼2014-04-28 14:43:10
《草原的风》
至尊木虫 (职业作家)
- 应助: 854 (博后)
- 金币: 17357.3
- 红花: 102
- 帖子: 3287
- 在线: 961.1小时
- 虫号: 2536060
- 注册: 2013-07-07
- 性别: GG
- 专业: 金属结构材料

4楼2014-04-28 15:39:42
Jessica236
新虫 (小有名气)
- 应助: 48 (小学生)
- 金币: 230.2
- 红花: 7
- 帖子: 232
- 在线: 185.4小时
- 虫号: 2344536
- 注册: 2013-03-13
- 专业: 金属材料的微观结构
5楼2014-04-28 20:19:30
6楼2014-04-28 20:48:40
7楼2014-04-28 20:50:22
peterflyer
木虫之王 (文学泰斗)
peterflyer
- MM-EPI: 2
- 应助: 20282 (院士)
- 金币: 146176
- 红花: 1374
- 帖子: 93091
- 在线: 7694.3小时
- 虫号: 1482829
- 注册: 2011-11-08
- 性别: GG
- 专业: 功能陶瓷
9楼2014-04-28 22:56:27
peterflyer
木虫之王 (文学泰斗)
peterflyer
- MM-EPI: 2
- 应助: 20282 (院士)
- 金币: 146176
- 红花: 1374
- 帖子: 93091
- 在线: 7694.3小时
- 虫号: 1482829
- 注册: 2011-11-08
- 性别: GG
- 专业: 功能陶瓷
10楼2014-04-29 00:43:01














回复此楼
hogglife