| ²é¿´: 1868 | »Ø¸´: 7 | ||
ÔÆÎ´É¢Ð³æ (³õÈëÎÄ̳)
|
[½»Á÷]
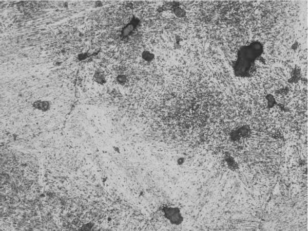
ÍË»ð̼»¯ÎïÇò»¯µÄ×éÖ¯ ¼ø±ðºÍÔÒò ¼±ÐèÇóÖú лл ÒÑÓÐ3È˲ÎÓë
|
» ±¾Ö÷ÌâÏà¹Ø¼ÛÖµÌùÍÆ¼ö£¬¶ÔÄúͬÑùÓаïÖú:
¡¶½ðÊô¹Ì̬Ïà±ä¼°Ó¦Óá·¿µìÏÆ½Ö÷±à£¬»¯¹¤³ö°æÉç2007
ÒѾÓÐ462È˻ظ´
Öá³Ð¸Ö´óÉñ¿´¿´ÕâÁ½ÕÅÇò»¯ÍË»ð×éÖ¯
ÒѾÓÐ14È˻ظ´
¡¾×ÊÔ´¡¿Ë¼¿¼Ìâ
ÒѾÓÐ5È˻ظ´
13469467661
½ð³æ (ÕýʽдÊÖ)
- Ó¦Öú: 3 (Ó×¶ùÔ°)
- ½ð±Ò: 2520.7
- É¢½ð: 300
- ºì»¨: 2
- Ìû×Ó: 480
- ÔÚÏß: 257.2Сʱ
- ³æºÅ: 1278461
- ×¢²á: 2011-04-26
- רҵ: ½ðÊô²ÄÁϵĺϽðÏà¡¢Ïà±ä¼°
2Â¥2013-06-06 09:38:22
ÔÆÎ´É¢
гæ (³õÈëÎÄ̳)
- Ó¦Öú: 0 (Ó×¶ùÔ°)
- ½ð±Ò: 18.5
- ºì»¨: 1
- Ìû×Ó: 43
- ÔÚÏß: 65.2Сʱ
- ³æºÅ: 1434163
- ×¢²á: 2011-10-09
- רҵ: ½ðÊô²ÄÁϵĺϽðÏà¡¢Ïà±ä¼°
3Â¥2013-06-06 10:41:46
ÔÆÎ´É¢
гæ (³õÈëÎÄ̳)
- Ó¦Öú: 0 (Ó×¶ùÔ°)
- ½ð±Ò: 18.5
- ºì»¨: 1
- Ìû×Ó: 43
- ÔÚÏß: 65.2Сʱ
- ³æºÅ: 1434163
- ×¢²á: 2011-10-09
- רҵ: ½ðÊô²ÄÁϵĺϽðÏà¡¢Ïà±ä¼°
4Â¥2013-06-06 10:42:47
ÔÆÎ´É¢
гæ (³õÈëÎÄ̳)
- Ó¦Öú: 0 (Ó×¶ùÔ°)
- ½ð±Ò: 18.5
- ºì»¨: 1
- Ìû×Ó: 43
- ÔÚÏß: 65.2Сʱ
- ³æºÅ: 1434163
- ×¢²á: 2011-10-09
- רҵ: ½ðÊô²ÄÁϵĺϽðÏà¡¢Ïà±ä¼°
5Â¥2013-06-06 10:47:31
13469467661
½ð³æ (ÕýʽдÊÖ)
- Ó¦Öú: 3 (Ó×¶ùÔ°)
- ½ð±Ò: 2520.7
- É¢½ð: 300
- ºì»¨: 2
- Ìû×Ó: 480
- ÔÚÏß: 257.2Сʱ
- ³æºÅ: 1278461
- ×¢²á: 2011-04-26
- רҵ: ½ðÊô²ÄÁϵĺϽðÏà¡¢Ïà±ä¼°
6Â¥2013-06-07 08:40:22
¡ï
Сľ³æ: ½ð±Ò+0.5, ¸ø¸öºì°ü£¬Ð»Ð»»ØÌû
Сľ³æ: ½ð±Ò+0.5, ¸ø¸öºì°ü£¬Ð»Ð»»ØÌû
|
±¾ÌûÄÚÈݱ»ÆÁ±Î |
7Â¥2013-07-22 17:03:14
Ryanyang
гæ (СÓÐÃûÆø)
- Ó¦Öú: 13 (СѧÉú)
- ½ð±Ò: 44.6
- Ìû×Ó: 83
- ÔÚÏß: 31.9Сʱ
- ³æºÅ: 422156
- ×¢²á: 2007-07-15
- ÐÔ±ð: GG
- רҵ: ½ðÊô²ÄÁϵĺϽðÏà¡¢Ïà±ä¼°
8Â¥2014-02-08 13:01:46













»Ø¸´´ËÂ¥