| 查看: 533 | 回复: 2 | ||
zhaoxia2311金虫 (初入文坛)
|
[求助]
帮忙分析一下热影响区
|
|
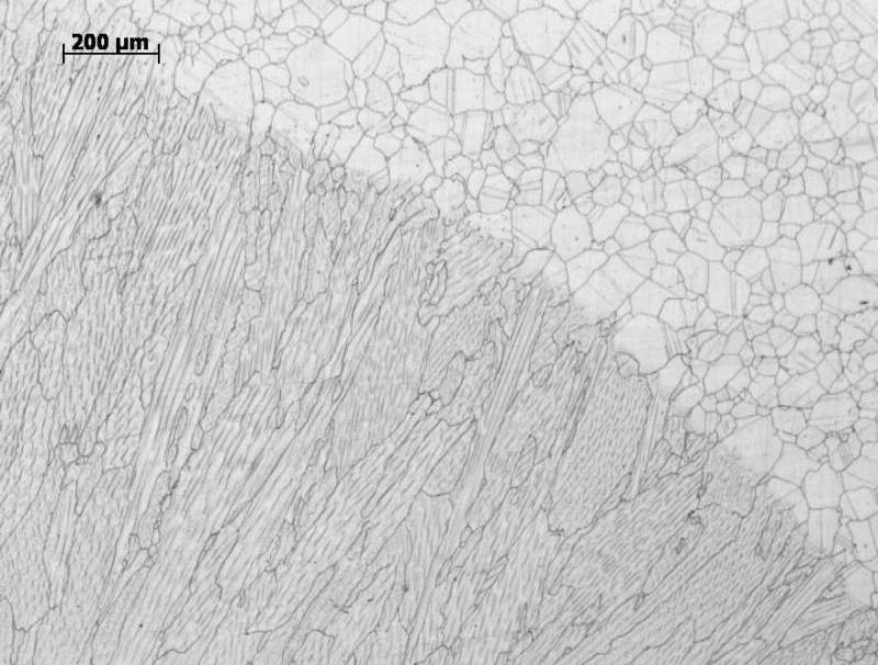
如下图所示,为什么第一个热影响区晶粒长大不明显、而第二个先是粗晶区后是细晶区、第三个却相反先是细晶区后是粗晶区呢?求大神帮忙分析一下!谢过!(图1为镍基高温合金同材焊接、图2、3为该镍基合金和304奥氏体不锈钢异材焊接的)是手工氩弧焊 图1 图2 图3 |
» 猜你喜欢
0856调剂,是学校就去
已经有6人回复
288求调剂
已经有13人回复
288求调剂,一志愿华南理工大学071005
已经有5人回复
一志愿中国海洋大学,生物学,301分,求调剂
已经有5人回复
294求调剂材料与化工专硕
已经有12人回复
0817 化学工程 299分求调剂 有科研经历 有二区文章
已经有13人回复
梁成伟老师课题组欢迎你的加入
已经有11人回复
复试调剂
已经有6人回复
0703化学调剂 ,六级已过,有科研经历
已经有11人回复
321求调剂
已经有10人回复
» 本主题相关价值贴推荐,对您同样有帮助:
帮忙分析一下TG-DTA图
已经有6人回复
请帮忙分析一下这个图谱
已经有6人回复
帮忙分析一下这个核磁图是不是我的目的产物
已经有14人回复
热重-差热分析的图,哪个大神帮忙解释一下呗……
已经有6人回复
请大家帮忙分析一下审稿意见!
已经有6人回复
请教一下焊缝及其热影响区组织的扫描电镜照片
已经有15人回复
麻烦帮忙分析一下导师回复,谢谢了
已经有4人回复
帮忙分析一下老师的回复
已经有4人回复
帮忙分析一下裂纹的来源
已经有14人回复
求帮忙分析下EIS
已经有6人回复
帮忙分析一下考哪个注册好?
已经有11人回复
请帮忙分析一下这个图怎么画?
已经有10人回复
求高手帮忙分析一下镁铝二元相图啊
已经有6人回复
请高手帮忙分析一下SiO2-Al2O3的TG-DTA曲线,非常感谢!
已经有7人回复
帮忙分析一下这几个响应面的图
已经有16人回复
有人帮忙分析一下这两个化合物的极性大小吗 多谢了
已经有22人回复
请各位大侠帮忙分析一下怎么操作。。。
已经有7人回复
帮忙分析一下PDMAEMA的TGA图
已经有3人回复
求高手帮忙分析一下NMR和IR谱图,第一次做,无从下手,哪怕进来给点建议也好?
已经有43人回复
【求助】求流变达人帮忙分析一下流变图 谢谢
已经有12人回复
【求助】请各位帮忙分析下磁性分析
已经有10人回复

yy19891222
铜虫 (初入文坛)
- 应助: 1 (幼儿园)
- 金币: 155.7
- 帖子: 36
- 在线: 12.2小时
- 虫号: 2227784
- 注册: 2013-01-07
- 性别: GG
- 专业: 金属功能材料
2楼2014-05-09 10:17:17

3楼2014-07-28 19:56:57













回复此楼