24小时热门版块排行榜    

北京石油化工学院2026年研究生招生接收调剂公告
查看: 2764  |  回复: 29

贫僧酷爱学术

银虫 (小有名气)


[交流] 大家帮忙看下这个组织 能不能分析下这种组织对性能影响的机理!

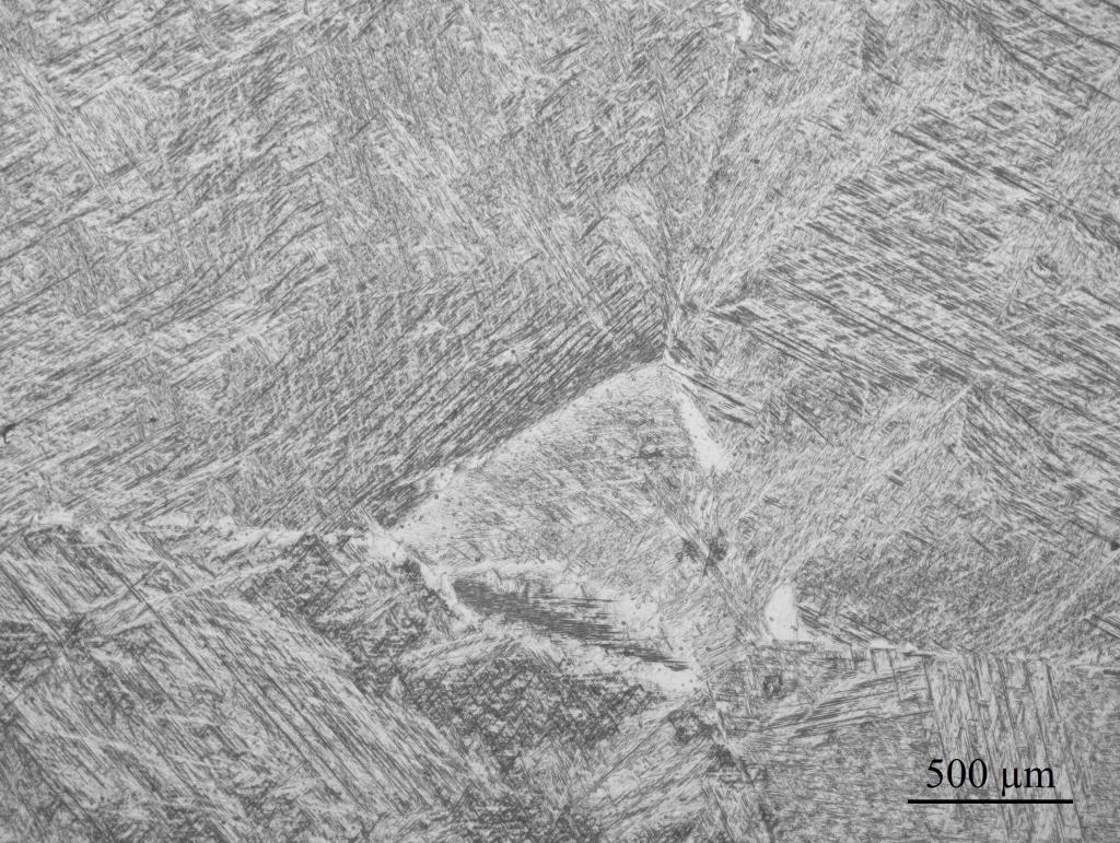
大家学金属的有没有看到类似的组织(相互交错的条状物),我测到的性能是这种组织越多 增加合金的强度  降低塑性  增加硬度    钢,铝合金,钛合金,镁合金 ,铜 等 都可以,有没有在教材或者文献中看到,它的微观机理是什么? 大家畅所欲言哈!

VDLMG]BHDLRPQ)899OAT{9J.jpg
回复此楼

» 猜你喜欢

» 本主题相关价值贴推荐,对您同样有帮助:

» 抢金币啦!回帖就可以得到:

查看全部散金贴

已阅   回复此楼   关注TA 给TA发消息 送TA红花 TA的回帖
回帖支持 ( 显示支持度最高的前 50 名 )

bruzeimr

银虫 (小有名气)


★ ★ ★
贫僧酷爱学术(金币+1): 谢谢参与
贫僧酷爱学术: 金币+2 2013-03-11 17:17:32
钛合金里的孪晶不是这种形貌。
这种形貌可称为钛合金的网篮或片层组织,通常是通过将钛合金在单相区变形或热处理得到的,从你说的强度和塑性的搭配上,应是在单相区处理后较快速度冷却获得的钛合金马氏体组织。
13楼2013-03-11 11:30:22
已阅   回复此楼   关注TA 给TA发消息 送TA红花 TA的回帖
普通回帖

j460196368

新虫 (初入文坛)



贫僧酷爱学术(金币+1): 谢谢参与
我是研究钛合金的,对钢也有点了解,这个应该和马氏体的机理相似吧,这应该就是针状或者板条组织对性能的强化吧,增加相界面,增加合金的强度  降低塑性  增加硬度
2楼2013-02-27 10:13:02
已阅   回复此楼   关注TA 给TA发消息 送TA红花 TA的回帖

大汉散人

铜虫 (小有名气)



贫僧酷爱学术(金币+1): 谢谢参与
感觉是马氏体,力学性能也对的上
3楼2013-02-27 12:27:23
已阅   回复此楼   关注TA 给TA发消息 送TA红花 TA的回帖

ssfen

木虫 (著名写手)



贫僧酷爱学术(金币+1): 谢谢参与
我们公司是做铝合金的,最近退火后的产品总是抗拉强度偏高,难道这是内部组织的原因吗?
4楼2013-02-27 14:29:17
已阅   回复此楼   关注TA 给TA发消息 送TA红花 TA的回帖

zengflgx

铜虫 (著名写手)



贫僧酷爱学术(金币+1): 谢谢参与
这是什么体系的材料?  个人认为不是马氏体 而更像是一种纤维增强金属基材料
5楼2013-02-27 17:42:24
已阅   回复此楼   关注TA 给TA发消息 送TA红花 TA的回帖

雪狼

铁虫 (正式写手)



贫僧酷爱学术(金币+1): 谢谢参与
类马氏体或孪晶

[ 发自手机版 http://muchong.com/3g ]

» 本帖已获得的红花(最新10朵)

6楼2013-02-27 20:46:41
已阅   回复此楼   关注TA 给TA发消息 送TA红花 TA的回帖

贫僧酷爱学术

银虫 (小有名气)


引用回帖:
5楼: Originally posted by zengflgx at 2013-02-27 17:42:24
这是什么体系的材料?  个人认为不是马氏体 而更像是一种纤维增强金属基材料

这个是alpha 钛合金
7楼2013-02-28 10:03:10
已阅   回复此楼   关注TA 给TA发消息 送TA红花 TA的回帖

贫僧酷爱学术

银虫 (小有名气)


引用回帖:
4楼: Originally posted by ssfen at 2013-02-27 14:29:17
我们公司是做铝合金的,最近退火后的产品总是抗拉强度偏高,难道这是内部组织的原因吗?

是  我这也是退火  就这组织 不过是钛合金
8楼2013-02-28 10:03:57
已阅   回复此楼   关注TA 给TA发消息 送TA红花 TA的回帖

贫僧酷爱学术

银虫 (小有名气)


引用回帖:
6楼: Originally posted by 雪狼 at 2013-02-27 20:46:41
类马氏体或孪晶

类马氏体是什么?
9楼2013-02-28 10:05:15
已阅   回复此楼   关注TA 给TA发消息 送TA红花 TA的回帖

贫僧酷爱学术

银虫 (小有名气)


引用回帖:
2楼: Originally posted by j460196368 at 2013-02-27 10:13:02
我是研究钛合金的,对钢也有点了解,这个应该和马氏体的机理相似吧,这应该就是针状或者板条组织对性能的强化吧,增加相界面,增加合金的强度  降低塑性  增加硬度

对 这就是钛合金  我想分析它的强化机理,有没有文献或者教材说这个相界面对强度塑性的影响?
10楼2013-02-28 10:17:03
已阅   回复此楼   关注TA 给TA发消息 送TA红花 TA的回帖

贫僧酷爱学术

银虫 (小有名气)


引用回帖:
3楼: Originally posted by 大汉散人 at 2013-02-27 12:27:23
感觉是马氏体,力学性能也对的上

可是这是回火过后的组织
11楼2013-02-28 10:36:21
已阅   回复此楼   关注TA 给TA发消息 送TA红花 TA的回帖

贫僧酷爱学术

银虫 (小有名气)


送鲜花一朵
引用回帖:
6楼: Originally posted by 雪狼 at 2013-02-27 20:46:41
类马氏体或孪晶

我也觉得是类马氏体和孪晶!  你有没有这种类马氏体或孪晶的文献?  不论什么金属的都可以?  感激不尽!
12楼2013-03-11 10:08:16
已阅   回复此楼   关注TA 给TA发消息 送TA红花 TA的回帖

贫僧酷爱学术

银虫 (小有名气)


引用回帖:
2楼: Originally posted by j460196368 at 2013-02-27 10:13:02
我是研究钛合金的,对钢也有点了解,这个应该和马氏体的机理相似吧,这应该就是针状或者板条组织对性能的强化吧,增加相界面,增加合金的强度  降低塑性  增加硬度

增加相界面应该提高塑性吧
14楼2013-03-11 16:38:12
已阅   回复此楼   关注TA 给TA发消息 送TA红花 TA的回帖

贫僧酷爱学术

银虫 (小有名气)


引用回帖:
13楼: Originally posted by bruzeimr at 2013-03-11 11:30:22
钛合金里的孪晶不是这种形貌。
这种形貌可称为钛合金的网篮或片层组织,通常是通过将钛合金在单相区变形或热处理得到的,从你说的强度和塑性的搭配上,应是在单相区处理后较快速度冷却获得的钛合金马氏体组织。

果然专业!  我这个是α钛合金 也有网篮组织吗?  我这个是热处理后冷却得到的,冷却速度不是很快,和同一成分的铸态相比冷速慢了很多,那这种组织为何比铸态得到的片层组织强度硬度更高,塑性更低呢?
15楼2013-03-11 17:17:22
已阅   回复此楼   关注TA 给TA发消息 送TA红花 TA的回帖

zsy200351

铜虫 (初入文坛)



贫僧酷爱学术(金币+1): 谢谢参与
有没有在高一点倍数的图片,上传下看看啊。这是金相照片还是扫描电镜的啊?
16楼2013-03-11 17:21:02
已阅   回复此楼   关注TA 给TA发消息 送TA红花 TA的回帖

茶陵牛

铁虫 (初入文坛)


感觉是不是失稳分解组织啊
17楼2013-03-11 21:55:13
已阅   回复此楼   关注TA 给TA发消息 送TA红花 TA的回帖

bruzeimr

银虫 (小有名气)



贫僧酷爱学术(金币+1): 谢谢参与
引用回帖:
15楼: Originally posted by 贫僧酷爱学术 at 2013-03-11 17:17:22
果然专业!  我这个是α钛合金 也有网篮组织吗?  我这个是热处理后冷却得到的,冷却速度不是很快,和同一成分的铸态相比冷速慢了很多,那这种组织为何比铸态得到的片层组织强度硬度更高,塑性更低呢?...

各种类型的钛合金都能够获得网篮组织的形貌;
请问你的退火温度是多少?如果低于800度,那么该组织是在你退火处理前就已经形成了,因为对于a钛合金800度以下处理基本不改变较为宏观的形貌;
铸造组织是由beta态逐步冷却到alpha态的,此时冷却快将得到马氏体,冷却慢将得到魏氏组织,而退火冷却速度对形貌的影响在该放大倍数下分辨不出来;
初步看来,导致图中组织强度高和塑性低与退火处理没关系,而是和该组织的原始组织类型也就是马氏体组织有关。
18楼2013-03-12 08:41:11
已阅   回复此楼   关注TA 给TA发消息 送TA红花 TA的回帖

lop_hongri

新虫 (初入文坛)



小木虫: 金币+0.5, 给个红包,谢谢回帖
典型的板条状马氏体组织,硬度、强度高,塑韧性低
19楼2013-03-12 09:46:59
已阅   回复此楼   关注TA 给TA发消息 送TA红花 TA的回帖

贫僧酷爱学术

银虫 (小有名气)


引用回帖:
16楼: Originally posted by zsy200351 at 2013-03-11 17:21:02
有没有在高一点倍数的图片,上传下看看啊。这是金相照片还是扫描电镜的啊?

这是金相图片 高倍的什么的都看不到 这个是500倍
20楼2013-03-12 18:03:26
已阅   回复此楼   关注TA 给TA发消息 送TA红花 TA的回帖

贫僧酷爱学术

银虫 (小有名气)


引用回帖:
18楼: Originally posted by bruzeimr at 2013-03-12 08:41:11
各种类型的钛合金都能够获得网篮组织的形貌;
请问你的退火温度是多少?如果低于800度,那么该组织是在你退火处理前就已经形成了,因为对于a钛合金800度以下处理基本不改变较为宏观的形貌;
铸造组织是由beta态逐 ...

我这个退火温度是 先升到1000度保温,然后缓慢冷却,原始组织是水冷铜坩埚冷速应该较快,和原始组织金相照片很明显不同,而且就是比原始的铸态组织强度硬度高,原始马氏体是层片状的,现在是这种网篮状的!是什么原因呢?
21楼2013-03-12 18:10:27
已阅   回复此楼   关注TA 给TA发消息 送TA红花 TA的回帖

贫僧酷爱学术

银虫 (小有名气)


引用回帖:
19楼: Originally posted by lop_hongri at 2013-03-12 09:46:59
典型的板条状马氏体组织,硬度、强度高,塑韧性低

条状马氏体 为什么分布成这种形状? 而不是整齐的层片状?
22楼2013-03-12 18:11:11
已阅   回复此楼   关注TA 给TA发消息 送TA红花 TA的回帖

bruzeimr

银虫 (小有名气)



小木虫: 金币+0.5, 给个红包,谢谢回帖
合金相变点是多少度?应该在1000度左右,你是两相区还是单相区热处理?
缓慢冷却是怎么一种方式?炉冷?感觉你的冷却方式比炉冷快,比空冷慢!
建议把原始组织放上来,如果原始组织是钛合金马氏体,1000度处理后缓冷后强度会降低,塑性升高;如果原始组织是魏氏组织,则可能出现你说的结果。
23楼2013-03-13 14:04:05
已阅   回复此楼   关注TA 给TA发消息 送TA红花 TA的回帖

贫僧酷爱学术

银虫 (小有名气)


引用回帖:
23楼: Originally posted by bruzeimr at 2013-03-13 14:04:05
合金相变点是多少度?应该在1000度左右,你是两相区还是单相区热处理?
缓慢冷却是怎么一种方式?炉冷?感觉你的冷却方式比炉冷快,比空冷慢!
建议把原始组织放上来,如果原始组织是钛合金马氏体,1000度处理后缓 ...

α,β转变温度为880度   其实热处理参数是1000度保温 随炉冷却到700度由保温了1h 最后随炉冷却到室温  未处理的铸态组织如图

20%-1.jpg

24楼2013-03-13 14:54:13
已阅   回复此楼   关注TA 给TA发消息 送TA红花 TA的回帖

bruzeimr

银虫 (小有名气)



小木虫: 金币+0.5, 给个红包,谢谢回帖
相变点温度880度,不是alpha钛合金而是近beta或beta钛合金了;
原始组织为典型的钛合金马氏体组织,是由于相变点以上快冷所致;
1000度1小时处理后马氏体组织完全分解,炉冷到700度并保温如果是beta钛合金的话会有alpha相析出,这是beta钛合金强化的主要方式,所以强化应是析出的alpha相所致,导致硬度提高。
25楼2013-03-13 21:24:37
已阅   回复此楼   关注TA 给TA发消息 送TA红花 TA的回帖

贫僧酷爱学术

银虫 (小有名气)


引用回帖:
25楼: Originally posted by bruzeimr at 2013-03-13 21:24:37
相变点温度880度,不是alpha钛合金而是近beta或beta钛合金了;
原始组织为典型的钛合金马氏体组织,是由于相变点以上快冷所致;
1000度1小时处理后马氏体组织完全分解,炉冷到700度并保温如果是beta钛合金的话会有 ...

不是吧  纯钛的相变点 也是880度左右  难道也是beta?
26楼2013-03-14 09:23:45
已阅   回复此楼   关注TA 给TA发消息 送TA红花 TA的回帖

bruzeimr

银虫 (小有名气)



小木虫: 金币+0.5, 给个红包,谢谢回帖
引用回帖:
7楼: Originally posted by 贫僧酷爱学术 at 2013-02-28 10:03:10
这个是alpha 钛合金...

这里你说是alpha钛合金,alpha钛合金的相变点一般没这么低的
27楼2013-03-14 12:52:28
已阅   回复此楼   关注TA 给TA发消息 送TA红花 TA的回帖

jianggui

新虫 (初入文坛)



小木虫: 金币+0.5, 给个红包,谢谢回帖
你的这种结构是如何获得的?如果是钢的话,经过淬火热处理工艺会得到这种板条状的马氏体组织。你把你的处理工艺具体的说一下!
28楼2013-03-14 13:02:50
已阅   回复此楼   关注TA 给TA发消息 送TA红花 TA的回帖

贫僧酷爱学术

银虫 (小有名气)


引用回帖:
27楼: Originally posted by bruzeimr at 2013-03-14 12:52:28
这里你说是alpha钛合金,alpha钛合金的相变点一般没这么低的...

怎么没有  加入中性元素是可以的
29楼2013-03-14 15:11:40
已阅   回复此楼   关注TA 给TA发消息 送TA红花 TA的回帖

贫僧酷爱学术

银虫 (小有名气)


引用回帖:
28楼: Originally posted by jianggui at 2013-03-14 13:02:50
你的这种结构是如何获得的?如果是钢的话,经过淬火热处理工艺会得到这种板条状的马氏体组织。你把你的处理工艺具体的说一下!

是钛合金 淬火再退火
30楼2013-03-14 15:12:03
已阅   回复此楼   关注TA 给TA发消息 送TA红花 TA的回帖
相关版块跳转 我要订阅楼主 贫僧酷爱学术 的主题更新
普通表情 高级回复 (可上传附件)
最具人气热帖推荐 [查看全部] 作者 回/看 最后发表
[考研] 一志愿 江南大学 085602 化工专硕 338分求调剂 +7 路痴小琪 2026-04-05 7/350 2026-04-05 15:26 by Rednal.
[考研] 求调剂 +4 wos666 2026-04-03 4/200 2026-04-05 11:48 by arrow8852
[考研] 求调剂 +11 111623 2026-04-04 11/550 2026-04-05 11:38 by lqwchd
[考研] 081700学硕,323分,一志愿中国海洋大学求调剂学校 +16 披星河 2026-04-04 16/800 2026-04-05 11:27 by 猪会飞
[考研] 0817化学工程与技术求调剂,一志愿中海洋319 +12 lv945 2026-04-04 12/600 2026-04-05 11:12 by imissbao
[考研] 考研调剂 +3 mcbbc 2026-04-04 3/150 2026-04-05 10:03 by barlinike
[考研] 294求调剂 +6 Grey_Ey 2026-04-02 9/450 2026-04-04 22:07 by hemengdong
[考研] 一志愿沪9,求生物学调剂,326分 +6 刘墨墨 2026-04-04 6/300 2026-04-04 19:44 by 唐沐儿
[考研] 368求调剂 +5 今华习 2026-04-03 7/350 2026-04-04 18:47 by imissbao
[考研] 266求调剂 +8 学员97LZgn 2026-04-03 8/400 2026-04-04 09:02 by 20021109
[考研] 281求调剂 +10 aaawhy 2026-04-03 10/500 2026-04-03 21:42 by lbsjt
[考研] 070300一志愿211,312分求调剂院校 +16 小黄鸭宝 2026-03-30 16/800 2026-04-03 19:53 by lijunpoly
[考研] 机械专硕297 +3 Afksy 2026-04-03 3/150 2026-04-03 14:24 by 1753564080
[考研] 工科341分调剂 +3 洛多罗 2026-04-03 3/150 2026-04-03 14:20 by 1753564080
[考研] 重庆大学材料与化工085600,初试370+,求求调剂建议 +8 shzhou_ 2026-04-01 9/450 2026-04-03 09:31 by 蓝云思雨
[考研] 材料340分调剂 +7 夏夜晚风_long 2026-04-02 9/450 2026-04-02 21:20 by dongzh2009
[考研] 266求调剂 +4 学员97LZgn 2026-04-02 4/200 2026-04-02 13:03 by yulian1987
[考研] 一志愿北交大材料工程总分358 +3 cs0106 2026-04-02 5/250 2026-04-02 11:37 by olim
[考研] 【求调剂】新能源材料本科,一志愿211,初试321 +6 求调剂学校, 2026-04-02 6/300 2026-04-02 09:41 by 晴空210210
[考研] 生物考研337分求调剂 +4 cgxin 2026-03-30 6/300 2026-03-31 14:18 by 记事本2026
信息提示
请填处理意见