| ²é¿´: 2963 | »Ø¸´: 4 | ||
zhaowang11½ð³æ (³õÈëÎÄ̳)
|
[ÇóÖú]
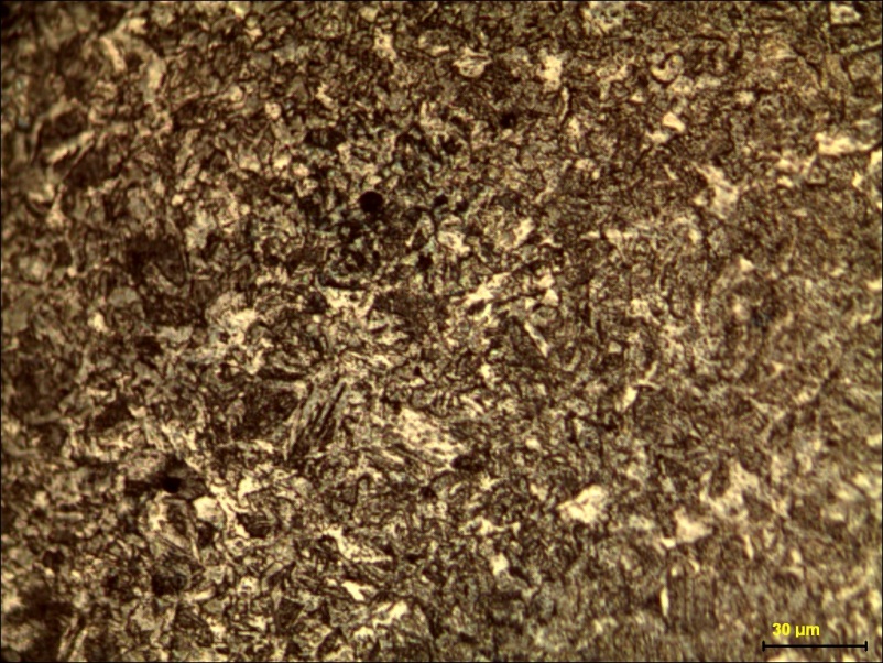
Çë´ó¼Ò°ïæ¿´¿´£¬ÕâÊÇʲô×éÖ¯£¨45¸Ö¡¢Óʹ㣩
|
|
×öÈÈ´¦ÀíʵÑ飬45¸Ö£¬860¡æ£¬30min£¬Óʹ㣬½á¹û³öÀ´Õâô¸öÆæÆæ¹Ö¹ÖµÄ×éÖ¯¡£¡£¡£±¾À´ÊÇÒª³öÀ´ÇüʽÌå¸úÂíÊÏÌåµÄ¡£¡£¡£ ʵÔÚ¿´²»¶®£¬´ó¼Ò°ï°ïæ°¡¡£¡£¡£ |
» ²ÂÄãϲ»¶
277Çóµ÷¼Á ÊýÒ»104·Ö
ÒѾÓÐ13È˻ظ´
304Çóµ÷¼Á
ÒѾÓÐ10È˻ظ´
Çóµ÷¼Á
ÒѾÓÐ5È˻ظ´
336Çóµ÷¼Á£¬Ò»Ö¾Ô¸Öпƴó
ÒѾÓÐ6È˻ظ´
071000ÉúÎïѧ£¬Ò»Ö¾Ô¸ÉîÛÚ´óѧ296·Ö£¬Çóµ÷¼Á
ÒѾÓÐ3È˻ظ´
Ò»Ö¾Ô¸±±¾©»¯¹¤085600 310·ÖÇóµ÷¼Á
ÒѾÓÐ19È˻ظ´
274Çóµ÷¼ÁÇóµ÷¼Á
ÒѾÓÐ7È˻ظ´
277¹¤¿ÆÇóµ÷¼Á
ÒѾÓÐ10È˻ظ´
283·ÖÇóµ÷¼Á
ÒѾÓÐ10È˻ظ´
295Çóµ÷¼Á
ÒѾÓÐ16È˻ظ´
» ±¾Ö÷ÌâÏà¹Ø¼ÛÖµÌùÍÆ¼ö£¬¶ÔÄúͬÑùÓаïÖú:
Çë´ó¼Ò°ïæ¿´¿´Í⵼ʲôÒâ˼£¬Ð»Ð»
ÒѾÓÐ3È˻ظ´
Çë´ó¼Ò°ïæ¿´¿´ACSÕâ·âÐÅʲôÒâ˼
ÒѾÓÐ4È˻ظ´
Òâ¼û·µ»Ø£¬Âé·³´ó¼Ò°ïæ¿´¿´ÕâÊÇʲôÒâ˼£¬»¹ÓÐÏ£ÍûÂð
ÒѾÓÐ9È˻ظ´
Çë´ó¼Ò°ïæ¿´¿´Õâ¸öÊÇʲôÒâ˼
ÒѾÓÐ4È˻ظ´
´ó¼Ò°ïæ¿´¿´Õâ¸öÊǸöʲôÐÔÖʵÄÔÓÖ¾£¬Ó°ÏìÁ¦ÈçºÎ£¿£¿
ÒѾÓÐ6È˻ظ´
Çë´ó¼Ò°ïæ¿´¿´±à¼µÄÕâ¾ä»°ÊÇʲôÒâ˼
ÒѾÓÐ4È˻ظ´
¡¾ÇóÖú/½»Á÷¡¿´ó¼Ò°ïæ¿´¿´ÕâÊÇʲô³æÂÑ£¨¶Ôëë³æ¼°³æÂѸе½¶ñÐĵÄÅóÓÑÉ÷È룩
ÒѾÓÐ28È˻ظ´
¡¾ÇóÖú¡¿´ó¼Ò°ïæ¿´¿´Õâ¸ö¶«Î÷ÊÇʲô£¿£¨¸½Æ×ͼ£©
ÒѾÓÐ8È˻ظ´
´ó¼Ò°ïæ¿´¿´±à¼Õâ¾ä»°ÊÇʲôÒâ˼°¡£¬Ð»Ð»
ÒѾÓÐ12È˻ظ´
´ó¼Ò°ïæ¿´¿´£¬ÕâÊÇ×öʲôµÄµÄ£¬ÒѾ¸ø·¢Èý·âÐÅÀ²
ÒѾÓÐ24È˻ظ´
zhaowang11
½ð³æ (³õÈëÎÄ̳)
- Ó¦Öú: 0 (Ó×¶ùÔ°)
- ½ð±Ò: 1626.3
- Ìû×Ó: 22
- ÔÚÏß: 50.8Сʱ
- ³æºÅ: 1266815
- ×¢²á: 2011-04-15
- ÐÔ±ð: GG
- רҵ: µçÄÜ´¢´æÓë½Úµç¼¼Êõ
2Â¥2011-11-30 20:02:45
wang1314
Ìú¸Ëľ³æ (СÓÐÃûÆø)
- Ó¦Öú: 0 (Ó×¶ùÔ°)
- ½ð±Ò: 5701
- Ìû×Ó: 134
- ÔÚÏß: 19Сʱ
- ³æºÅ: 576608
- ×¢²á: 2008-06-20
- רҵ: ¼«¶ËÌõ¼þÏÂʹÓõĽðÊô²ÄÁÏ
3Â¥2012-05-29 10:44:30
julei1987
гæ (³õÈëÎÄ̳)
- Ó¦Öú: 0 (Ó×¶ùÔ°)
- ½ð±Ò: 12
- Ìû×Ó: 6
- ÔÚÏß: 54·ÖÖÓ
- ³æºÅ: 1862878
- ×¢²á: 2012-06-18
- רҵ: ½ðÊô½á¹¹²ÄÁÏ
¡¾´ð°¸¡¿Ó¦Öú»ØÌû
¡ï
qlf_126: ½ð±Ò+1, ¸Ðл²ÎÓ룡ϣÍû¶àÀ´½ðÊô°æ½»Á÷£¡ 2012-06-18 13:58:09
qlf_126: ½ð±Ò+1, ¸Ðл²ÎÓ룡ϣÍû¶àÀ´½ðÊô°æ½»Á÷£¡ 2012-06-18 13:58:09
| 45#¸ÖÖÐ̼¸Ö,Èç¹ûÍêÈ«´ã͸ÄǾÍÊǵõ½°åÌõÂíÊÏÌåºÍÕë×´ÂíÊÏÌå,Èç¹û³öÏÖÇüÊÏÌå,ÄÇôÊÇÀäÈ´²»×ãµ¼ÖµÄ.750¶È¼ÓÈÈ,Äǿ϶¨´æÔÚÌúËØÌå.ÉÏͼ°×ÁÁ×éÖ¯Ó¦¸ÃÊÇÌúËØÌå.´óƬ»ÒÉ«µÄÊǰåÌõÂíÊÏÌå,»ÒɫС¿éµÄÊÇÇüÊÏÌå.Ï£ÍûÎÒûÓÐÅжϴíÎó.750³öÏÖÌúËØÌåÊǼÓÈȲ»×ã,840ºÍ930Ö÷ÒªÊÇÀäÈ´²»×ã. |
4Â¥2012-06-18 13:40:57
julei1987
гæ (³õÈëÎÄ̳)
- Ó¦Öú: 0 (Ó×¶ùÔ°)
- ½ð±Ò: 12
- Ìû×Ó: 6
- ÔÚÏß: 54·ÖÖÓ
- ³æºÅ: 1862878
- ×¢²á: 2012-06-18
- רҵ: ½ðÊô½á¹¹²ÄÁÏ
5Â¥2012-06-18 13:44:43














»Ø¸´´ËÂ¥