| ²é¿´: 1682 | »Ø¸´: 7 | ||
imgritÌú³æ (СÓÐÃûÆø)
|
[ÇóÖú]
¸ßÎÂÄø»ùºÏ½ðÈÈѹËõ£¬ÕâÊôÓÚʲô×é֯ȱÏÝ ÒÑÓÐ1È˲ÎÓë
|
|
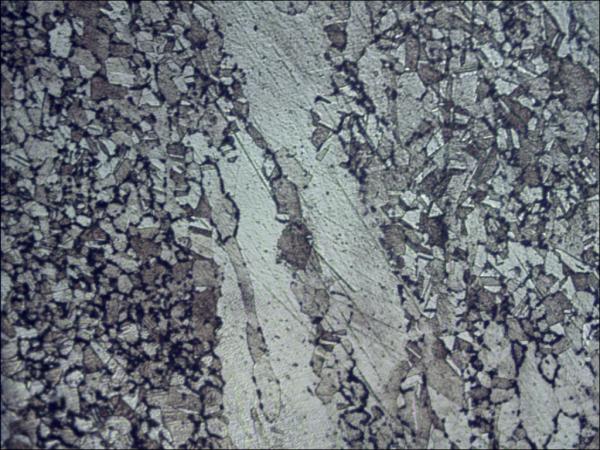
Èçͼ1ÕâÊôÓÚʲô×é֯ȱÏÝÄØ£¿Î¶È950¡æ£¬Ó¦±äËÙÂÊ30/s ͬһÊÔÑù£¬Èçͼ2ÖеÄСºÚµã£¬ÊÇÎö³öÎ¾§¼äÁÑÎÆ£¬»¹ÊDzÐÁôµÄ¸¯Ê´ÒºÄØ£¿ ͼ1.jpg ͼ2.jpg |
» ²ÂÄãϲ»¶
Ò»Ö¾Ô¸ ½ÄÏ´óѧ 085602 »¯¹¤×¨Ë¶ 338·ÖÇóµ÷¼Á
ÒѾÓÐ14È˻ظ´
312Çóµ÷¼Á
ÒѾÓÐ3È˻ظ´
070300»¯Ñ§Ñ§Ë¶311·ÖÇóµ÷¼Á
ÒѾÓÐ13È˻ظ´
²ÄÁϵ÷¼Á
ÒѾÓÐ9È˻ظ´
Ò»Ö¾Ô¸ºÓ±±¹¤Òµ´óѧ²ÄÁϹ¤³Ì£¬³õÊÔ344Çóר˶µ÷¼Á
ÒѾÓÐ4È˻ظ´
²ÄÁÏר˶322
ÒѾÓÐ8È˻ظ´
Ò»Ö¾Ô¸211£¬»¯Ñ§Ñ§Ë¶£¬310·Ö£¬±¾¿ÆÖصãË«·Ç£¬Çóµ÷¼Á
ÒѾÓÐ13È˻ظ´
0703»¯Ñ§
ÒѾÓÐ14È˻ظ´
µ÷¼Á Ò»Ö¾Ô¸¼ªÁÖ´óѧ357·Ö
ÒѾÓÐ3È˻ظ´
»¯Ñ§µ÷¼Á
ÒѾÓÐ18È˻ظ´
» ±¾Ö÷ÌâÏà¹Ø¼ÛÖµÌùÍÆ¼ö£¬¶ÔÄúͬÑùÓаïÖú:
Äø»ù¸ßκϽð½ðÏà·ÖÎö
ÒѾÓÐ8È˻ظ´
ÇóÄø»ù¸ßκϽðµÄÎïÀíÐÔÄܲÎÊýemissivityºÍradiation£¡
ÒѾÓÐ5È˻ظ´
ÈÈѹËõÊÔÑéÓëÈÈÀÉìÊÔÑéÓÐÊ²Ã´Çø±ð£¿
ÒѾÓÐ14È˻ظ´
¹ØÓÚîÑÄø»úеÅ×¹âµÄÎÊÌ⣿
ÒѾÓÐ4È˻ظ´
Äø»ùµ¥¾§¸ßκϽðTEMÖÆ±¸µÄÇóÖú£¡¼±¼±¼±£¡
ÒѾÓÐ4È˻ظ´
ÇëÎÊÒ»ÏÂÕâ¸öÄø»ù¸ßκϽðµÄÅÆºÅ
ÒѾÓÐ5È˻ظ´
Äø»ù¸ßκϽðÓëÍﯺϽðÇ¥º¸Ç¥ÁϵÄÑ¡¶¨
ÒѾÓÐ5È˻ظ´
Ê±Ð§Ì¬Äø»ù¸ßκϽ𾧽縯ʴÎÊÌâ
ÒѾÓÐ16È˻ظ´
ÖÆ±¸µÄÄø»ù¸ßκϽðµÃ²»µ½ÏëÒªµÄ×éÖ¯Óë½á¹¹
ÒѾÓÐ10È˻ظ´
ÂÁºÏ½ðÅ×¹âºóºÚµãºÍ»®ºÛÎÊÌâÇóÖú
ÒѾÓÐ13È˻ظ´
ÔÚѧÊõ½ç£¬ºÏ½ðÊÇ·ñÊôÓÚ½ðÊô£¿Ð»Ð»¡£
ÒѾÓÐ9È˻ظ´
Äø»ùºÏ½ðÏà¹ØÏàͼ
ÒѾÓÐ12È˻ظ´
Äø»ùÖýÔì¸ßκϽðK403×öÄ£¾ß²ÄÁϵÄʧЧÎÊÌâ
ÒѾÓÐ4È˻ظ´
Äø»ù¸ßκϽð»¯Ñ§¸¯Ê´Òº£¬¼±~
ÒѾÓÐ15È˻ظ´
¡¾½»Á÷¡¿ÌúÄø»ù¸ßκϽðµÄ¸¯Ê´
ÒѾÓÐ16È˻ظ´
¡¾ÇóÖú¡¿ÇëÎÊÄÄÀïÓÐÄøîѺϽð·ÛÂô
ÒѾÓÐ14È˻ظ´
qlf_126
ÖÁ×ðľ³æ (ÖªÃû×÷¼Ò)
- MM-EPI: 6
- Ó¦Öú: 434 (˶ʿ)
- ¹ó±ö: 0.405
- ½ð±Ò: 19016.4
- É¢½ð: 5021
- ºì»¨: 69
- ɳ·¢: 113
- Ìû×Ó: 9519
- ÔÚÏß: 1874.1Сʱ
- ³æºÅ: 836193
- ×¢²á: 2009-08-29
- ÐÔ±ð: GG
- רҵ: ½ðÊô²ÄÁϵÄÄ¥ËðÓëĥʴ
¡¾´ð°¸¡¿Ó¦Öú»ØÌû
¡ï ¡ï ¡ï ¡ï ¡ï
¸Ðл²ÎÓ룬ӦÖúÖ¸Êý +1
imgrit: ½ð±Ò+5 2012-09-04 14:20:11
¸Ðл²ÎÓ룬ӦÖúÖ¸Êý +1
imgrit: ½ð±Ò+5 2012-09-04 14:20:11
¸öÈ˸оõ×ÅÏñÊǾ§¼äµÄÎö³öÎ£¡£¡ |

2Â¥2012-09-04 10:58:30
3Â¥2012-09-04 12:10:34
imgrit
Ìú³æ (СÓÐÃûÆø)
- Ó¦Öú: 0 (Ó×¶ùÔ°)
- ½ð±Ò: 454.3
- É¢½ð: 10
- ºì»¨: 4
- Ìû×Ó: 109
- ÔÚÏß: 36.7Сʱ
- ³æºÅ: 1471557
- ×¢²á: 2011-11-01
- ÐÔ±ð: GG
- רҵ: ½ðÊô½á¹¹²ÄÁÏ
4Â¥2012-09-04 14:16:35
imgrit
Ìú³æ (СÓÐÃûÆø)
- Ó¦Öú: 0 (Ó×¶ùÔ°)
- ½ð±Ò: 454.3
- É¢½ð: 10
- ºì»¨: 4
- Ìû×Ó: 109
- ÔÚÏß: 36.7Сʱ
- ³æºÅ: 1471557
- ×¢²á: 2011-11-01
- ÐÔ±ð: GG
- רҵ: ½ðÊô½á¹¹²ÄÁÏ
5Â¥2012-09-04 14:18:38
imgrit
Ìú³æ (СÓÐÃûÆø)
- Ó¦Öú: 0 (Ó×¶ùÔ°)
- ½ð±Ò: 454.3
- É¢½ð: 10
- ºì»¨: 4
- Ìû×Ó: 109
- ÔÚÏß: 36.7Сʱ
- ³æºÅ: 1471557
- ×¢²á: 2011-11-01
- ÐÔ±ð: GG
- רҵ: ½ðÊô½á¹¹²ÄÁÏ
6Â¥2012-09-04 14:19:58
qlf_126
ÖÁ×ðľ³æ (ÖªÃû×÷¼Ò)
- MM-EPI: 6
- Ó¦Öú: 434 (˶ʿ)
- ¹ó±ö: 0.405
- ½ð±Ò: 19016.4
- É¢½ð: 5021
- ºì»¨: 69
- ɳ·¢: 113
- Ìû×Ó: 9519
- ÔÚÏß: 1874.1Сʱ
- ³æºÅ: 836193
- ×¢²á: 2009-08-29
- ÐÔ±ð: GG
- רҵ: ½ðÊô²ÄÁϵÄÄ¥ËðÓëĥʴ

7Â¥2012-09-04 14:27:09
boris1007
ÖÁ×ðľ³æ (ÕýʽдÊÖ)
- Ó¦Öú: 4 (Ó×¶ùÔ°)
- ½ð±Ò: 11452.7
- É¢½ð: 47
- ºì»¨: 4
- Ìû×Ó: 528
- ÔÚÏß: 181.4Сʱ
- ³æºÅ: 1031119
- ×¢²á: 2010-05-29
- ÐÔ±ð: GG
- רҵ: ½ðÊô½á¹¹²ÄÁÏ
8Â¥2014-08-28 15:12:51














»Ø¸´´ËÂ¥
¸öÈ˸оõ×ÅÏñÊǾ§¼äµÄÎö³öÎ£¡£¡

imgrit