| ²é¿´: 4273 | »Ø¸´: 39 | ||
xcshitao½ð³æ (ÕýʽдÊÖ)
|
[ÇóÖú]
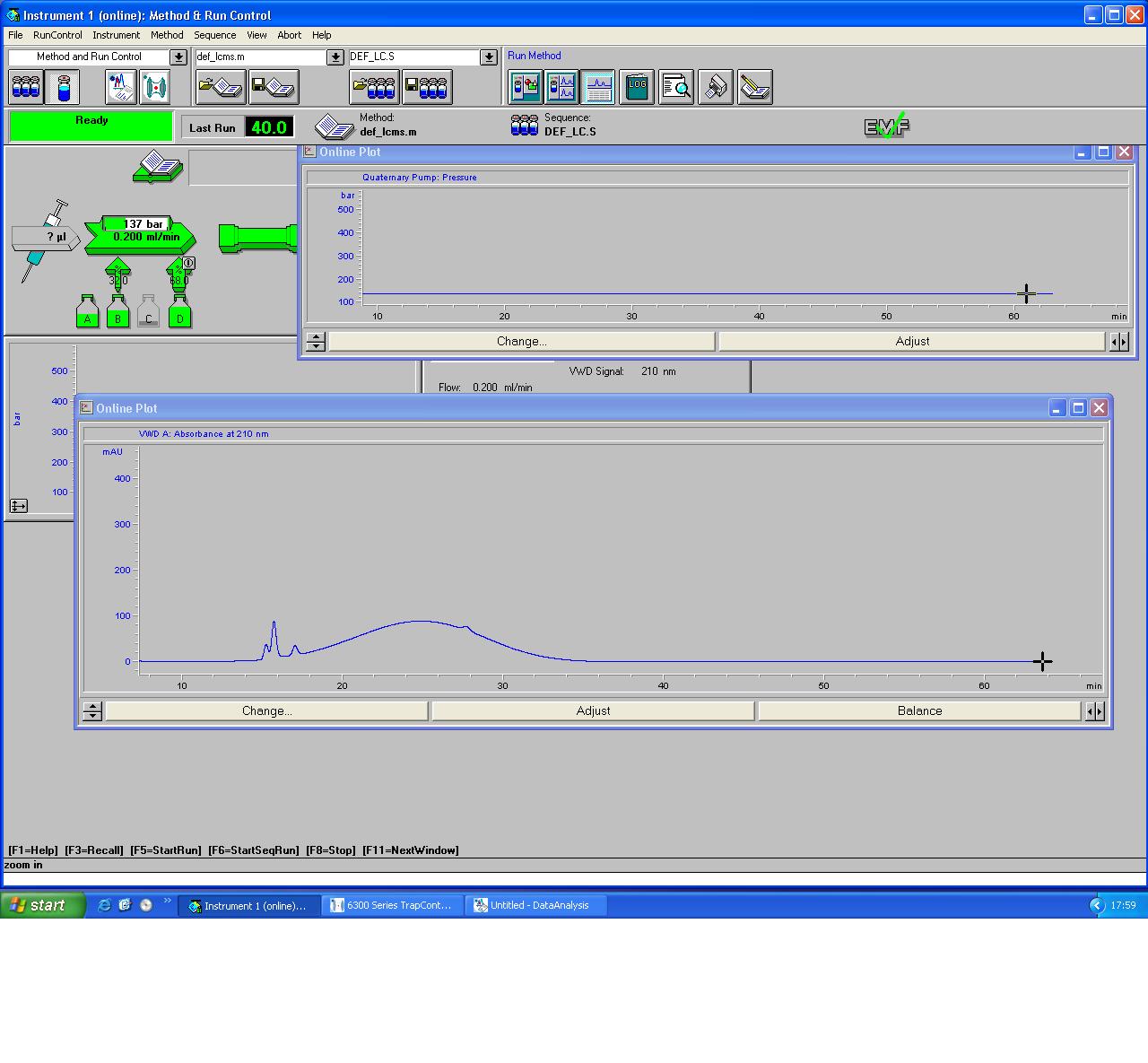
Çë½ÌΪʲô´¿Ñù³ö·åÓйİü£¿£¿£¿£¿ ÓÐͼ
|
|
|
|
||
| »ØÌûÖ§³Ö ( ÏÔʾ֧³Ö¶È×î¸ßµÄǰ 50 Ãû ) | ||
xxaijwdľ³æ (ÕýʽдÊÖ)
|
¡¾´ð°¸¡¿Ó¦Öú»ØÌû
¡ï ¡ï ¡ï ¡ï ¡ï
¸Ðл²ÎÓ룬ӦÖúÖ¸Êý +1 xcshitao: ½ð±Ò+5, ¡ïÓаïÖú 2012-03-22 17:28:39
|
|
|
17Â¥2012-03-22 11:30:13
|
|
|
hlxyddľ³æ (СÓÐÃûÆø)
|
¡¾´ð°¸¡¿Ó¦Öú»ØÌû
¡ï
soundhorizo: ½ð±Ò+1, ¸ÐлӦÖú£¬»¶Ó³£À´~ ^^ 2012-03-27 00:58:52
|
|
|
35Â¥2012-03-26 15:25:52
|
|
|
| ÆÕͨ»ØÌû | ||
walingliuÌú¸Ëľ³æ (ÖøÃûдÊÖ)
|
||
![]() |
||
|
2Â¥2012-03-21 19:16:47
|
|
|
xcshitao½ð³æ (ÕýʽдÊÖ)
|
||
|
3Â¥2012-03-21 19:22:27
|
|
|
ѼÂ̽ÅÏÌú¸Ëľ³æ (ÖøÃûдÊÖ)
Å£B
|
¡¾´ð°¸¡¿Ó¦Öú»ØÌû
¡ï
¸Ðл²ÎÓ룬ӦÖúÖ¸Êý +1 408851978: ½ð±Ò+1, ³£À´¿´¿´ 2012-03-23 17:54:33
|
|
![]() |
||
|
4Â¥2012-03-21 20:32:05
|
|
|
³ÕÒÄ×ÓÆ¤°æÖ÷ (ÎÄ̳¾«Ó¢)
ÀÏÆ¦
|
||
![]() |
||
|
5Â¥2012-03-21 20:43:50
|
|
|
fuq1736ľ³æ (ÖøÃûдÊÖ)
|
||
![]() |
||
|
6Â¥2012-03-21 20:54:10
|
|
|
xcshitao½ð³æ (ÕýʽдÊÖ)
|
||
|
7Â¥2012-03-21 21:05:15
|
|
|
ºÇºÇzhuzhuгæ (³õÈëÎÄ̳)
|
||
|
8Â¥2012-03-21 22:11:40
|
|
|
chymhjľ³æ (ÖøÃûдÊÖ)
|
||
|
9Â¥2012-03-21 22:47:44
|
|
|
zyxmeÖÁ×ðľ³æ (ÎÄ̳¾«Ó¢)
|
||
|
10Â¥2012-03-22 06:47:37
|
|
|














»Ø¸´´ËÂ¥
