版块导航
正在加载中...
客户端APP下载
论文辅导
申博辅导
登录
注册
帖子
帖子
用户
本版
应《网络安全法》要求,自2017年10月1日起,未进行实名认证将不得使用互联网跟帖服务。为保障您的帐号能够正常使用,请尽快对帐号进行手机号验证,感谢您的理解与支持!
24小时热门版块排行榜
>
论坛更新日志
(3958)
>
文献求助
(474)
>
导师招生
(302)
>
虫友互识
(265)
>
休闲灌水
(245)
>
考博
(125)
>
论文投稿
(102)
>
博后之家
(86)
>
招聘信息布告栏
(58)
>
硕博家园
(57)
>
考研
(57)
>
绿色求助(高悬赏)
(54)
>
基金申请
(49)
>
有机交流
(49)
>
找工作
(27)
>
论文道贺祈福
(24)
小木虫论坛-学术科研互动平台
»
专业学科区
»
物理
»
凝聚态物理
»
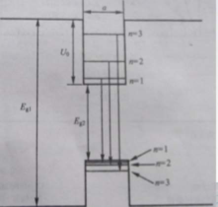
请教大家一下,下面几张能带图出自那本书。
5
1/1
返回列表
查看: 622 | 回复: 4
只看楼主
@他人
存档
新回复提醒
(忽略)
收藏
在APP中查看
wyh216
木虫
(正式写手)
应助: 0
(幼儿园)
金币: 4811.8
帖子: 617
在线: 282.6小时
虫号: 544105
注册: 2008-04-11
性别: GG
专业: 材料
[
求助
]
请教大家一下,下面几张能带图出自那本书。
已有2人参与
请教大家一下,下面几张能带图出自那本书。
无标题2.png
未命名.jpg
回复此楼
» 猜你喜欢
溴的反应液脱色
已经有6人回复
国自然申请面上模板最新2026版出了吗?
已经有8人回复
纳米粒子粒径的测量
已经有7人回复
常年博士招收(双一流,工科)
已经有4人回复
推荐一本书
已经有10人回复
参与限项
已经有5人回复
有没有人能给点建议
已经有5人回复
假如你的研究生提出不合理要求
已经有12人回复
萌生出自己或许不适合搞科研的想法,现在跑or等等看?
已经有4人回复
Materials Today Chemistry审稿周期
已经有4人回复
» 本主题相关价值贴推荐,对您同样有帮助:
质粒PCR定点突变之后跑完的电泳图几乎看不到条带,能帮我分析下可能原因么?
已经有6人回复
求各位帮忙分析下我的能带图,各抒己见~
已经有19人回复
请教大家如何做E-Ef能带图,下面附有图片,数据处理够用origin怎么才能产生气泡圈呢
已经有7人回复
为什么计算出硅的能带图是直接带隙的?
已经有6人回复
大家帮忙看一下 能带图为撒只有自旋向下 没有自旋向上 是不是算错了
已经有7人回复
电泳图中出现的杂带是什么原因
已经有10人回复
MoO2是宽禁带半导体可其能带图却无带隙
已经有14人回复
请教一下大侠,两种不同半导体材料接触后构成异质结的能带图用什么软件画图比较好啊?
已经有6人回复
PCR结果图,最下边的是二聚体吗?目的条带不多
已经有9人回复
PCR电泳图分析(有杂带,有拖尾)求高手们帮忙分析一下
已经有4人回复
各位大侠,vasp下计算完能带如何作图
已经有12人回复
大家看看这几个表面活性剂 图 属于那本书上的?
已经有9人回复
晶体结构优化和画能带图的方法是否保持一致???
已经有12人回复
多态性条带怎么统计?有图,大家帮帮忙。谢谢
已经有25人回复
用CASTEP做出来的一个能带图,大家帮忙看看它的导电性
已经有21人回复
【交流】看看大家都是怎样计算正负电子湮灭的截面的
已经有8人回复
【求助】请教一下蛋壳型催化剂
已经有7人回复
【求助】请大家看看,有红包赠送!一组能带图分析
已经有14人回复
1楼
2015-06-13 13:46:06
已阅
回复此楼
关注TA
给TA发消息
送TA红花
TA的回帖
shadow219
木虫
(小有名气)
应助: 23
(小学生)
金币: 3585.8
红花: 3
帖子: 88
在线: 362.8小时
虫号: 2817219
注册: 2013-11-21
性别: GG
专业: 光学
【答案】应助回帖
感谢参与,应助指数 +1
建议你从黄昆的固体物理学里面找一找 第一张图应该有
赞
一下
回复此楼
2楼
2015-06-14 14:35:15
已阅
回复此楼
关注TA
给TA发消息
送TA红花
TA的回帖
happyxiong
金虫
(小有名气)
应助: 17
(小学生)
金币: 1297.4
散金: 168
红花: 2
帖子: 183
在线: 149.9小时
虫号: 3353881
注册: 2014-08-05
专业: 凝聚态物性I:结构、力学和
【答案】应助回帖
感谢参与,应助指数 +1
《半导体物理学》中有类似的图片,但是具体就得你自己去看了哦
赞
一下
回复此楼
3楼
2015-06-14 19:01:18
已阅
回复此楼
关注TA
给TA发消息
送TA红花
TA的回帖
wyh216
木虫
(正式写手)
应助: 0
(幼儿园)
金币: 4811.8
帖子: 617
在线: 282.6小时
虫号: 544105
注册: 2008-04-11
性别: GG
专业: 材料
类似的图估计很多半导体相关的书上都有,我是想知道这两张图确切出那本书,这两张图来自同一本书。
赞
一下
回复此楼
4楼
2015-06-14 23:50:11
已阅
回复此楼
关注TA
给TA发消息
送TA红花
TA的回帖
wyh216
木虫
(正式写手)
应助: 0
(幼儿园)
金币: 4811.8
帖子: 617
在线: 282.6小时
虫号: 544105
注册: 2008-04-11
性别: GG
专业: 材料
请各位兄弟姐妹帮忙,先谢了。
赞
一下
回复此楼
5楼
2015-06-19 22:57:39
已阅
回复此楼
关注TA
给TA发消息
送TA红花
TA的回帖
相关版块跳转
数理科学综合
机械
物理
数学
农林
食品
地学
能源
信息科学
土木建筑
航空航天
转基因
我要订阅楼主
wyh216
的主题更新
5
1/1
返回列表
如果回帖内容含有宣传信息,请如实选中。否则帐号将被全论坛禁言
普通表情
龙
兔
虎
猫
百度网盘
|
360云盘
|
千易网盘
|
华为网盘
在新窗口页面中打开自己喜欢的网盘网站,将文件上传后,然后将下载链接复制到帖子内容中就可以了。
信息提示
关闭
请填处理意见
关闭
确定