| 查看: 1239 | 回复: 13 | ||
18732185576铜虫 (小有名气)
|
[求助]
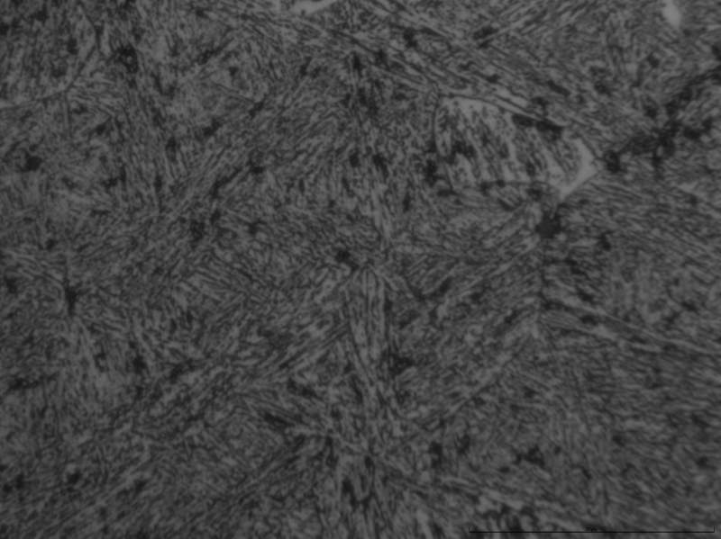
跪求各位金相大神帮忙分析下下列的金想图 已有4人参与
|
|
这三张图片都是水淬处理的 不过就是氧含量不同 请问里面的组织都是什么?? 谢谢各位金相大神帮忙分析下 3-1-10(40bei).JPG 4-1-3(40bei).JPG 5-2-3(40bei).JPG |
» 猜你喜欢
依托企业入选了国家启明计划青年人才。有无高校可以引进的。
已经有9人回复
有时候真觉得大城市人没有县城人甚至个体户幸福
已经有11人回复
表哥与省会女结婚,父母去帮带孩子被省会女气回家生重病了
已经有7人回复
同年申请2项不同项目,第1个项目里不写第2个项目的信息,可以吗
已经有8人回复
依托企业入选了国家启明计划青年人才。有无高校可以引进的。
已经有10人回复
天津大学招2026.09的博士生,欢迎大家推荐交流(博导是本人)
已经有9人回复
有院领导为了换新车,用横向课题经费买了俩车
已经有10人回复
AI 太可怕了,写基金时,提出想法,直接生成的文字比自己想得深远,还有科学性
已经有6人回复
» 本主题相关价值贴推荐,对您同样有帮助:
用SEM进行金相分析
已经有15人回复
感觉请求帮忙分析一下我的试样金相组织或SEM
已经有6人回复
求学术大神指点,急用,下图是本人做的一张金相照片,判断是否为晶粒图片
已经有44人回复
不同的激光焊接工艺下的两张金相照片,有明显的差异,请帮忙分析一下。
已经有10人回复
帮忙分析下这张金相组织。
已经有19人回复
帮忙看下金相组织
已经有28人回复
求大牛解释这个EPMA的BSE的金相组织图
已经有13人回复
大家帮我分析一下双相不锈钢金相组织
已经有30人回复
能请教一下金相图像与SEM图像的差别
已经有13人回复
低合金钢的金相组织图片鉴定及分析
已经有24人回复
帮忙做一下金相分析
已经有11人回复
【求助】求助从金相照片分析组织成分及热处理工艺(15CrMn)
已经有16人回复
【求助】再次请高手辨认一下钢铁金相
已经有16人回复
【讨论】请大家分析一下断裂机理(有图片)再加上金相
已经有36人回复
【求助】焊缝金相分析
已经有37人回复
【求助】求助-12Cr1MoV现场金相分析
已经有14人回复
【求助】金相图片定量分析
已经有18人回复
2楼2015-05-14 21:13:33
18732185576
铜虫 (小有名气)
- 应助: 1 (幼儿园)
- 金币: 10.1
- 散金: 40
- 帖子: 85
- 在线: 35.7小时
- 虫号: 3249118
- 注册: 2014-06-02
- 性别: GG
- 专业: 钢铁冶金
3楼2015-05-14 21:15:13
18732185576
铜虫 (小有名气)
- 应助: 1 (幼儿园)
- 金币: 10.1
- 散金: 40
- 帖子: 85
- 在线: 35.7小时
- 虫号: 3249118
- 注册: 2014-06-02
- 性别: GG
- 专业: 钢铁冶金
4楼2015-05-14 21:19:09
5楼2015-05-14 21:43:53
18732185576
铜虫 (小有名气)
- 应助: 1 (幼儿园)
- 金币: 10.1
- 散金: 40
- 帖子: 85
- 在线: 35.7小时
- 虫号: 3249118
- 注册: 2014-06-02
- 性别: GG
- 专业: 钢铁冶金
6楼2015-05-14 22:08:21
18732185576
铜虫 (小有名气)
- 应助: 1 (幼儿园)
- 金币: 10.1
- 散金: 40
- 帖子: 85
- 在线: 35.7小时
- 虫号: 3249118
- 注册: 2014-06-02
- 性别: GG
- 专业: 钢铁冶金
7楼2015-05-14 22:09:04
8楼2015-05-14 22:17:17
18732185576
铜虫 (小有名气)
- 应助: 1 (幼儿园)
- 金币: 10.1
- 散金: 40
- 帖子: 85
- 在线: 35.7小时
- 虫号: 3249118
- 注册: 2014-06-02
- 性别: GG
- 专业: 钢铁冶金
9楼2015-05-14 22:44:34
18732185576
铜虫 (小有名气)
- 应助: 1 (幼儿园)
- 金币: 10.1
- 散金: 40
- 帖子: 85
- 在线: 35.7小时
- 虫号: 3249118
- 注册: 2014-06-02
- 性别: GG
- 专业: 钢铁冶金
10楼2015-05-14 22:54:16













回复此楼