| 查看: 1024 | 回复: 4 | ||
894839555铜虫 (初入文坛)
|
[求助]
关于径向挤压模具设计 已有2人参与
|
|
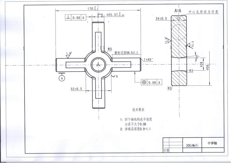
我想请问一下各位搞工艺的前辈,我要做一个十字轴径向热挤压的模具,现在初步设计好了凸模和凹模的尺寸,但是关于模架的尺寸如何确定,比如上模座的长宽,厚度这类,导柱导套,我查阅了许多书籍比如锻压手册,锻模手册之类,里面的模具设计部分都只有图却没给我一个标准尺寸范围,关于模架的设计我应该从哪里查找资料? 十字轴.jpg abc.png |
» 猜你喜欢
博士招生-随时入学
已经有10人回复
美国科罗拉多ASME SHTC2025参会经验分享
已经有0人回复
机械工程论文润色/翻译怎么收费?
已经有286人回复
中国科学院兰州化学物理研究所--南开大学联培2026级博士研究生招生1名
已经有55人回复
二苯甲酮合成
已经有1人回复
求教邻氯酰氯在氯化锌催化剂作用下与对氯苯胺反应能得到什么产物
已经有1人回复
定钳制动器和浮钳制动器的区别与优缺点?
已经有2人回复
宁波大学招收力学专业(表面工程方向)2026年博士生2名(申请-考核制)
已经有7人回复
宁波大学招收力学专业(表面工程方向)2026年博士生2名(申请-考核制)
已经有19人回复
英国伯明翰大学招收计算流体力学博士研究生
已经有0人回复
英国伯明翰大学招收计算流体力学和气动声学博士研究生
已经有0人回复
» 本主题相关价值贴推荐,对您同样有帮助:
等通道挤压模具图
已经有12人回复
DEFORM模拟遇到问题,急求!
已经有3人回复
催化反应器工程
已经有359人回复
2014年度浙江省自然科学基金拟资助项目清单
已经有14人回复
关于钛镍机械抛光的问题?
已经有4人回复
齿轮泵工作原理及结构
已经有53人回复
peterflyer
木虫之王 (文学泰斗)
peterflyer
- GEPI: 3
- 应助: 20282 (院士)
- 金币: 146067
- 红花: 1374
- 帖子: 93091
- 在线: 7694.3小时
- 虫号: 1482829
- 注册: 2011-11-08
- 性别: GG
- 专业: 功能陶瓷
2楼2015-05-06 23:50:38
碧空之歌
木虫 (小有名气)
- 应助: 4 (幼儿园)
- 金币: 2186.3
- 红花: 1
- 帖子: 126
- 在线: 173.4小时
- 虫号: 3628631
- 注册: 2015-01-05
- 性别: GG
- 专业: 制造系统与自动化

3楼2015-05-08 00:42:45
894839555
铜虫 (初入文坛)
- 应助: 0 (幼儿园)
- 金币: 186.5
- 帖子: 36
- 在线: 7.6小时
- 虫号: 3835673
- 注册: 2015-04-27
- 性别: GG
- 专业: 金属与非金属地下开采
4楼2015-05-08 10:27:37
碧空之歌
木虫 (小有名气)
- 应助: 4 (幼儿园)
- 金币: 2186.3
- 红花: 1
- 帖子: 126
- 在线: 173.4小时
- 虫号: 3628631
- 注册: 2015-01-05
- 性别: GG
- 专业: 制造系统与自动化

5楼2015-05-08 21:57:19













回复此楼