Znn3bq.jpeg
²é¿´: 799  |  »Ø¸´: 1

horizonjing

½ð³æ (СÓÐÃûÆø)

[ÇóÖú] ÇóÖú£¡£¡£¡matlab£¬simulink·½ÃæµÄ»ùÓÚ¿Õ¼äʸÁ¿µ÷ÖÆµÄÈýÏàÕûÁ÷Æ÷£¡£¡£¡£¡

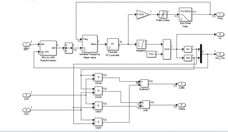
ÎÒÏÖÔÚ×öµÄ·ÂտģÐÍÊÇ»ùÓÚ¿Õ¼äʸÁ¿µ÷ÖÆµÄÈýÏàÕûÁ÷Æ÷£¬È»ºó´î½¨ÁËÒ»¸öÄ£Ð͵«ÊDz»Äܹ»ÔËÐУ¬Ò»Ö±ÌáʾÓдíÎ󣬵«ÊÇÎÒ²»¶®µÃ¸ÃÔõô¸Ä£¬ÊÇÕâ·½ÃæµÄС°×£¬Çó´óÉñÖ¸µ¼

ÇóÖú£¡£¡£¡matlab£¬simulink·½ÃæµÄ»ùÓÚ¿Õ¼äʸÁ¿µ÷ÖÆµÄÈýÏàÕûÁ÷Æ÷£¡£¡£¡£¡
QQ½ØÍ¼1.png
»Ø¸´´ËÂ¥

» ²ÂÄãϲ»¶

» ±¾Ö÷ÌâÏà¹Ø¼ÛÖµÌùÍÆ¼ö£¬¶ÔÄúͬÑùÓаïÖú:

ÒÑÔÄ   »Ø¸´´ËÂ¥   ¹Ø×¢TA ¸øTA·¢ÏûÏ¢ ËÍTAºì»¨ TAµÄ»ØÌû

horizonjing

½ð³æ (СÓÐÃûÆø)

ÕâÊÇÎÒ×öµÄÄ£ÐͺÍÀïÃæµÄÄ£¿é
ÇóÖú£¡£¡£¡matlab£¬simulink·½ÃæµÄ»ùÓÚ¿Õ¼äʸÁ¿µ÷ÖÆµÄÈýÏàÕûÁ÷Æ÷£¡£¡£¡£¡-1
QQ½ØÍ¼2.png


ÇóÖú£¡£¡£¡matlab£¬simulink·½ÃæµÄ»ùÓÚ¿Õ¼äʸÁ¿µ÷ÖÆµÄÈýÏàÕûÁ÷Æ÷£¡£¡£¡£¡-2
QQ½ØÍ¼3.png


ÇóÖú£¡£¡£¡matlab£¬simulink·½ÃæµÄ»ùÓÚ¿Õ¼äʸÁ¿µ÷ÖÆµÄÈýÏàÕûÁ÷Æ÷£¡£¡£¡£¡-3
QQ½ØÍ¼4.png


ÇóÖú£¡£¡£¡matlab£¬simulink·½ÃæµÄ»ùÓÚ¿Õ¼äʸÁ¿µ÷ÖÆµÄÈýÏàÕûÁ÷Æ÷£¡£¡£¡£¡-4
QQ½ØÍ¼5.png


ÇóÖú£¡£¡£¡matlab£¬simulink·½ÃæµÄ»ùÓÚ¿Õ¼äʸÁ¿µ÷ÖÆµÄÈýÏàÕûÁ÷Æ÷£¡£¡£¡£¡-5
QQ½ØÍ¼6.png

2Â¥2015-04-02 19:31:02
ÒÑÔÄ   »Ø¸´´ËÂ¥   ¹Ø×¢TA ¸øTA·¢ÏûÏ¢ ËÍTAºì»¨ TAµÄ»ØÌû
Ïà¹Ø°æ¿éÌø×ª ÎÒÒª¶©ÔÄÂ¥Ö÷ horizonjing µÄÖ÷Ìâ¸üÐÂ
×î¾ßÈËÆøÈÈÌûÍÆ¼ö [²é¿´È«²¿] ×÷Õß »Ø/¿´ ×îºó·¢±í
[¿¼ÑÐ] ÇóÖúµ÷¼Á£¬¿çµ÷ +19 XÊ®¸¦´çY 2026-04-11 20/1000 2026-04-15 21:18 by cuisz
[¿¼ÑÐ] 291 Çóµ÷¼Á +39 »¯¹¤2026½ì±ÏÒµÉ 2026-04-09 40/2000 2026-04-15 21:16 by cuisz
[¿¼ÑÐ] ²ÄÁÏ299ר˶Çóµ÷¼Á +17 +21 2026-04-09 17/850 2026-04-15 17:20 by zs92450
[¿¼ÑÐ] 211±¾¿Æ²ÄÁÏ»¯¹¤Çóµ÷¼Á +19 YHLAH 2026-04-11 23/1150 2026-04-14 22:25 by fenglj492
[¿¼ÑÐ] 08¹¤Ñ§ 309·ÖÇóµ÷¼Á +12 Yin DY 2026-04-08 12/600 2026-04-14 17:49 by lhj2009
[¿¼ÑÐ] ¿¼ÑÐÓ¢Ò»ÊýÒ»338·Ö +9 ³¤½­´óѧ¶«Ð£Çø 2026-04-13 10/500 2026-04-14 00:41 by Íõ¬Bè±
[¿¼ÑÐ] 332Çóµ÷¼Á +15 ½¶½¶123 2026-04-10 15/750 2026-04-13 23:12 by pies112
[¿¼ÑÐ] һ־Ը³¶«´óѧ071000ÉúÎïѧѧ˶³õÊÔ·ÖÊý276Çóµ÷¼Á +8 Ľ¾øcc 2026-04-09 8/400 2026-04-13 14:08 by ÕÅzhihao
[¿¼ÑÐ] 290Çóµ÷¼Á +18 ¿Â»´È» 2026-04-12 20/1000 2026-04-13 12:56 by cyh¡ª315
[¿¼ÑÐ] ÉúÎïѧµ÷¼Á£¬Ò»Ö¾Ô¸Î÷ÄÏ´óѧ348£¬TopÆÚ¿¯Ò»Çø¶þ×÷¡¢¶þÇøÈý×÷£¬ÈýµÈ½±Ñ§½ðÈý´Î +5 candyyyi 2026-04-09 5/250 2026-04-13 09:02 by ¿Éµ­²»¿ÉÍü
[¿¼ÑÐ] Çóµ÷¼Á +11 ôæôæÒ»ÊéÉú 2026-04-09 11/550 2026-04-11 19:57 by ÄæË®³Ë·ç
[¿¼ÑÐ] 296Çóµ÷¼Á +6 Íô£¡£¿£¡ 2026-04-09 6/300 2026-04-11 11:25 by zhq0425
[¿¼ÑÐ] Çóµ÷¼Á +6 archer.. 2026-04-09 8/400 2026-04-11 10:55 by zhq0425
[¿¼ÑÐ] ũҵ¹ÜÀí302·ÖÇóµ÷¼Á +3 xuening1 2026-04-10 3/150 2026-04-11 10:18 by zhq0425
[¿¼ÑÐ] ÖÐҩѧµ÷¼Á ³õÊÔ324 +4 Ñó¸Ê¾Õ¡¢ 2026-04-10 6/300 2026-04-11 09:41 by gong120082
[¿¼ÑÐ] 346£¬¹¤¿Æ0854Çóµ÷¼Á£¬×¨Ë¶ +7 moser233 2026-04-10 8/400 2026-04-11 08:52 by Öí»á·É
[¿¼ÑÐ] 265Çóµ÷¼Á +12 ·ç˵ËýÔçÍüÁË 2026-04-10 13/650 2026-04-10 18:56 by chemisry
[¿¼ÑÐ] 314Çóµ÷¼Á +18 xhhdjdjsjks 2026-04-09 19/950 2026-04-10 18:53 by HPUCZ
[¿¼ÑÐ] 086000ÉúÎïÓëÒ½Ò©µ÷¼Á +7 awwwwwooooo 2026-04-09 7/350 2026-04-09 13:31 by ±±¼«159263
[¿¼ÑÐ] 283µç×ÓÐÅÏ¢Çóµ÷¼Á +4 ÈýʯWL 2026-04-08 4/200 2026-04-09 10:21 by wp06
ÐÅÏ¢Ìáʾ
ÇëÌî´¦ÀíÒâ¼û