| ²é¿´: 2252 | »Ø¸´: 16 | |||||
[½»Á÷]
¿´¿´ÕâÊÇʲô×éÖ¯
|
|||||
|
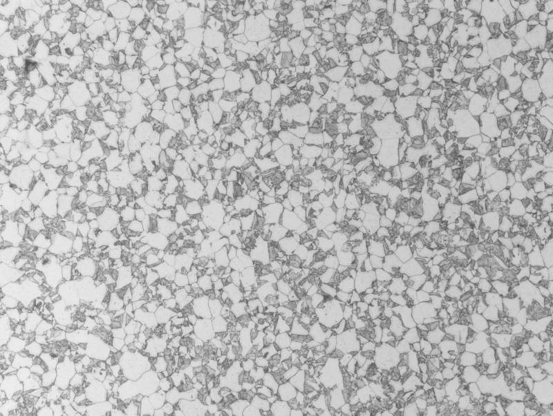
10B21 ´ã»ð£º800¡æ »Ø»ð£º400¡æ ×éÖ¯Èçͼ 500X ÐIJ¿.jpg 1000X ÐIJ¿-1.jpg 200X ÐIJ¿ 1.jpg 200X ±ß²¿.jpg 500X ±ß²¿.jpg |
» ÊÕ¼±¾ÌûµÄÌÔÌûר¼ÍƼö
°Ù±¦Ïä | ×··çµÄÉÙÄê |
» ²ÂÄãϲ»¶
0703Çóµ÷¼Á383·Ö
ÒѾÓÐ9È˻ظ´
Çóµ÷¼Á
ÒѾÓÐ8È˻ظ´
»¯Ñ§µ÷¼ÁÇóÖú
ÒѾÓÐ7È˻ظ´
Ò»Ö¾Ô¸¹þ¶û±õ¹¤Òµ´óѧ085600Ó¢Ò»Êý¶þ337·ÖÇóµ÷¼Á
ÒѾÓÐ12È˻ظ´
085600£¬320·ÖÇóµ÷¼Á
ÒѾÓÐ16È˻ظ´
Ò»Ö¾Ô¸211£¬»¯Ñ§Ñ§Ë¶£¬310·Ö£¬±¾¿ÆÖصãË«·Ç£¬Çóµ÷¼Á
ÒѾÓÐ12È˻ظ´
0703»¯Ñ§µ÷¼Á325·Ö
ÒѾÓÐ10È˻ظ´
085600£¬321·ÖÇóµ÷¼Á
ÒѾÓÐ12È˻ظ´
»¯Ñ§357·Ö£¬¿¼Ñе÷¼Á
ÒѾÓÐ12È˻ظ´
Ò»Ö¾Ô¸Äϲý´óѧ£¬085600£¬344·ÖÇóµ÷¼Á
ÒѾÓÐ8È˻ظ´
» ±¾Ö÷ÌâÏà¹Ø¼ÛÖµÌùÍÆ¼ö£¬¶ÔÄúͬÑùÓаïÖú:
Ô´´úÂëÖп´µ½ÔÚÑÐÊÇÕâÑùÂð£¿Çë´ó¼Ò°ïæ¿´¿´
ÒѾÓÐ29È˻ظ´
´ó¼ÒÀ´¿´¿´ÕâÊÇʲôʯͷ
ÒѾÓÐ87È˻ظ´
´ó¼Ò°ïæ¿´¿´£¬ÕâÊÇʲô×éÖ¯£¨îѺϽ𣩣¿
ÒѾÓÐ8È˻ظ´
¸÷λ´óÉñ¿´¿´ÕâÊÇʲô×éÖ¯
ÒѾÓÐ7È˻ظ´
¸÷λ´óÏÀ°ïæ¿´¿´Õâ¸öÊÔÑùµÄ×éÖ¯
ÒѾÓÐ8È˻ظ´
ÕâÊÇʲô½ðÏà×éÖ¯£¿
ÒѾÓÐ13È˻ظ´
ÄÄλ´óÉñ¿´¿´ÕâÊÇʲô×éÖ¯£¬Ôõô·ÖÎö
ÒѾÓÐ4È˻ظ´
Çë´ó¼Ò°ïæ¿´¿´ÕâÊÇʲôĪÃûÆäÃîµÄÇé¿ö£¿
ÒѾÓÐ3È˻ظ´
´ó¼Ò°ïæ¿´¿´ÕâÊÇʲôÒâ˼°¡£¿Ï£ÍûÓжà´ó°¡
ÒѾÓÐ8È˻ظ´
Çë´óÉñ°ïæ¿´Ò»ÏÂÕâÁ½ÕÅͼƬµÄ×éÖ¯¶¼ÓÐʲô£¿ÓÉÓÚ²»ÊÇרҵµÄËùÒÔ¿´ÆðÀ´±È½ÏÀ§ÄÑ¡£
ÒѾÓÐ10È˻ظ´
´ó¼Ò¿´¿´ÕâÁ½ÕŽðÏàͼƬÖÐÓÐÄÄЩÏÔ΢×éÖ¯£¿
ÒѾÓÐ13È˻ظ´
Çë´ó¼Ò°ïæ¿´ÏÂÕâÊÇʲô×éÖ¯
ÒѾÓÐ24È˻ظ´
ÖÐλػð×éÖ¯ÇóÖú
ÒѾÓÐ2È˻ظ´
´ó¼Ò°ïÎÒ¿´¿´ÕâÊÇʲô×éÖ¯£¬²ÄÁÏÊDz»Ðâ¸ÖµÄ
ÒѾÓÐ10È˻ظ´
°ï濴ϽðÏà×éÖ¯
ÒѾÓÐ28È˻ظ´
´ó¼ÒÀ´¿´¿´ÕâÊDz»ÊÇ´ø×´×éÖ¯
ÒѾÓÐ15È˻ظ´
Çë´ó¼Ò°ïæ¿´¿´£¬ÕâÊÇʲô×éÖ¯£¨45¸Ö¡¢Óʹ㣩
ÒѾÓÐ4È˻ظ´
¡¾½»Á÷¡¿×ÏÍÍ˺óºóµÄ×éÖ¯ÊÇʲôÑùµÄ£¿
ÒѾÓÐ8È˻ظ´
¡¾ÇóÖú¡¿ËÄܰïÎÒ¿´¿´Õâ¸ö¸Ö½îÊÇʲôÐͺÅ
ÒѾÓÐ4È˻ظ´
¡¶²ÝԵķ硷
ÖÁ×ðľ³æ (Ö°Òµ×÷¼Ò)
- Ó¦Öú: 854 (²©ºó)
- ½ð±Ò: 17383.8
- ºì»¨: 102
- Ìû×Ó: 3287
- ÔÚÏß: 961.2Сʱ
- ³æºÅ: 2536060
- ×¢²á: 2013-07-07
- ÐÔ±ð: GG
- רҵ: ½ðÊô½á¹¹²ÄÁÏ
¡ï
Сľ³æ: ½ð±Ò+0.5, ¸ø¸öºì°ü£¬Ð»Ð»»ØÌû
Сľ³æ: ½ð±Ò+0.5, ¸ø¸öºì°ü£¬Ð»Ð»»ØÌû
| ûÓдãÉÏ»ð£¬Í¼1¡¢2¡¢3¾ùÊǰ×É«µÄÌúËØÌå+²¿·Ö»ÒÉ«µÄÖé¹âÌå×éÖ¯£¬Í¼4¡¢5±ßÔµÓÐÒ»²ã´ã»ð×éÖ¯£¬¿´²»Ì«Çå³þ£¬¿ÉÄÜÊDZȽÏϸСµÄµÍ̼ÂíÊÏÌ壨°åÌõ£©»òÕßÊDZ´ÊÏÌå×éÖ¯£¨Ï±´ÊÏÌ壩¡£+ÉÙÁ¿µÄÌúËØÌå×éÖ¯¡£ |
» ±¾ÌûÒÑ»ñµÃµÄºì»¨£¨×îÐÂ10¶ä£©

5Â¥2014-08-18 22:38:51
¡¶²ÝԵķ硷
ÖÁ×ðľ³æ (Ö°Òµ×÷¼Ò)
- Ó¦Öú: 854 (²©ºó)
- ½ð±Ò: 17383.8
- ºì»¨: 102
- Ìû×Ó: 3287
- ÔÚÏß: 961.2Сʱ
- ³æºÅ: 2536060
- ×¢²á: 2013-07-07
- ÐÔ±ð: GG
- רҵ: ½ðÊô½á¹¹²ÄÁÏ
¡ï
Сľ³æ: ½ð±Ò+0.5, ¸ø¸öºì°ü£¬Ð»Ð»»ØÌû
Сľ³æ: ½ð±Ò+0.5, ¸ø¸öºì°ü£¬Ð»Ð»»ØÌû
|
Õý»ðµÃµ½µÄÖé¹âÌåÕý³£ÊÇ²ãÆ¬×´£¬Õâ¸öÓÉÓÚÄã´ã»ð¼ÓÈÈ¡¢±£ÎµÄÔµ¹Ê£¬²ãƬ״²»Ã÷ÏÔ£¬ÉøÌ¼Ì寬ÓеãÇò»¯µÄÒâ˼£¬±äµÃ²»ÊÇÆ¬×´£¬Óеã¶ÏÐøµÄÒâ˼£¬¹Ê´Ë¡£ ÖÁÓÚ±ßÔµ¿´µÄ²»Çå³þ£¬¸Ð¾õ°åÌõÂíÊÏÌåµÄ±ßÔµ²»ÇåÎú£¬ÏñÊÇ»ØÁË»ðµÄÒâ˼£¬Õý³£µÄ°åÌõÂíÊÏÌå±ßÔµÊDZȽÏÇå³þµÄ£¬¶øÄãÕâ¸ö¿´²»Çå³þ£¬²»ÖªµÀÊÇÖÆÑùµÄÔÒò£¬»¹ÊÇ·Å´ó±¶ÊýµÄÔÒò£¬»òÕßÊÇ»ØÁË»ðµÄÔµ¹Ê£¬²»Äܹ»¶Ï¶¨¡£ »Ø»ðÂíÊÏÌå±£ÁôÔÐÎ̬£¬±ÈÈç°åÌõÂíÊÏÌ廹Äܹ»¿´Çå³þ°åÌõµÄÒâ˼£¬¶ø»Ø»ðÇüÊÏÌåÔÚ800XÏÂÊÇÒ»ÍÅÔ㣬»ÒºýºýһƬ£¬Ê²Ã´Ò²¿´²»Çå³þ£¬»Ø»ðË÷ÊÏÌåÄܹ»¿´Çå³þÔÚÌúËØÌå»ùÌåÉÏÃæ·Ö²¼×Å̼»¯Îï¿ÅÁ££¬ÔÚ500±¶ÒÔÉÏÄܹ»·Ö±æÇå³þ£¬500XÒÔϲ»ÈÝÒ×·Ö±æÇå³þ£¬µ«ÊǸ߱¶½Ó½ü500X»¹ÃãÇ¿Äܹ»·Ö±æ³ö¡£ |

8Â¥2014-08-19 00:16:40
peterflyer
ľ³æÖ®Íõ (ÎÄѧ̩¶·)
peterflyer
- MM-EPI: 2
- Ó¦Öú: 20282 (Ժʿ)
- ½ð±Ò: 146220
- ºì»¨: 1374
- Ìû×Ó: 93091
- ÔÚÏß: 7694.3Сʱ
- ³æºÅ: 1482829
- ×¢²á: 2011-11-08
- ÐÔ±ð: GG
- רҵ: ¹¦ÄÜÌÕ´É
¡ï
Сľ³æ: ½ð±Ò+0.5, ¸ø¸öºì°ü£¬Ð»Ð»»ØÌû
Сľ³æ: ½ð±Ò+0.5, ¸ø¸öºì°ü£¬Ð»Ð»»ØÌû
| 10B21ÃÀ±ê²ÄÁÏ£¬µÈ¼¶ÎªÌ¼¸Ö²ÄÁÏ£¬Í¨ÓÃÃûΪÅð¸Ö£¬Àäïæ¸ÖÅÌÌõ¡£»¯Ñ§³É·Ö£º C£¨Ì¼£©£º0.18¡«0.23 £» Si£¨¹è£©£º ¡Ü0.10 £»Mn£¨ÃÌ£©£º0.70¡«1.00 £» P£¨Á×£©£º¡Ü0.030£»S£¨Áò£©£º¡Ü0.035 £» B£¨Å𣩣º¡Ý0.0005¡£¸öÈËÈÏΪÓÐЩÏñÓðë״µÄκÊÏ×éÖ¯¡£ |
14Â¥2014-08-20 23:27:53
ZhangXinL
гæ (³õÈëÎÄ̳)
- Ó¦Öú: 0 (Ó×¶ùÔ°)
- ½ð±Ò: 17.5
- Ìû×Ó: 5
- ÔÚÏß: 5Сʱ
- ³æºÅ: 3148164
- ×¢²á: 2014-04-19
- ÐÔ±ð: GG
- רҵ: ½ðÊô½á¹¹²ÄÁÏ

15Â¥2014-08-29 16:20:38
ÐÄÈôÀ¶ÐÀ
½ð³æ (ÖøÃûдÊÖ)
- Ó¦Öú: 8 (Ó×¶ùÔ°)
- ½ð±Ò: 4372.7
- É¢½ð: 421
- ºì»¨: 14
- ɳ·¢: 16
- Ìû×Ó: 1943
- ÔÚÏß: 289.6Сʱ
- ³æºÅ: 3302686
- ×¢²á: 2014-07-02
- ÐÔ±ð: MM
- רҵ: ÉúÎﻯѧ
2Â¥2014-08-18 20:57:45
yikaijia
½ð³æ (ÖøÃûдÊÖ)
¶·³æ
- Ó¦Öú: 14 (СѧÉú)
- ½ð±Ò: 1652.7
- ºì»¨: 6
- Ìû×Ó: 1954
- ÔÚÏß: 64.8Сʱ
- ³æºÅ: 2046979
- ×¢²á: 2012-10-07
- ÐÔ±ð: GG
- רҵ: ÌìȻҩÎﻯѧ

3Â¥2014-08-18 21:01:08
sangxianxian
ͳæ (ÕýʽдÊÖ)
- Ó¦Öú: 39 (СѧÉú)
- ½ð±Ò: 2304
- ºì»¨: 6
- Ìû×Ó: 544
- ÔÚÏß: 93.2Сʱ
- ³æºÅ: 3292843
- ×¢²á: 2014-06-26
- ÐÔ±ð: GG
- רҵ: ½ðÊô²ÄÁϵÄ΢¹Û½á¹¹
4Â¥2014-08-18 21:21:01
6Â¥2014-08-18 23:27:41
7Â¥2014-08-18 23:29:49
wuthering
½ð³æ (СÓÐÃûÆø)
- Ó¦Öú: 33 (СѧÉú)
- ½ð±Ò: 1995
- ºì»¨: 2
- Ìû×Ó: 160
- ÔÚÏß: 145.8Сʱ
- ³æºÅ: 463647
- ×¢²á: 2007-11-20
- רҵ: ½ðÊô²ÄÁϵÄ΢¹Û½á¹¹

9Â¥2014-08-19 08:28:25
yong0119
ľ³æ (ÕýʽдÊÖ)
- Ó¦Öú: 158 (¸ßÖÐÉú)
- ½ð±Ò: 4307.2
- É¢½ð: 15
- ºì»¨: 9
- Ìû×Ó: 342
- ÔÚÏß: 218.7Сʱ
- ³æºÅ: 2684526
- ×¢²á: 2013-09-27
- ÐÔ±ð: GG
- רҵ: ½ðÊô½á¹¹²ÄÁÏ

10Â¥2014-08-19 09:59:46














»Ø¸´´ËÂ¥
°¢½Ü19
10