| 查看: 1334 | 回复: 2 | ||
| 本帖产生 1 个 博学EPI ,点击这里进行查看 | ||
[求助]
中温回火组织求助
|
||
|
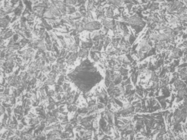
各位虫友,大家帮我看看这是什么组织,880℃淬火,第一张450℃回火,之后急冷2分钟,然后缓冷3分钟,第二张430℃,之后急冷1分钟,然后缓冷1分钟,材质为低碳合金钢,23MnNiCrMo 。有贝氏体吗?屈氏体,马氏体?硬度41HRC左右 12-2-400-1.5.jpg 41-2-400-0.5.jpg |
» 猜你喜欢
同年申请2项不同项目,第1个项目里不写第2个项目的信息,可以吗
已经有6人回复
依托企业入选了国家启明计划青年人才。有无高校可以引进的。
已经有6人回复
依托企业入选了国家启明计划青年人才。有无高校可以引进的。
已经有10人回复
天津大学招2026.09的博士生,欢迎大家推荐交流(博导是本人)
已经有9人回复
有院领导为了换新车,用横向课题经费买了俩车
已经有10人回复
遇见不省心的家人很难过
已经有24人回复
AI 太可怕了,写基金时,提出想法,直接生成的文字比自己想得深远,还有科学性
已经有6人回复
酰胺脱乙酰基
已经有13人回复
有时候真觉得大城市人没有县城人甚至个体户幸福
已经有10人回复
» 本主题相关价值贴推荐,对您同样有帮助:
回火时间延长组织的变化趋势
已经有10人回复
急用,答辩求救
已经有4人回复
700多℃退火,得到马氏体组织??
已经有10人回复
粒状贝氏体回火后的组织是什么?
已经有5人回复
关于热处理工艺制定
已经有6人回复
关于回火后的材料处理问题
已经有15人回复
求助:如何从黄瓜愈伤组织中诱导出芽
已经有4人回复
求助猪组织中瘦肉精的提取方法
已经有11人回复
马氏体,索氏体,奥氏体等各种钢里面的组织,它们的硬度分别是多少呢?
已经有6人回复
求助2Cr13的组织分析
已经有12人回复
回火时间的研究
已经有25人回复
这是回火马氏体吗?急,下午预答辩,求助达人帮忙
已经有14人回复
很多国外文章不提说回火索氏体,将回火马氏、回火屈氏体、回火索氏体通称回火马氏体
已经有22人回复
【求助】求助从金相照片分析组织成分及热处理工艺(15CrMn)
已经有16人回复
【求助】哪位好心人给我讲讲塑料回火的问题
已经有8人回复
【求助】金相组织中相比例用什么软件进行定量计算
已经有11人回复
【求助】问一下抗拉和屈服的关系
已经有14人回复
【求助】金相组织中,残余奥氏体怎么分辨?回火屈氏体和回火索氏体在金相上怎么区分?
已经有7人回复
geminihjl
木虫 (小有名气)
- 博学EPI: 1
- 应助: 2 (幼儿园)
- 金币: 3814.9
- 红花: 3
- 帖子: 179
- 在线: 42.2小时
- 虫号: 1855863
- 注册: 2012-06-11
- 专业: 高分子物理与高分子物理化
【答案】应助回帖
★ ★ ★ ★ ★ ★ ★ ★ ★ ★
huibeike: 金币+10, 博学EPI+1, ★★★很有帮助, 很有帮助!谢谢您!受教了。 2013-10-25 18:32:36
huibeike: 金币+10, 博学EPI+1, ★★★很有帮助, 很有帮助!谢谢您!受教了。 2013-10-25 18:32:36
| 你好,首先,你这两种工艺不好做比较吧。其次,这两张图应该都有贝氏体和屈氏体吧。从形态和c曲线看都可能有,回火后快冷对组织形态种类应该没有什么影响,但是可以避免回火脆性,所以马氏体基本是没有的,有也是极微量根本看不出来的,主要还是回火屈氏体,还能隐约看见马氏体的针状形态,但是由于碳的析出有黑区出现,断定是屈氏体。由于是低合金钢,在850摄氏度淬火,从c曲线可以分析出,组织中会含有一定量的贝氏体。所以这种材料处理后具有比较好的综合性能,一般用来做齿轮或者其他合金工具钢。可能对您有帮助,谢谢。 |
2楼2013-10-23 22:38:04
3楼2013-10-25 18:51:22













回复此楼