版块导航
正在加载中...
客户端APP下载
论文辅导
申博辅导
登录
注册
帖子
帖子
用户
本版
应《网络安全法》要求,自2017年10月1日起,未进行实名认证将不得使用互联网跟帖服务。为保障您的帐号能够正常使用,请尽快对帐号进行手机号验证,感谢您的理解与支持!
24小时热门版块排行榜
>
论坛更新日志
(2536)
>
虫友互识
(183)
>
导师招生
(78)
>
文献求助
(76)
>
考博
(27)
>
论文道贺祈福
(24)
>
硕博家园
(23)
>
休闲灌水
(22)
>
基金申请
(20)
>
博后之家
(17)
>
考研
(16)
>
招聘信息布告栏
(15)
>
教师之家
(15)
>
绿色求助(高悬赏)
(11)
>
论文投稿
(11)
>
公派出国
(9)
小木虫论坛-学术科研互动平台
»
生物医药区
»
生物科学
»
细胞科学
»
兔骨髓间充质干细胞养不好,请大神们帮忙。
1
1/1
返回列表
查看: 287 | 回复: 0
只看楼主
@他人
存档
新回复提醒
(忽略)
收藏
在APP中查看
ztz_2011
铜虫
(初入文坛)
应助: 0
(幼儿园)
金币: 181.4
帖子: 8
在线: 14.3小时
虫号: 2415742
注册: 2013-04-13
性别: GG
专业: 肿瘤病因
[
求助
]
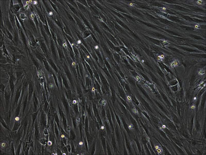
兔骨髓间充质干细胞养不好,请大神们帮忙。
最近样兔的骨髓间充质干细胞,但是每次一传完代就变得宽大,生长缓慢!请大家帮忙分析原因!谢谢了!
P1 100倍.jpg
P2 100倍-1.jpg
P2 100倍-2.jpg
回复此楼
» 本帖附件资源列表
欢迎监督和反馈:小木虫仅提供交流平台,不对该内容负责。
本内容由用户自主发布,如果其内容涉及到知识产权问题,其责任在于用户本人,如对版权有异议,请联系邮箱:xiaomuchong@tal.com
附件 1 :
间充质干细胞_2代_100倍-1.jpg
2014-06-07 18:37:04, 924.12 K
附件 2 :
间充质干细胞_2代_100倍-2.jpg
2014-06-07 18:37:07, 771.29 K
附件 3 :
间充质干细胞_原代_100倍-1.jpg
2014-06-07 18:37:10, 1.02 M
» 猜你喜欢
天津大学招2026.09的博士生,欢迎大家推荐交流(博导是本人)
已经有5人回复
有院领导为了换新车,用横向课题经费买了俩车
已经有5人回复
有时候真觉得大城市人没有县城人甚至个体户幸福
已经有9人回复
CSC & MSCA 博洛尼亚大学能源材料课题组博士/博士后招生|MSCA经费充足、排名优
已经有6人回复
同年申请2项不同项目,第1个项目里不写第2个项目的信息,可以吗
已经有3人回复
面上项目申报
已经有3人回复
酰胺脱乙酰基
已经有9人回复
博士延得我,科研能力直往上蹿
已经有7人回复
面上基金申报没有其他的参与者成吗
已经有5人回复
遇见不省心的家人很难过
已经有22人回复
好好学习
1楼
2014-06-07 18:39:34
已阅
回复此楼
关注TA
给TA发消息
送TA红花
TA的回帖
智能机器人
Robot
(super robot)
我们都爱小木虫
找到一些相关的精华帖子,希望有用哦~
关于茜素红细胞染色
已经有11人回复
请高手赐教小鼠骨髓间充质干细胞的培养条件?
已经有7人回复
原代心肌细胞培养
已经有11人回复
两种细胞混合培养,是否可用CCK-8测增殖
已经有5人回复
请问造血干细胞体外增殖,自我更新及控制分化的问题
已经有5人回复
现在能用于培养干细胞的仪器有哪些?
已经有6人回复
成骨细胞分化问题?
已经有6人回复
骨髓间充质干细胞细胞系哪里购买啊?
已经有14人回复
求助设备支架的设计参考和标准
已经有4人回复
大鼠DRG培养出来的细胞,大家帮我看看是什么细胞啊???
已经有6人回复
求助那些材料可以替代铝合金的作为支架材料???
已经有11人回复
人原代肝细胞培养
已经有20人回复
为什么液氮罐不能放在细胞间
已经有6人回复
骨髓间充质干细胞的提取保存及运输方法
已经有4人回复
用CD44抗体磁珠分选结肠癌LoVo细胞中的癌症干细胞?
已经有3人回复
前脂肪细胞培养
已经有6人回复
鼠骨髓细胞(rat bone marrow cell)培养的一个问题,请教大家。谢谢
已经有30人回复
从原代开始培养的骨髓间充质干细胞会不会随着培养时间的延长而开始分化?
已经有14人回复
原代培养中的困惑
已经有6人回复
【求助】求教肝细胞原代培养!
已经有15人回复
【交流】骨髓间充质干细胞(MSC)
已经有15人回复
【求助】胶原支架上骨髓间充质干细胞培养
已经有9人回复
点击这里搜索更多相关资源
科研从小木虫开始,人人为我,我为人人
相关版块跳转
新药研发
药学
药品生产
分子生物
微生物
动植物
生物科学
医学
我要订阅楼主
ztz_2011
的主题更新
1
1/1
返回列表
如果回帖内容含有宣传信息,请如实选中。否则帐号将被全论坛禁言
普通表情
龙
兔
虎
猫
百度网盘
|
360云盘
|
千易网盘
|
华为网盘
在新窗口页面中打开自己喜欢的网盘网站,将文件上传后,然后将下载链接复制到帖子内容中就可以了。
信息提示
关闭
请填处理意见
关闭
确定