Znn3bq.jpeg
±±¾©Ê¯ÓÍ»¯¹¤Ñ§Ôº2026ÄêÑо¿ÉúÕÐÉú½ÓÊÕµ÷¼Á¹«¸æ
²é¿´: 2335  |  »Ø¸´: 13

cqstan

Í­³æ (³õÈëÎÄ̳)

[ÇóÖú] ±½ÒÒÏ©ºÍ±ûÏ©ËáÒÒõ¥¹²¾Û ÒÑÓÐ2È˲ÎÓë

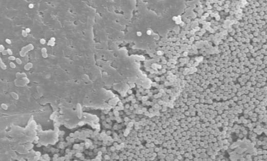
±½ÒÒÏ©ºÍ±ûÏ©ËáÒÒõ¥¹²¾Û£¬Ï£ÍûÊǺϳÉÇòÐΣ¬µ«Êǽá¹ûÖгöÏÖÁ˺ܲ»¹æÔòµÄÐÎ×´£¬ÏñµÚÒ»·ùͼÖУ¬ÉÏÃæÊǹæÔòµÄÇòÐΣ¬µ«ÊÇÏÂÃæÊÇ»ûÐΣ»µÚ¶þ·ùͼÖÐ×ó±ß¸Ð¾õ¿ÅÁ£ÈÚµ½ÁËÒ»Æð£¬ÇóÎÊÔ­Òò¡£

±½ÒÒÏ©ºÍ±ûÏ©ËáÒÒõ¥¹²¾Û
1.png
±½ÒÒÏ©ºÍ±ûÏ©ËáÒÒõ¥¹²¾Û-1
2.png
»Ø¸´´ËÂ¥

» ²ÂÄãϲ»¶

» ±¾Ö÷ÌâÏà¹Ø¼ÛÖµÌùÍÆ¼ö£¬¶ÔÄúͬÑùÓаïÖú:

ÒÑÔÄ   »Ø¸´´ËÂ¥   ¹Ø×¢TA ¸øTA·¢ÏûÏ¢ ËÍTAºì»¨ TAµÄ»ØÌû
»ØÌûÖ§³Ö ( ÏÔʾ֧³Ö¶È×î¸ßµÄǰ 50 Ãû )

renbingkang

ľ³æ (СÓÐÃûÆø)

С½ð³æ

»á²»»áÊÇÖÆÑùÕÕ¾µµÄʱºò£¬Î¶ȸßÁË£¬²ÅÍž۵ģ¿    µÚÒ»ÕÅͼ¸Ð¾õÊdzɽº×´ÎïÖÊÁË£»  µÚ¶þÕÅͼÉÏÃæµÄÍž۸оõ»¹ÊÇÓÐЩƽÕû£¬¾õµÃÊÇÈËΪÒòËØ¡£
Nopains,Nogains!
8Â¥2014-10-11 21:57:18
ÒÑÔÄ   »Ø¸´´ËÂ¥   ¹Ø×¢TA ¸øTA·¢ÏûÏ¢ ËÍTAºì»¨ TAµÄ»ØÌû
ÆÕͨ»ØÌû

È峿

½ð³æ (ÕýʽдÊÖ)

¡¾´ð°¸¡¿Ó¦Öú»ØÌû

¡ï
¸Ðл²ÎÓ룬ӦÖúÖ¸Êý +1
cqstan: ½ð±Ò+1, ¡ï¡ï¡ïºÜÓаïÖú 2014-05-23 16:51:22
¼Óµã±íÃæ»îÐÔ¼ÁÊÔÊÔ
2Â¥2014-05-23 13:08:59
ÒÑÔÄ   »Ø¸´´ËÂ¥   ¹Ø×¢TA ¸øTA·¢ÏûÏ¢ ËÍTAºì»¨ TAµÄ»ØÌû

Pureland

ľ³æÖ®Íõ (ÖªÃû×÷¼Ò)

¡¾´ð°¸¡¿Ó¦Öú»ØÌû

É̼ÒÒѾ­Ö÷¶¯ÉùÃ÷´Ë»ØÌû¿ÉÄܺ¬ÓÐÐû´«ÄÚÈÝ
¡ï ¡ï ¡ï ¡ï
¸Ðл²ÎÓ룬ӦÖúÖ¸Êý +1
cqstan: ½ð±Ò+4, ¡ï¡ï¡ïºÜÓаïÖú 2014-05-23 16:49:29
ÓÃʲô·½·¨ºÏ³ÉµÄ£¬¸Ð¾õÓеãÍžÛÁË¡£Èç¹ûÓÃÈéÒº¾ÛºÏµÄ»°£¬ËµÃ÷È黯¼ÁµÄÁ¿²»¹»¡£
3Â¥2014-05-23 14:14:32
ÒÑÔÄ   »Ø¸´´ËÂ¥   ¹Ø×¢TA ¸øTA·¢ÏûÏ¢ ËÍTAºì»¨ TAµÄ»ØÌû

cqstan

Í­³æ (³õÈëÎÄ̳)

ÒýÓûØÌû:
3Â¥: Originally posted by Pureland at 2014-05-23 14:14:32
ÓÃʲô·½·¨ºÏ³ÉµÄ£¬¸Ð¾õÓеãÍžÛÁË¡£Èç¹ûÓÃÈéÒº¾ÛºÏµÄ»°£¬ËµÃ÷È黯¼ÁµÄÁ¿²»¹»¡£

ÎÞÔíÈéÒº¾ÛºÏµÄ£¬ÊµÑéÖÐûÓмÓÈëÈ黯¼Á£»ÄÄЩÒòËØ»áµ¼ÖÂÍžۣ¿
4Â¥2014-05-23 15:22:14
ÒÑÔÄ   »Ø¸´´ËÂ¥   ¹Ø×¢TA ¸øTA·¢ÏûÏ¢ ËÍTAºì»¨ TAµÄ»ØÌû

Pureland

ľ³æÖ®Íõ (ÖªÃû×÷¼Ò)

¡¾´ð°¸¡¿Ó¦Öú»ØÌû

É̼ÒÒѾ­Ö÷¶¯ÉùÃ÷´Ë»ØÌû¿ÉÄܺ¬ÓÐÐû´«ÄÚÈÝ
¿ÉÄÜÊÇÈéÒº·ÖÉ¢²»¾ùÔÈËùÖ¡£
5Â¥2014-05-23 15:30:13
ÒÑÔÄ   »Ø¸´´ËÂ¥   ¹Ø×¢TA ¸øTA·¢ÏûÏ¢ ËÍTAºì»¨ TAµÄ»ØÌû

cqstan

Í­³æ (³õÈëÎÄ̳)

ÒýÓûØÌû:
5Â¥: Originally posted by Pureland at 2014-05-23 15:30:13
¿ÉÄÜÊÇÈéÒº·ÖÉ¢²»¾ùÔÈËùÖ¡£

ÄÇÎÒÔö´ó½Á°èËÙ¶ÈÊÔÊÔ°É
6Â¥2014-05-23 16:47:17
ÒÑÔÄ   »Ø¸´´ËÂ¥   ¹Ø×¢TA ¸øTA·¢ÏûÏ¢ ËÍTAºì»¨ TAµÄ»ØÌû

cqstan

Í­³æ (³õÈëÎÄ̳)

ÒýÓûØÌû:
5Â¥: Originally posted by Pureland at 2014-05-23 15:30:13
¿ÉÄÜÊÇÈéÒº·ÖÉ¢²»¾ùÔÈËùÖ¡£

ÓÐûÓпÉÄÜÊÇÒòΪÈÈÈéÒºÀëÐĵÄʱºò£¬ÓÉÓÚÀëÐÄËٶȹý´ó£¬ÔÚÀëÐĹÜÄÚ·¢ÉúÍžۣ¿
7Â¥2014-07-24 15:23:22
ÒÑÔÄ   »Ø¸´´ËÂ¥   ¹Ø×¢TA ¸øTA·¢ÏûÏ¢ ËÍTAºì»¨ TAµÄ»ØÌû

sunnyfu

ľ³æ (СÓÐÃûÆø)

ÎÞÔíÈéÒº¾ÛºÏÊÇÓõÄraftÊÔ¼ÁÂð
9Â¥2014-11-24 16:52:03
ÒÑÔÄ   »Ø¸´´ËÂ¥   ¹Ø×¢TA ¸øTA·¢ÏûÏ¢ ËÍTAºì»¨ TAµÄ»ØÌû

lljjcc111

½û³æ (³õÈëÎÄ̳)

±¾ÌûÄÚÈݱ»ÆÁ±Î

10Â¥2015-03-17 10:04:50
ÒÑÔÄ   »Ø¸´´ËÂ¥   ¹Ø×¢TA ¸øTA·¢ÏûÏ¢ ËÍTAºì»¨ TAµÄ»ØÌû
Ïà¹Ø°æ¿éÌø×ª ÎÒÒª¶©ÔÄÂ¥Ö÷ cqstan µÄÖ÷Ìâ¸üÐÂ
×î¾ßÈËÆøÈÈÌûÍÆ¼ö [²é¿´È«²¿] ×÷Õß »Ø/¿´ ×îºó·¢±í
[¿¼ÑÐ] Ò»Ö¾Ô¸¼ª´ó»¯Ñ§327Çóµ÷¼Á +10 ÍõÍõ°×ʯ 2026-04-06 11/550 2026-04-07 23:54 by JourneyLucky
[¿¼ÑÐ] ±¾¿ÆÖ£ÖÝ´óѧ£¬Ò»Ö¾Ô¸»ª¶«Ê¦·¶´óѧ282Çóµ÷¼Á +20 Ðܸçxtk 2026-04-07 23/1150 2026-04-07 22:51 by JourneyLucky
[¿¼ÑÐ] 085602»¯Ñ§¹¤³Ì268·Ö¶×µ÷¼Á +13 ÔÂÕÕ»¨ÁÖ¡£ 2026-04-01 13/650 2026-04-07 17:23 by À¶ÔÆË¼Óê
[¿¼ÑÐ] ²ÄÁϵ÷¼Á +11 Ò»ÑùYWY 2026-04-07 11/550 2026-04-07 15:13 by shdgaomin
[¿¼ÑÐ] 319Çóµ÷¼Á +3 handrui 2026-04-05 3/150 2026-04-06 09:33 by jp9609
[¿¼ÑÐ] 315Çóµ÷¼Á +5 £¦123456789 2026-04-05 5/250 2026-04-05 19:55 by nepu_uu
[¿¼ÑÐ] 322Çóµ÷¼Á +3 àźߺߺã 2026-04-05 3/150 2026-04-05 19:52 by nepu_uu
[¿¼ÑÐ] 308Çóµ÷¼Á +4 maverick^_^ 2026-04-03 4/200 2026-04-05 19:08 by À¶ÔÆË¼Óê
[¿¼ÑÐ] 298Çóµ÷¼Á +7 manman511 2026-04-05 7/350 2026-04-05 10:29 by ÌÆãå¶ù
[¿¼ÑÐ] 26¿¼Ñе÷¼Á0710 0860 +9 ²¹²¹²»²¹ 2026-04-03 14/700 2026-04-04 23:32 by ¹û¶³´óÍõ
[¿¼ÑÐ] Ò»Ö¾Ô¸0817»¯Ñ§¹¤³ÌÓë¼¼Êõ£¬Çóµ÷¼Á +24 ÎÒ²»ÊÇÖ»Òò 2026-04-02 28/1400 2026-04-04 15:15 by dongzh2009
[¿¼ÑÐ] Çóµ÷¼Á +3 ũҵ¹¤³ÌÓëÐÅÏ¢¼ 2026-04-04 3/150 2026-04-04 12:19 by Éá¶øºóµÃ
[¿¼ÑÐ] Ò»Ö¾Ô¸±±½»´ó²ÄÁϹ¤³Ì×Ü·Ö358 +6 cs0106 2026-04-03 6/300 2026-04-04 11:20 by w_xuqing
[¿¼ÑÐ] Çóµ÷¼Á£¬Ò»Ö¾Ô¸ÄϾ©º½¿Õº½Ìì´óѧ £¬080500²ÄÁÏ¿ÆÑ§Ó빤³Ìѧ˶ +10 @taotao 2026-04-03 10/500 2026-04-04 09:01 by T¿É¿ÉÎ÷ÀïT
[¿¼ÑÐ] ѧ˶288µ÷¼Á!!! +3 СÍõxw123 2026-04-03 3/150 2026-04-03 21:20 by à£à£à£0119
[¿¼ÑÐ] Çóµ÷¼Á²»Ìôרҵ +3 xrh030412 2026-04-01 3/150 2026-04-03 14:40 by µªÆøÆøÆø
[¿¼ÑÐ] ½¨»·£¬ÄÜÔ´£¬ÍÁľÀÏʦ·¹ý¿´Ò»¿´£¡£¡£¡ +5 ºÙºÙuu 2026-04-01 5/250 2026-04-03 11:47 by znian
[¿¼ÑÐ] 071000ÉúÎïѧµ÷¼Á +8 ÖªÕÑÂû 2026-04-02 8/400 2026-04-03 10:36 by macy2011
[¿¼ÑÐ] ÄÜÔ´¶¯Á¦ µ÷¼Á +3 ²»ÆÆ²»Á¢0 2026-04-02 3/150 2026-04-02 12:46 by ffffjjjj
[¿¼ÑÐ] Ò»Ö¾Ô¸°²»Õ´óѧ¼ÆËã»ú¿ÆÑ§Óë¼¼Êõѧ˶£¬331·ÖÇóµ÷¼Á +5 ½¯²ýÅôqtj 2026-04-01 5/250 2026-04-02 08:10 by fxue1114
ÐÅÏ¢Ìáʾ
ÇëÌî´¦ÀíÒâ¼û