±±¾©Ê¯ÓÍ»¯¹¤Ñ§Ôº2026ÄêÑо¿ÉúÕÐÉú½ÓÊÕµ÷¼Á¹«¸æ
²é¿´: 251  |  »Ø¸´: 1

zouyizou123

гæ (СÓÐÃûÆø)

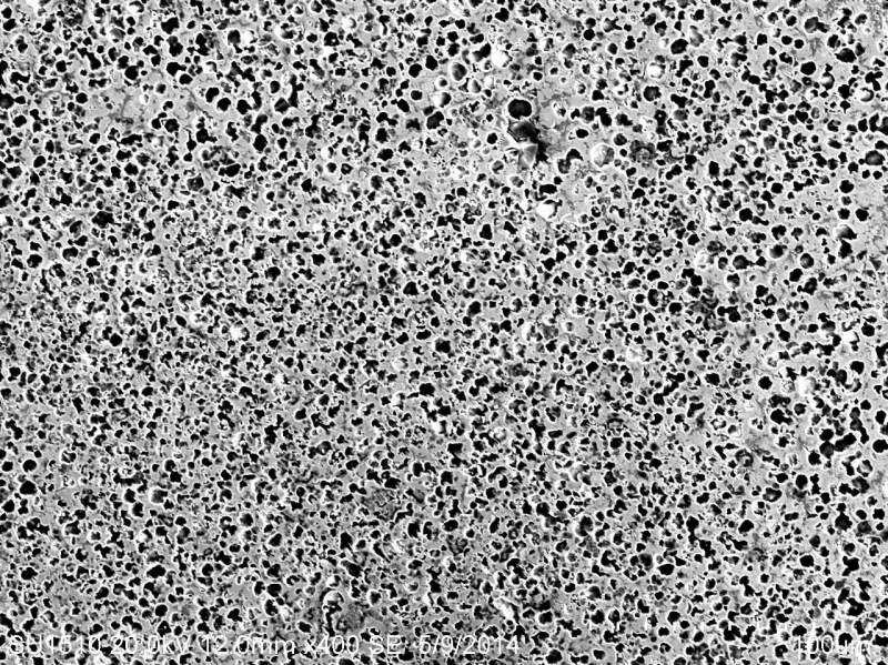
[ÇóÖú] W»ùºÏ½ð¸¯Ê´ºó£¬ºÚÉ«µÄÊǵڶþÏà±»¸¯Ê´µôµÄ¿ÓÂð

ÈçÌ⣬¿´Í¼£¬¼±Çó·ÖÎö

W»ùºÏ½ð¸¯Ê´ºó£¬ºÚÉ«µÄÊǵڶþÏà±»¸¯Ê´µôµÄ¿ÓÂð
2_¿´Í¼Íõ.jpg
»Ø¸´´ËÂ¥

» ²ÂÄãϲ»¶

» ±¾Ö÷ÌâÏà¹Ø¼ÛÖµÌùÍÆ¼ö£¬¶ÔÄúͬÑùÓаïÖú:

ÒÑÔÄ   »Ø¸´´ËÂ¥   ¹Ø×¢TA ¸øTA·¢ÏûÏ¢ ËÍTAºì»¨ TAµÄ»ØÌû

zouyizou123

гæ (СÓÐÃûÆø)

»¹ÊǺÚÉ«ÊDZ»¸¯Ê´µÄЧ¹û
2Â¥2014-05-12 21:41:27
ÒÑÔÄ   »Ø¸´´ËÂ¥   ¹Ø×¢TA ¸øTA·¢ÏûÏ¢ ËÍTAºì»¨ TAµÄ»ØÌû
Ïà¹Ø°æ¿éÌø×ª ÎÒÒª¶©ÔÄÂ¥Ö÷ zouyizou123 µÄÖ÷Ìâ¸üÐÂ
×î¾ßÈËÆøÈÈÌûÍÆ¼ö [²é¿´È«²¿] ×÷Õß »Ø/¿´ ×îºó·¢±í
[¿¼ÑÐ] 26µ÷¼Á 086003 +3 ʧ»îµÄϸ°û 2026-04-04 3/150 2026-04-04 02:24 by ±ÏÒµ°Ú̯Âô¼å±ý
[¿¼ÑÐ] 278Çóµ÷¼Á +5 Yy7400 2026-04-03 5/250 2026-04-03 22:01 by ÐÄÉÏÈ˰¡°¡°¡
[¿¼ÑÐ] 315Çóµ÷¼Á +12 СÑòСÑò_ 2026-04-02 12/600 2026-04-03 18:22 by lsÁõ˧
[¿¼ÑÐ] 0856£¬269·ÖÇóµ÷¼Á +15 ÓÐѧÉϾÍÐÐÇóÇóÁ 2026-03-30 18/900 2026-04-03 16:50 by melodiousnow
[¿¼ÑÐ] 270»¯¹¤Çóµ÷¼Á +5 º£Ì¦»¨Éú±ý 2026-03-28 5/250 2026-04-03 15:44 by Çç¿Õ210210
[¿¼ÑÐ] 085501Ò»Ö¾Ô¸Ì칤´ó£¬»úеר˶Çóµ÷¼Á£¬¿ç²ÄÁÏ +3 33ÉÏ 2026-04-03 3/150 2026-04-03 14:08 by 1753564080
[¿¼ÑÐ] ÊýÒ»Ó¢Ò»285Çóµ÷¼Á +7 AZMK 2026-04-03 9/450 2026-04-03 13:03 by ms629
[¿¼ÑÐ] ÉúÎïѧ˶341Çóµ÷¼Á +4 ÄãЦÆðÀ´ÏñÔÆ¶ä 2026-04-03 4/200 2026-04-03 10:32 by macy2011
[¿¼ÑÐ] 302Çóµ÷¼ÁÒ»Ö¾Ô¸»ªÖÐʦ·¶´óѧ +7 С½­Ð¡½­½­½­ 2026-04-02 7/350 2026-04-02 21:48 by macy2011
[¿¼ÑÐ] ¿¼Ñе÷¼Á +3 Àîľ×Ó0120 2026-04-02 5/250 2026-04-02 21:45 by dongzh2009
[¿¼ÑÐ] 366Çóµ÷¼ÁÒ»Ö¾Ô¸¶«±±´óѧ +8 ÔËÆøÀ´µÃÈôÓÐËÆÎ 2026-04-02 8/400 2026-04-02 21:39 by dongzh2009
[¿¼ÑÐ] Ò»Ö¾Ô¸±±½»´ó²ÄÁϹ¤³Ì£¬×Ü·Ö358 +4 cs0106 2026-04-01 4/200 2026-04-02 07:42 by ÉÐË®¸óÖ÷
[¿¼ÑÐ] 070300»¯Ñ§279Çóµ÷¼Á +15 ¹þ¹þ¹þ^_^ 2026-03-31 17/850 2026-04-01 21:37 by ¸øÄãÄã×¢ÒâÐÝÏ¢
[¿¼ÑÐ] 307·ÖÇóµ÷¼Á +14 (o~o) 2026-03-31 15/750 2026-04-01 20:43 by longlotian
[¿¼ÑÐ] 309Çóµ÷¼Á +19 Ë­²»ÊÇÉÙÄê 2026-03-29 19/950 2026-04-01 15:47 by jp9609
[¿¼ÑÐ] Ò»Ö¾Ô¸»ª¶«Ê¦·¶´óѧÓлú»¯Ñ§×¨Òµ£¬³õÊÔ351·Ö£¬¸´ÊÔ±»Ë¢Çóµ÷¼Á! +9 ÕæÃûÓбù 2026-03-29 10/500 2026-03-31 18:01 by xhai2011
[¿¼ÑÐ] ÇóÊÕÁô +8 1943443204 2026-03-28 8/400 2026-03-31 15:00 by -ÃÔÁË·°¡Â·
[¿¼ÑÐ] 081200-11408-276ѧ˶Çóµ÷¼Á +4 ´Þwj 2026-03-31 4/200 2026-03-31 11:56 by jp9609
[¿¼²©] ²ÄÁÏרҵÉ격 +5 ¶ÅÓêæÃdyt 2026-03-29 5/250 2026-03-31 11:19 by oooqiao
[¿¼ÑÐ] 291Çóµ÷¼Á +5 Y-cap 2026-03-29 6/300 2026-03-29 13:18 by mumin1990
ÐÅÏ¢Ìáʾ
ÇëÌî´¦ÀíÒâ¼û